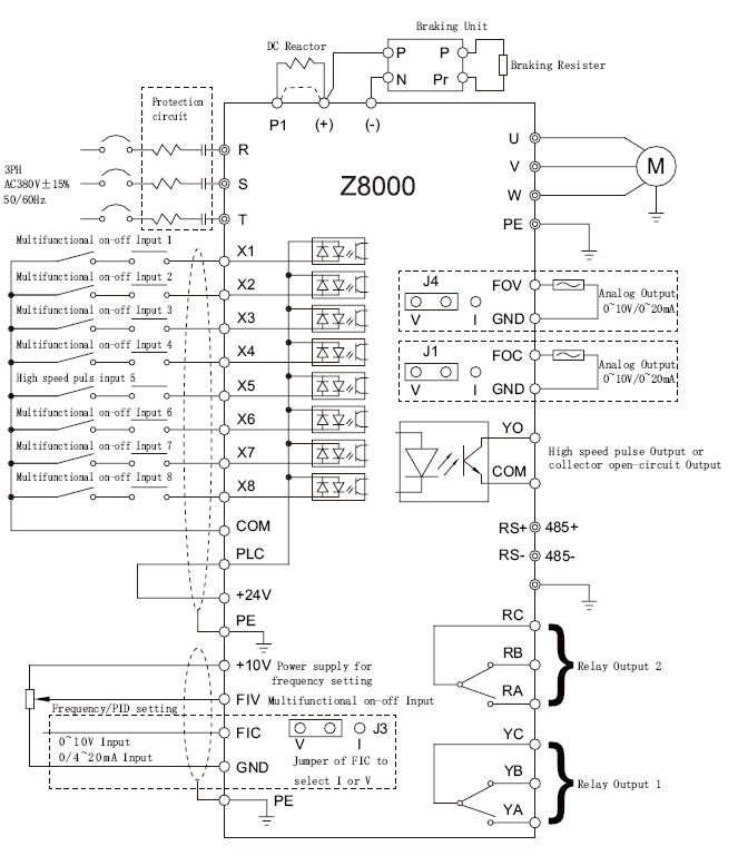
ZONCN Z8000 Серия высокопроизводительное управление вектором с закрытой петлей
Описание продукта
| Положение | Z8000 | |
| Стандартная функция | Режим управления | Бессмысленное управление вектором потока (SFVC); управление вектором замкнутого цикла; управление V/F |
| Максимальная частота | Векторное управление: 0-320 Гц; управление V/F: 0-3200 Гц. | |
| Частота носителя | 1-16 кГц; частота носителя автоматически регулируется в зависимости от характеристик нагрузки | |
| Раствор входной частоты | Цифровая установка: 0,01 Гц; аналоговая установка: 0,025% от максимальной частоты | |
| Начальный момент | Тип G: 0,5 Гц/150% ((SFVC) ; 0 Гц/180% (CLVC) Тип P: 0,5 Гц/100% | |
| Диапазон скоростей | 1Предоставление финансовых услуг | |
| Точность стабильности скорости | ±0,2% (SFVC); ±0,2% (CLVC) | |
| Мощность перегрузки | Тип G: 60 с при 150% номинального тока, 3 с при 180% номинального тока. Тип P: 60 с при 120% номинального тока, 3 с при 150% номинального тока. | |
| Увеличение крутящего момента | Автоматическое повышение; настраиваемое повышение 0,1%-30,0% | |
| Кривая V/F | Линейная кривая V/F; многоточечная кривая V/F; кривая V/F N-силы ((1,2-сильная, 1,4-сильная, 1,6-сильная, 1,8-сильная, квадратная) | |
| Сепарация V/F | Два типа: полное разделение; полуразделение | |
| Режим пролёта | Прямолинейная рампа; S-кривая рампа; Четыре группы времени ускорения/замедления в диапазоне 0,0-6500,0 с | |
| Тормозное действие постоянного тока | Частота торможения постоянного тока: от 0,0 Гц до максимальной частоты Время торможения: 0,0-100,0 с Значение тока торможения: 0,0-100,0% | |
| Контроль JOG | Диапазон частот JOG: 0,00 ~ 50,00 Hz Время ускорения / замедления JOG: 0,0 ~ 6500.0 с | |
| Встроенные множественные предопределенные скорости | Он реализует до 16 скоростей через простую функцию PLC или комбинацию терминальных состояний. | |
| Встроенный PID | Он осознает процесс-контролируемой системы управления замкнутой цепью легко | |
| Автоматическое регулирование напряжения (AVR) | Он может поддерживать постоянное выходное напряжение автоматически при изменении напряжения сети. | |
| Автоматическое управление напряжением/перенапряжением | Ток и напряжение ограничиваются автоматически во время процесса работы, чтобы избежать частых сбоев из-за перенапряжения / перенапряжения | |
| Предел скоростного тока | Это помогает избежать частых сверх текущих неисправностей AC привода | |
| Ограничение и регулирование крутящего момента | Он может автоматически ограничивать крутящий момент и предотвращать частые перенапряжения в процессе работы. | |
| Модель | Номинальная выходная мощность ((kW) | Номинальный входный ток ((A) | Номинальный выходный ток ((A) | Моторное оборудование ((kW) |
| Входное напряжение:1PH или 3PH AC 220V±15% | ||||
| Z8200-0R4G | 0.4 | 5.4 | 2.5 | 0.4 |
| Z8200-0R75G | 0.75 | 7.2 | 5 | 0.75 |
| Z8200-1R5G | 1.5 | 10 | 7 | 1.5 |
| Z8200-2R2G | 2.2 | 16 | 11 | 2.2 |
| Z8200-3R7G | 3.7 | 23 | 16.5 | 3.7 |
| Входное напряжение:3PH AC 380V±15% | ||||
| Z8400-0R75G | 0.75 | 3.8 | 2.5 | 0.75 |
| Z8400-1R5G | 1.5 | 5 | 3.7 | 1.5 |
| Z8400-2R2G | 2.2 | 5.8 | 5 | 2.2 |
| Z8400-3R7G/5R5P | 3.7/5.5 | 10/15.0 | 9/13 | 3.7/5.5 |
| Z8400-5R5G/7R5P | 5.5 | 15 | 13 | 5.5 |
| Z8400-7R5G/11P | 7.5/11 | 20/26 | 17/25 | 7.5/11 |
| Z8400-11G/15P | "Слушай, что я говорю!" 15/11 | 26/35 | 25/32 | "Слушай, что я говорю!" 15/11 |
| Z8400-15G/18.5P | 15/18.5 | 35/38 | 32/37 | 15/18.5 |
| Z8400-18.5G/22P | 18.5/22 | 38/46 | 37/45 | 18.5/22 |
| Z8400-22G/30P | 22/30 | 46/62 | 45/60 | 22/30 |
| Z8400-30G/37P | 30/37 | 62/76 года | 60/75 | 30/37 |
| Z8400-37G/45P | 37/45 | 76/90 года | 75/90 | 37/45 |
| Z8400-45G/55P | 45/55 | 90/105 | 90/110 | 45/55 |
| Z8400-55G | 55 | 105 | 110 | 55 |
| Z8400-75G/90P | 75/90 | 140/160 | 150/176 | 75/90 |
| Z8400-90G/110P | 90/110 | 160/210 | 176/210 | 90/110 |
| Z8400-110G/132P | 110/132 | 210/240 | 210/253 | 110/132 |
| Z8400-132G/160P | 132/160 | 240/290 | 253/300 | 132/160 |
| Z8400-160G/185P | 160/185 | 290/330 | 300/340 | 160/185 |
| Z8400-185G/200P | 185/200 | 330/370 | 340/380 | 185/200 |
| Z8400-200G/220P | 200/220 | 370/410 | 380/420 | 200/220 |
| - Что? | ||||
| Z8400-1000G | 1000 | 1800 | 1720 | 1000 |
Примечание: Если у вас есть какие-либо специальные требования, пожалуйста, не стесняйтесь связаться с нами напрямую, мы можем настроить для вас.



