Инвертор серии Z5000-BF предлагает множество преимуществ: он обеспечивает исключительную производительность и имеет минимальный показатель отказов, гарантирующий надежную работу.С его превосходными водонепроницаемыми и пылезащитными возможностямиКроме того, серия Z5000-BF является энергоэффективной, что способствует снижению энергопотребления.включает в себя эффективные механизмы рассеивания тепла и простой процесс установкиВ целом, инвертор серии Z5000-BF превосходит по производительности, надежности, устойчивости к воде и пыли, энергоэффективности, рассеиванию тепла и простоте установки.
|
Положение |
Инвертор Z5000-BF |
| Режим управления |
Контроль вектора потока без датчиков (SFVC) Управление напряжением/частотой (V/F) |
| Максимальная частота | Векторное управление: 0-320 Гц Управление V/F: 0-3200 Гц |
| Частота носителя |
1 кГц ~ 16 кГц Частота носителя автоматически регулируется на основе характеристик нагрузки. |
| Разрешение частоты ввода |
Цифровая настройка:00,01 Гц Аналоговая настройка: Максимальная частота 0,025% |
| Начальный момент |
G: Тип:0.5Гц/150% ((SVC) P: Тип:00,5 Гц/100% |
| Диапазон скоростей | 100 (SVC) |
| Точность стабильности скорости | ± 0,5% ((SVC) |
| Мощность перегрузки |
Тип G: 60 с при 150% номинального тока, 3 с при 180% номинального тока. P тип: 60 с при 120% номинального тока, 3 с при 150% номинального тока. |
| Увеличение крутящего момента | Автоматическое повышение; Настроенное повышение:00,1% до 30,0% |
| Кривая VF | Кривая V/F прямой;Кривая V/F многоточечной;Кривая V/F N-силы |
| Сепарация VF | 2 типа: полное разделение;полуразделение |
| Режим пролёта | Прямолинейная рампа;S-кривая рампа;Четыре группы времени ускорения/замедления:0~6500.0s |
| Автоматическое регулирование напряжения (AVR) | Он может поддерживать постоянное выходное напряжение автоматически, когда напряжение сети меняется |
| Предел скоростного тока | Это помогает избежать частых сбоев переменного тока. |
| Ограничение и регулирование крутящего момента | Он может поддерживать постоянное выходное напряжение автоматически, когда напряжение сети меняется |
| Встроенный PID | Он осознает процесс-контролируемой системы управления замкнутой цепью легко |
| Контроль JOG |
Диапазон частот JOG: 0,00-50,00 Гц Время ускорения/замедления JOG: 0,0 ≈ 6500,0 с |
| Тормозное действие постоянного тока | Частота торможения постоянного тока:00,00 Гц до максимальной частоты Время торможения:0.0-100.0s Значение тока торможения:00,0% - 100,0% |
| Мгновенное отключение не прекращается. | Энергия обратной связи нагрузки компенсирует снижение напряжения, так что двигатель переменного тока может продолжать работать в течение короткого времени. |
| Контроль времени | Диапазон времени:0.0мин ~6500.0мин |
| Коммуникация | RS485 |
| Запустить командный канал | По данным панели, терминалы управления, серийный порт связи, могут быть переключены многими способами. |
| Источник частоты | 10 видов частотного источника, данного цифровым аналоговым напряжением, аналоговым током, импульсом, серийным портом. |
| Вспомогательный источник частоты | 10 видов частотного источника, может легко реализовать микро регулировки, частотный синтезатор |
| Терминалы ввода |
6 цифровых входных терминалов, один из которых поддерживает высокоскоростной импульсный вход до 100 кГц (необязательно). 2 аналоговых входных терминала, один из которых поддерживает только входный напряжение 0-10 В, а другой поддерживает входный напряжение 0-10 В или входный ток 4-20 мА. |
| Выходные терминалы |
1 цифровой выходный терминал 1 релейный выходный терминал 1 аналоговый выходный терминал: поддерживающий выходный ток 0-20 mA или выходный напряжение 0-10v |
| Многократные режимы защиты | Определение короткого замыкания двигателя при включении, защита от потери выходной фазы, защита от перетока, защита от перенапряжения, защита от перенапряжения, защита от перегрева и защита от перегрузки. |
| Модель | Номинальная выходная мощность (кВт) | Номинальный входный ток (A) | Номинальный выходный ток (A) | Мощность двигателя (кВт) |
| Входное напряжение ((v):1PH AC 220V±15% | ||||
| Z5200A0D75K-BF | 0.75 | 7.2 | 5 | 0.75 |
| Z5200A01D5K-BF | 1.5 | 10 | 7 | 1.5 |
| Z5200A02D2K-BF | 2.2 | 16 | 11 | 2.2 |
| Входное напряжение ((v):3PH AC 380V±15% | ||||
| Z5400A0D75K-BF | 0.75 | 3.8 | 2.5 | 0.75 |
| Z5400A01D5K-BF | 1.5 | 5 | 3.7 | 1.5 |
| Z5400A02D2K-BF | 2.2 | 5.8 | 5 | 2.2 |
| Z5400A03D7K-BF | 3.7 | 10 | 9 | 3.7 |
| Z5400A05D5K-BF | 5.5 | 15 | 13 | 5.5 |
| Z5400A07D5K-BF | 7.5 | 20 | 17 | 7.5 |
| Z5400A0011K-BF | 11 | 26 | 25 | 11 |
| Z5400A0015K-BF | 15 | 35 | 32 | 15 |
| Z5400A0018K-BF | 18 | 38 | 37 | 18 |
| Z5400A0022K-BF | 22 | 46 | 45 | 22 |
| Z5400A0030K-BF | 30 | 62 | 60 | 30 |
| Z5400A0037K-BF | 37 | 76 | 75 | 37 |
| Z5400A0045K-BF | 45 | 92 | 90 | 45 |
| Z5400A0055K-BF | 55 | 113 | 110 | 55 |
| Z5400A0075K-F | 75 | 157 | 150 | 75 |
| Z5400A0090K-BF | 90 | 180 | 176 | 90 |
| Z5400A0110K-BF | 110 | 214 | 210 | 110 |
| Z5400A0132K-BF | 132 | 256 | 253 | 132 |
| Z5400A0160K-BF | 160 | 307 | 300 | 160 |
| Модель | Двигатель | Выходной ток | Размер установки ((мм) | |||||
| Общие размеры | ||||||||
| W | H | D | А. | В. | Φd | |||
| Z5200A0D75K-BF | 0.75 | 5 |
188 |
122 |
134 |
178 |
105 |
4 |
| Z5200A01D5K-BF | 1.5 | 7 | ||||||
| Z5200A02D2K-BF | 2.2 | 11 | ||||||
| Z5400A0D75K-BF | 0.75 | 2.5 | ||||||
| Z5400A01D5K-BF | 1.5 | 3.7 | ||||||
| Z5400A02D2K-BF | 2.2 | 5 | ||||||
| Z5400A03D7K-BF | 3.7 | 9 |
235 |
154 |
179 |
225 |
129 |
4 |
| Z5400A05D5K-BF | 5.5 | 13 | ||||||
| Z5400A07D5K-BF | 7.5 | 17 | ||||||
| Z5400A0011K-BF | 11 | 25 | ||||||
| Z5400A0D75K-BF-V | 0.75 | 2.5 |
140 |
190 |
138 |
130 |
160 |
4.5 |
| Z5400A01D5K-BF-V | 1.5 | 3.7 | ||||||
| Z5400A02D2K-BF-V | 2.2 | 5 | ||||||
| Z5400A03D7K-BF-V | 3.7 | 9 |
192 |
280 |
178 |
180 |
200 |
5.5 |
| Z5400A05D5K-BF-V | 5.5 | 13 | ||||||
| Z5400A07D5K-BF-V | 7.5 | 17 | ||||||
| Z5400A0011K-BF-V | 11 | 25 | ||||||
| Z5400A0015K-BF | 15 | 32 | ||||||
| Z5400A0018K-BF | 18 | 37 | 236 | 300 | 204 | 225 | 250 | 7 |
| Z5400A0022K-BF | 22 | 45 | ||||||
| Z5400A0030K-BF | 30 | 60 | 236 | 400 | 231 | 225 | 175+175 | 7 |
| Z5400A0037K-BF | 37 | 75 | ||||||
Примечание:
380v/0.75-11kw Горизонтальная установка и вертикальная установка существуют одновременно. -V указывает на вертикальную установку. Выше 15kw устанавливается вертикально.


Применение:

Двигатели серии Z5000-BF идеально подходят для использования в среде с высоким загрязнением и высокой влажностью, с отличной водостойкостью для предотвращения повреждения инвертора.
Во-первых, инвертор серии Z5000-BF использует конструкцию корпуса с высокой защитой, которая эффективно предотвращает попадание влаги, пыли и других загрязнителей во внутреннюю часть.Эта конструкция позволяет инвертору нормально работать в сильно загрязненной среде без вмешательства внешней среды.
Во-вторых, инвертор серии Z5000-BF использует профессиональную водонепроницаемую технологию для обеспечения надежности в условиях высокой влажности.Он имеет водонепроницаемую уплотнительную структуру и водонепроницаемую конструкцию проводки для эффективного предотвращения проникновения влаги в ключевые компоненты и снижения риска поврежденияНа влажных заводах, очистных сооружениях или на открытом воздухе серия Z5000-BF обеспечивает стабильную работу и защищает оборудование от влаги.
Кроме того, приводы серии Z5000-BF проходят строгие испытания защиты и контроль качества, чтобы обеспечить их надежность и долговечность в суровых условиях.Он имеет хорошую устойчивость к влаге и коррозии, может выдержать проблемы, связанные с высокой влажностью окружающей среды, и продлить срок службы.
Короче говоря, инвертор серии Z5000-BF является идеальным выбором для использования в среде с высоким загрязнением и высокой влажностью.Его водонепроницаемость и надежность позволяют защитить инвертор от повреждений в суровых условиях и обеспечить стабильную работу оборудованияНезависимо от того, в промышленном производстве, очистке воды, шахтах или других условиях с высокой влажностью, приводы серии Z5000-BF обеспечивают надежные решения для электрического привода.
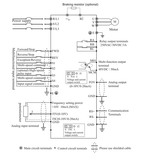
Типичная схема проводки:

1Каков ваш MOQ?
1 штука.
2Какие условия оплаты?
T/T 100% до доставки.
3Какой срок доставки?
Быстрая доставка - это наше преимущество, обычно в течение 10 дней.
4Как мы можем делать OEM/ODM?
Мы делаем OEM для более чем 40 брендов. Если ваш заказ достигнет определенного количества, мы можем сделать это для вас.