Инвертор серии ZONCN T8000D представляет собой компактное и мощное устройство, предназначенное для высокоточных приложений, таких как станки с ЧПУ.Он предлагает несколько преимуществ, которые делают его отличным выбором для точного контроля.
Одним из его основных преимуществ является поддержка управления вектором в замкнутом цикле.С управлением вектора с закрытым контуром, пользователи могут рассчитывать на повышение эффективности двигателя и экономию энергии.
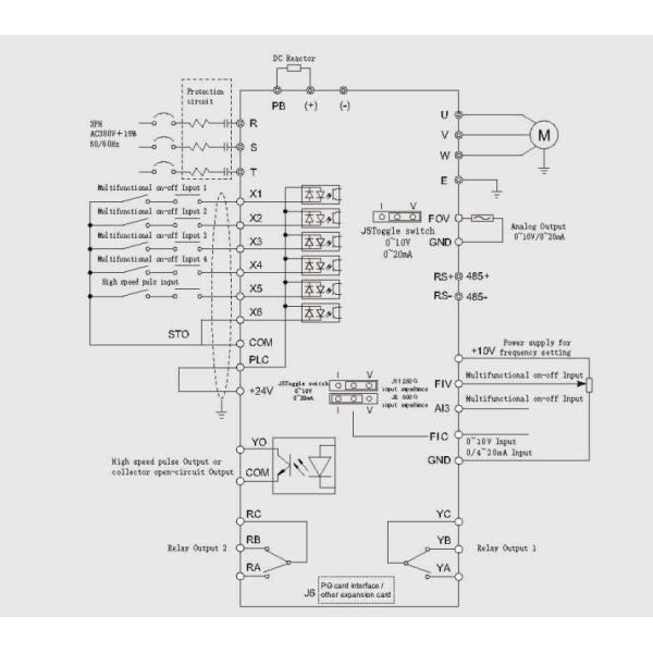
Серия T8000D также обеспечивает поддержку нескольких кодеров, позволяя пользователям выбирать из различных типов кодеров для обратной связи двигателей и управления положением.Эта гибкость позволяет улучшить возможности настройки и тонкой настройки системы управления.
Кроме того, инвертор совместим с различными картами PG, что позволяет интегрировать дополнительные функции и расширять его функциональность.Эта адаптивность позволяет пользователям адаптировать инвертор к их конкретным требованиям.
Серия T8000D совместима с различными типами двигателей, включая стандартные асинхронные двигатели, асинхронные двигатели с шпинделем, синхронные двигатели с постоянным магнитом,и спиндовых синхронных двигателейЭта широкая совместимость делает его подходящим для различных применений, предлагая универсальность и адаптивность.
Кроме того, серия T8000D оснащена функцией позиционирования шпинделя, что позволяет точно управлять шпинделем.Эта функция особенно полезна в высокоточных приложениях, таких как станки с ЧПУ, обеспечивая точную обработку.
Подводя итог, инвертор серии ZONCN T8000D - это компактное и универсальное устройство, которое поддерживает управление вектором закрытого цикла, поддержку нескольких кодеров, различные установки карт PG,и совместимость с различными типами двигателейЕго функциональность позиционирования шпинделя делает его идеальным выбором для высокоточных приложений, таких как станки с ЧПУ.
Кривая V/F:кривая V/F прямолинейной;Крива V/F многоточечной;Крива V/F N-силы (1.2-силы, 1.4-силы, 1.6-силы,10,8 в квадрате)
| Модель No. | Номинальная выходная мощность (кВт) | Номинальный входный ток ((A) | Номинальный выходный ток (A) | Мощность двигателя ((kW) |
| Т8400D-3R7G/5R5P | 3.7/5.5 | 10.0/15.0 | 9.0/13.0 | 3.7/5.5 |
| T8400D-5R5G/7R5P | 5.5/7.5 | 15.0/20.0 | 13.0/17.0 | 5.5/7.5 |
| Т8400D-7R5G/11P | 7.5/11 | 20.0/26.0 | 17.0/25.0 | 7.5/11 |
| Т8400D-11G/15P | "Слушай, что я говорю!" 15/11 | 26.0/35.0 | 25.0/32.0 | "Слушай, что я говорю!" 15/11 |
| Т8400D-15G/18R5P | 15/18.5 | 35.0/38.0 | 32.0/37.0 | 15/18.5 |
| Т8400D-18R5G/22P | 18.5/22 | 38.0/46.0 | 37.0/45.0 | 18.5/22 |
| Т8400D-22G/30P | 22/30 | 46.0/62.0 | 45.0/60.0 | 22/30 |
| Т8400D-30G/37P | 30/37 | 62.0/76.0 | 60.0/75.0 | 30/37 |
| Т8400D-37G/45P | 37/45 | 76.0/90.0 | 75.0/90.0 | 37/45 |

Q1: Каков ваш MOQ?
A: 1 п.ц.
Вопрос 2: Каковы ваши условия оплаты?
A: T / T 100% до доставки.
Q3: Каково ваше время доставки?
О:Обычно в течение десяти дней после получения полной оплаты.
Q4:Как я могу получить заказ OEM/ODM?
A: Если количество вашего заказа соответствует определенным требованиям, мы с радостью настроим его для вас.