·Компактный размер и недорогой дизайн
·Терминалы открыты, легко для проектирования проводки
·Установка на рельсах DIN (< 5,5 кВт)
·Modbus через RS485
·Функция без обслуживания
·Поддержка MODBUS ASCII связи
| Положения | Серия NZ100 |
| Входное номинальное напряжение, частота | Однофазный/трехфазный AC 220v/380v 50/60Hz |
| Диапазон входного напряжения | 170 ~ 240v ((220v); 330 ~ 440v ((380v) |
| Диапазон выходного напряжения | 0~220v ((220v);0~380v ((380v) |
| Диапазон выходной частоты | 0.1~400 Гц |
| Указание | Рабочее состояние/определение сигнализации/интерактивное руководство: настройка частоты, выходная частота/поток, напряжение постоянного тока и так далее. |
| Разрешение настройки частоты | Цифровой вход: 0,10 Гц, аналоговый вход: 0,1% от максимальной частоты выхода |
| Точность выходной частоты | 00,01 Гц |
| Управление VF | Настройка кривой V/F для удовлетворения различных требований к нагрузке |
| Увеличение крутящего момента | Автоматическое увеличение: автоматическое увеличение крутящего момента при нагрузке Условие;ручное увеличение:можно установить от 0,0 до 20,0% подъемного момента. |
| Многофункциональный терминал ввода | 4 многофункциональных входных терминалов, реализующих функции, включая управление скоростью восьми секций, запуск программы, четырехсекционный переключатель скорости ускорения/замедления,функция "вверх-вниз" и аварийная остановка и другие функции |
| Многофункциональный выходный терминал | 1 многофункциональные выходной терминалы для отображения хода, нулевой скорости, экстренной аномалии, работы программы и другой информации и предупреждений |
| Настройка времени ускорения/замедления | Время ускорения/замедления может быть установлено 0~999.9s |
| Управление PID | Встроенная функция PID |
| Автоматическое регулирование напряжения | Функция автоматического регулирования напряжения может быть выбрана |
| Настройка частоты |
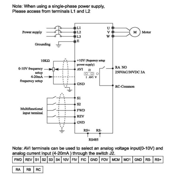
Аналоговый вход: 0 ~ 10 В, 4 ~ 20 мА Примечание: терминалы AVI могут использоваться для выбора аналогового входа напряжения ((AV) и аналогового входа тока (Al) через переключатель J2. |
| Многоскоростной | Четыре многофункциональных входных терминалов, 15 скорости секции может быть настроена |
| Автоматическое регулирование напряжения | Функция автоматического регулирования напряжения может быть выбрана |
| Счетчик | Встроенная 2 группасчетчики |
| Защита |
IP20 |

Серия NZ100 является экономичным и долговечным инвертором. Модель NZ100 широко используется в пищевых машинах, конвейерных лентах, уплотнительных машинах, небольших пищевых машинах и другом небольшом оборудовании.

Q1: Каков ваш MOQ?
A: 1 п.ц.
Вопрос 2: Каковы ваши условия оплаты?
A: T / T 100% до доставки.
Q3: Каково ваше время доставки?
О:Обычно в течение 15 дней после получения полной оплаты.
Q4:Как я могу получить заказ OEM/ODM?
A: Если количество вашего заказа соответствует определенным требованиям, мы с радостью настроим его для вас.