Инвертор Z2000 vfd ZONCN представляет собой высокопроизводительное, универсальное устройство регулирования скорости переменного тока для широкого спектра применений, особенно для деревообрабатывающих гравюрных машин.В области деревообрабатывающих гравировочных машинДля того, чтобы лучше удовлетворить потребности граверов по деревообработке, ZONCN vfd также предлагает профессиональное программное обеспечение для граверов по деревообработке.что делает процесс ввода в эксплуатацию простым и легким в использованииПользователи могут легко устанавливать и регулировать параметры работы машины для гравировки с помощью программного обеспечения, чтобы достичь эффективных и точных операций гравировки.
Инвертор Z2000 vfd также имеет ряд других защитных мер, таких как защита от короткого замыкания, защита от низкого напряжения и т. д.для обеспечения стабильной работы оборудования в различных экстремальных условияхЭти функции защиты не только повышают надежность инвертора, но и продлевают срок службы оборудования.
Подводя итог, инвертор Z2000 vfd от ZONCN имеет широкий спектр перспектив применения в области деревообрабатывающих гравировочных машин,и его профессиональная поддержка программного обеспечения и мощные функции защиты делают его идеальным выбором для пользователей.
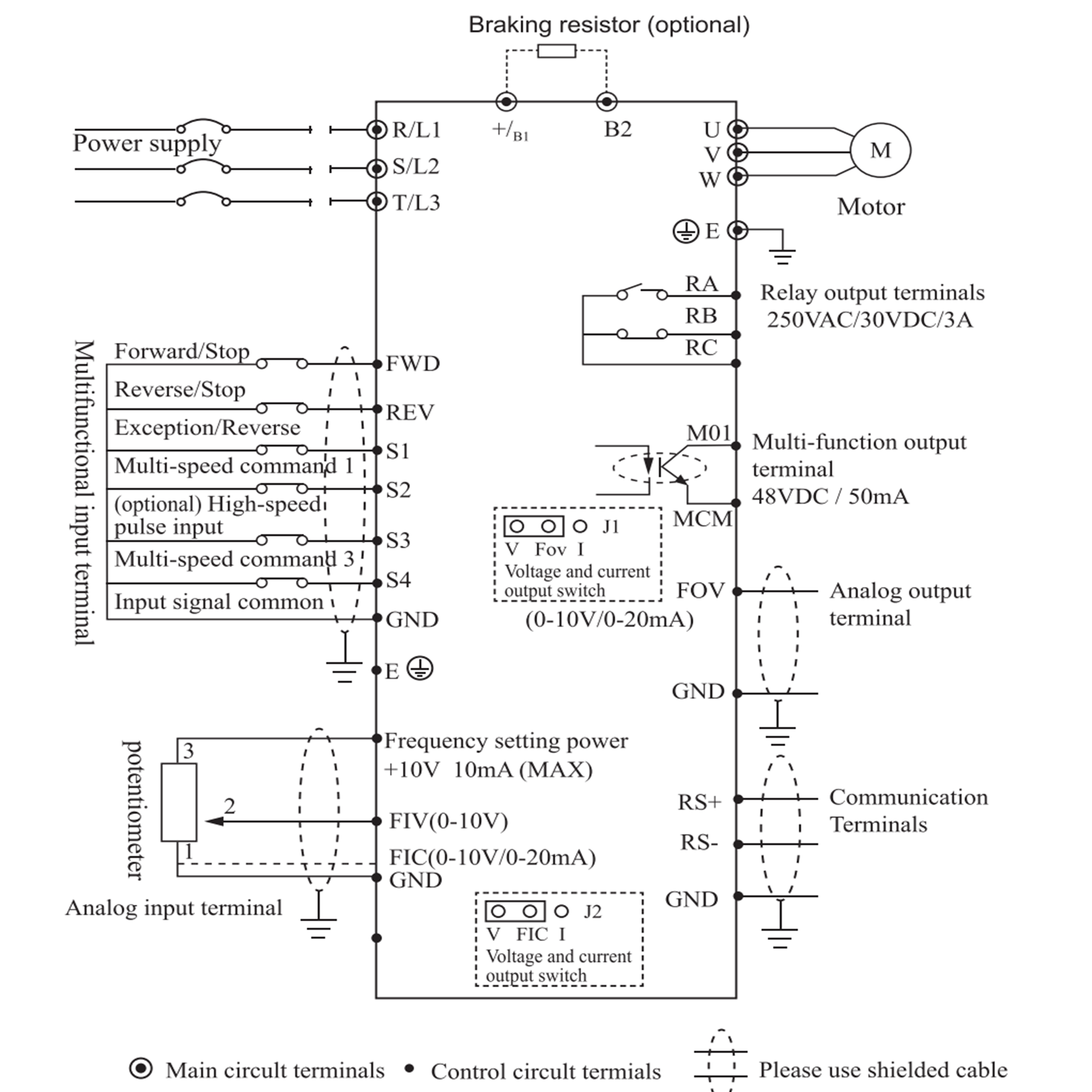
| Положение | Инвертор VFD серии Z2000 |
| Режим управления | Управление бессмысленным вектором потока (SFVC); Управление напряжением/частотой (V/F) |
| Максимальная частота | Векторное управление: 0-320 Гц; управление V/F: 0-3200 Гц. |
| Частота носителя | 1-16 кГц;Частота носителя автоматически адаптируется в соответствии с характеристиками нагрузки. |
| Раствор входной частоты | Цифровая настройка: 0,01 Гц Аналоговая настройка: максимальная частота x 0,025% |
| Начальный момент | Тип G: 0,5 Гц/150% ((SFVC) ; тип P: 0,5 Гц/100% |
| Диапазон скоростей | 1:100 |
| Точность стабильности скорости | ± 0,5% |
| Мощность перегрузки | Тип G: 60 с при 150% номинального тока, 3 с при 180% номинального тока. Тип P: 60 с при 120% номинального тока, 3 с при 150% номинального тока. |
| Увеличение крутящего момента | Автоматическое увеличение или индивидуальное увеличение 0,1% - 30,0% |
| В/Ф лечение | Кривая линии V/F; многоточечная кривая V/F; кривая VI/F N-powor |
| Сепарация V/F | Два типа: полное разделение; полуразделение |
| Режим пролёта | Прямолинейная рампа; рампа с S-кривой;Четыре группы времени ускорения/замедления в диапазоне 0,0-6500,0 с |
| Тормозное действие постоянного тока | Частота торможения постоянного тока:00,0 Гц до максимальной частоты Время торможения: 0,0-100,0 с; значение тока торможения: 0,0-100,0% |
| Контроль JOG | J0G диапазон частот:0Время ускорения/замедления JOG: 0,0~6500,0 с |
| Встроенные множественные предустановки скорости | Он реализует до 16 скоростей через простую функцию PLC или комбинацию X терминальных состояний |
| Встроенный PID | Он осознает процесс-контролируемой системы управления замкнутой цепью легко |
| Автоматическое регулирование напряжения (AVR) | Он способен поддерживать постоянное выходное напряжение даже при колебаниях напряжения в сети. |
| Автомобильное напряжение/перенапряжение Управление стойкой | Ток и напряжение ограничиваются автоматически во время процесса работы, чтобы избежать частых сбоев из-за перенапряжения / перенапряжения |
| Предел скоростного тока | Это помогает избежать частых сверх текущих неисправностей AC привода vfd |


Vfd серии Z2000 находит широкое применение в вентиляторах, насосах, компрессорах, токарных станках, двигателях с шпинделями, текстильных машинах, оборудовании для переработки пищевых продуктов, дробилках, упаковочных машинах, печатных машинах,стиральные машины, конвейерные системы, шлифовальные машины, полирующие машины и различные другие виды оборудования.
Q1: Каков ваш MOQ?
A: 1 п.ц.
Вопрос 2: Каковы ваши условия оплаты?
A: T / T 100% до доставки.
Q3: Каково ваше время доставки?
О:Обычно в течение 15 дней после получения полной оплаты.
Q4:Как я могу получить заказ OEM/ODM?
A: Если количество вашего заказа соответствует определенным требованиям, мы с радостью настроим его для вас.