В современной промышленности инвертор как основное оборудование управления двигателем, его производительность и ценовой баланс были в центре внимания предприятий.Инвертор T9000 vfd стал первым выбором для многих предприятий благодаря своим отличным характеристикам.Нельзя недооценивать техническую прочность инвертора T9000 vfd в управлении двигателем.Он может обеспечивать управление вектором с открытой и закрытой петлями, чтобы двигатель мог поддерживать эффективную и стабильную работу в различных условиях.Применение технологии векторного управления позволяет инвертору T9000 vfd точно контролировать скорость, крутящий момент и положение двигателя.для достижения высокоточного и высокоэффективного привода двигателяВ дополнение к управлению вектором, инвертор T9000 также имеет встроенную функцию управления V / F, которая позволяет двигателю плавно запускаться при большой нагрузке.,Управление V/F позволяет двигателю получать достаточный крутящий момент во время запуска, тем самым избегая сбоя запуска или повреждения двигателя из-за большой нагрузки.Эта особенность особенно важна для промышленных применений., особенно в тех случаях, когда требуется частое запуск и остановка.
| Положение | Инвертор VFD серии T9000 |
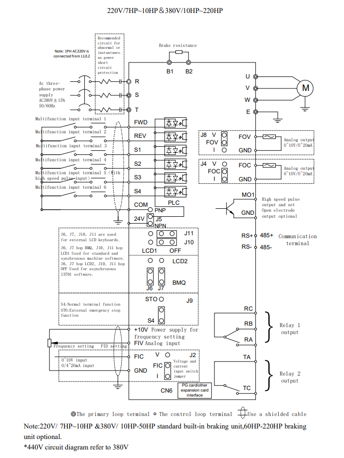
| Режим управления | Управление V/F;Управление вектором с открытой петлей (без PG);Управление вектором с закрытой петлей (с PG) |
| Максимальная частота | 0~600 Гц |
| Частота носителя | 0.5 кГц ~ 16 кГц Частота носителя автоматически регулируется на основе характеристик нагрузки. |
| Разрешение частоты ввода | Цифровая настройка:00,01 Гц Аналоговая настройка: Максимальная частота 0,025% |
| Начальный момент | Тип G: 0,5 Гц/150% ((SFVC) ; тип P: 0,5 Гц/100% |
| Диапазон скоростей | 100 (SVC) |
| Точность стабильности скорости | ± 0,5% ((SVC) |
| Мощность перегрузки | Тип G: 60 с при 150% номинального тока, 3 с при 180% номинального тока. P тип: 60 с при 120% номинального тока, 3 с при 150% номинального тока. |
| Увеличение крутящего момента | Автоматическое увеличение или индивидуальное увеличение 0,1% - 30,0% |
| В/Ф лечение | кривая VF прямолинейной линии; кривая VF многоточечной линии; кривая VF N-силы(1,2-силы,1.4 мощности,1.6 мощности,10,8 кв.м.) |
| Сепарация V/F | 2 типа: полное разделение;полуразделение |
| Режим пролёта | Прямая рампа; четыре группы времени ускорения/замедления с диапазоном 0,00'6500.0s |
| Простой ПЛК, несколько предопределенных скоростей | Он реализует до 16 скоростей через простую функцию PLC или комбинацию терминальных состояний |
| Автоматическое регулирование напряжения | Он может поддерживать постоянное выходное напряжение автоматически, когда напряжение сети меняется |
| Предел скоростного тока | Это помогает избежать частых сбоев переменного тока. |
| Ограничение и регулирование крутящего момента | Он может автоматически ограничивать крутящий момент и предотвращать частые перенапряжения в процессе работы. |
| Поддержка нескольких карт PG | Поддержка дифференциальной входной карты PG, карты PG резюмера, карты PG вращающегося трансформатора |
| Предел скоростного тока | Это помогает избежать частых сбоев переменного тока. |
| Контроль времени | Диапазон времени:0.0мин ~6500.0мин |
| Модель | Номинальная выходная мощность (кВт) | Номинальный входный ток (A) | Номинальный выходный ток (A) | Мощность двигателя (кВт) |
| Входное напряжение: 1PH/3PH AC 220V±15% | ||||
| T9200-0R4G | 0.4 | 5.4 | 2.5 | 0.4 |
| T9200-0R75G | 0.75 | 7.2 | 5 | 0.75 |
| T9200-1R5G | 1.5 | 10 | 7 | 1.5 |
| T9200-2R2G | 2.2 | 16 | 11 | 2.2 |
| T9200-3R7G | 3.7 | 17 | 16.5 | 3.7 |
| T9200-5R5G | 5.5 | 26 | 25 | 5.5 |
| T9200-7R5G | 7.5 | 35 | 32 | 7.5 |
| Входное напряжение ((v):3PH AC 380V±15% | ||||
| T9400-0R4G | 0.4 | 3.4 | 1.2 | 0.4 |
| T9400-0R75G | 0.75 | 3.8 | 2.5 | 0.75 |
| T9400-1R5G | 1.5 | 5 | 3.7 | 1.5 |
| T9400-2R2G | 2.2 | 5.8 | 5 | 2.2 |
| T9400-3R7G/5R5P | 3.7/5.5 | "Слушай, что я говорю!" 15/10 | 9/13 | 3.7/5.5 |
| T9400-5R5G/7R5P | 5.5/7.5 | 15/20 | 13/17 | 5.5/7.5 |
| Т9400-7R5G/11P | 7.5/11 | 20/26 | 17/25 | 7.5/11 |
| T9400-11G/15P | "Слушай, что я говорю!" 15/11 | 26/35 | 25/32 | "Слушай, что я говорю!" 15/11 |
| T9400-15G/18.5P | 15/18.5 | 35/38 | 32/37 | 15/18.5 |
| T9400-18.5G/22P | 18.5/22 | 38/46 | 37/45 | 18.5/22 |
| T9400-22G/30P | 22/30 | 46/62 | 45/60 | 22/30 |
| Т9400-30G/37P | 30/37 | 62Z76 | 60/75 | 30/37 |
| T9400-37G/45P | 37/45 | 76/90 года | 75/90 | 37/45 |
| T9400-45G/55P | 45/55 | 92/113 | 90/110 | 45/55 |
| T9400-55G | 55 | 113 | 110 | 55 |
| T9400-75P | 75 | 157 | 150 | 75 |
| T9400-75G/90P | 75/90 | 157/180 | 150/176 | 75/90 |
| T9400-90G/110P | 90/110 | 180/214 | 176/210 | 90/110 |
| T9400-110G/132P | 110/132 | 214/256 | 210/253 | 110/132 |
| T9400-132G/160P | 132/160 | 256/307 | 253/300 | 132/160 |
| T9400-160G/185P | 160/185 | 307/355 | 300/340 | 160/185 |
| T9400-185G/200P | 185/200 | 355/385 | 340/380 | 185/200 |
| Т9400-200G/220P | 200/220 | 385/430 | 380/420 | 200/220 |
| T9400-220G/250P | 220/250 | 430/475 | 420/470 | 220/250 |
| Т9400-250G/280P | 250/280 | 475/525 | 470/520 | 250/280 |
| T9400-280G/315P | 280/315 | 525/610 | 520/600 | 280/315 |
| T9400-315G/350P | 315/350 | 610/665 | 600/640 | 315/350 |


В практическом применении инвертор T9000 vfd получил широкое признание.после внедрения частотного преобразователя T9000, уровень отказов оборудования значительно снижается, а эффективность производства увеличивается более чем на 20%.Эти данные полностью доказывают превосходную производительность и стабильную надежность инвертора T9000 vfd в промышленной области.
Q1: Каков ваш MOQ?
A: 1 п.ц.
Вопрос 2: Каковы ваши условия оплаты?
A: T / T 100% до доставки.
Q3: Каково ваше время доставки?
О:Обычно в течение 15 дней после получения полной оплаты.
Q4:Как я могу получить заказ OEM/ODM?
A: Если количество вашего заказа соответствует определенным требованиям, мы с радостью настроим его для вас.