Спецификации
Номер модели :
LT-SW4TA-005120S
Место происхождения :
Китай
Минимальное количество заказов :
1
Условия оплаты :
T/T
Время доставки :
4 недели
Подробная информация об упаковке :
Картонная упаковка
Описание
0.5 до 12 ГГц SP4T Absorptive PIN Diode Switch
Обзор продукции

PIN-диодный переключатель серии LT-SW предназначен для применения в беспроводной связи, оснащен прочным алюминиевым корпусом и надежной производительностью в широком температурном диапазоне.

Ключевые особенности
  • Диапазон частот: от 0,5 до 12 ГГц
  • Алюминиевый корпус для долговечности
  • Рабочая температура: от -40°C до +85°C
  • Время быстрого переключения: 100 нс
  • Соответствует требованиям CE, RoHS, REACH
  • Гарантия 1 год
Технические спецификации
Параметр Спецификация Условия
Номер части LT-SW4TA-005120S
Тип Поглощающий
Конфигурация SP4T
Диапазон частот 0от 0,5 до 12 ГГц
Потеря вставки 3 дБ
Изоляция 60 дБ
Скорость переключения 100 нс
Контроль TTL
Вход/выход VSWR 2.0:1
Сила ввода 1 Вт
Силовое питание (предвзятость) +5В / 200mA
-5В / 50mA
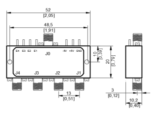
Размер 52×20×10,2 мм
Примечание: для индивидуальных спецификаций, пожалуйста, свяжитесь с нами напрямую.
Очертание контуры
0.5 до 12 ГГц SP4T Absorptive PIN Diode Switch
Отправьте сообщение этому поставщику
Отправляй сейчас

0.5 до 12 ГГц SP4T Absorptive PIN Diode Switch

Спросите последнюю цену
Номер модели :
LT-SW4TA-005120S
Место происхождения :
Китай
Минимальное количество заказов :
1
Условия оплаты :
T/T
Время доставки :
4 недели
Подробная информация об упаковке :
Картонная упаковка
Контактный поставщик
0.5 до 12 ГГц SP4T Absorptive PIN Diode Switch

Sichuan ZR Hi-Tech Ltd.

Active Member
2 Годы
sichuan, chengdu
С тех пор 2016
Общее годовое :
1000000-3000000
Количество работников :
100~200
Уровень сертификации :
Active Member
Контактный поставщик
Требование о предоставлении