Волоконно-оптический инерциальный измерительный блок, оптоволоконный гироскоп с замкнутым контуром и акселерометр с высокой производительностью
Волоконно-оптический инерциальный измерительный блок IMU300F-DGI состоит из трехосного оптоволоконного гироскопа с замкнутым контуром и акселерометра с высокими экономическими характеристиками и реализован с помощью алгоритма слияния нескольких датчиков и навигационного расчета для удовлетворения требований для точное измерение информации, такой как ориентация, курс и положение в областях применения, таких как мобильные измерительные системы средней и высокой точности, а также средние и большие беспилотные летательные аппараты.
| Гироскоп | Диапазон измерения | ±400°/с / ±500°/с опционально |
| Стабильность нулевого смещения | ≤0,3°/ч | |
| Акселерометр | Диапазон измерения | ±20г |
| Стабильность нулевого смещения | ≤100 мкг | |
| Физические размеры и электрические характеристики | Напряжение | 12-32 В постоянного тока |
| Потребляемая мощность | ≤ 12 Вт (в установившемся режиме) | |
| Интерфейс | 2-канальный RS232, 1-канальный RS422, 1-канальный PPS (уровень LVTTL/422) | |
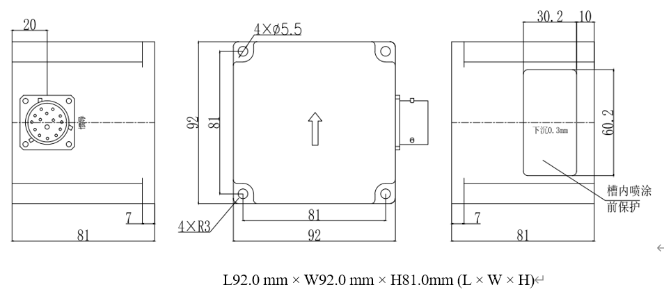
| Размер | 92,0 мм × 92,0 мм × 81,0 мм (Д, Ш, В) | |
| Масса | ≤1,0 кг | |
| Экологические характеристики | Рабочая Температура | -40℃~+60℃ |
| Температура хранения | -45℃~+70℃ | |
| Вибрация | 5 ~ 2000 Гц, 6,06 г (с амортизатором) | |
| Влияние | 30 г, 11 мс (с ударом) | |
| Срок жизни | > 15 лет | |
| Непрерывное рабочее время | >24ч |
Функции и индикаторы:
Система имеет интегрированный инерциально-спутниковый навигационный режим и чисто инерциальный режим.
В режиме инерциальной/спутниковой интегрированной навигации информация о местоположении спутника, полученная внутренним приемником GNSS, может использоваться для интегрированной навигации, а также могут быть выведены данные о тангаже, крене, курсе, положении, скорости, времени и другой информации носителя;После потери сигнала выводятся положение, скорость и ориентация инерциального решения, в котором требуется точное поддержание тангажа и крена с определенной функцией удержания курса за короткое время и точностью позиционирования на уровне метра за короткое время. короткое время.
После запуска чистого инерциального режима (т. е. слияние GPS никогда не выполнялось после включения питания, и если он снова теряет блокировку после слияния, он относится к интегрированному навигационному режиму), он имеет функцию точного измерения положения, может выводить курс по тангажу и крену, а чисто инерционный режим может статически определять север.
Размер:
