Одиночный акселерометр кварца оси, измеритель вибраций сгибания, датчик вибрации управления полетом
Описания
акселерометр кварца гибкий миниатюризирован, высокие температуры и акселерометры удара устойчивый. Продукт имеет превосходное
Особенности как повторимость, представление запуска, сопротивление высокой температуры и удара, и высокая надежность, можно использовать для обоих статический испытывать и динамическое испытание.
Тест государства также стандартный датчик вибрации.
Продукт принимает уникальную миниатюризацию, высокую температуру и сейсмический дизайн, предварительную технологию упаковки и особенные цепи.
Подача пропорциональна к ускорению входного сигнала, и потребитель может выбрать соответствующий пробуя резистор вычислением для того чтобы достигнуть высокоточного выхода. И
Встроенный датчик температуры согласно потребностям пользователя, могущие понадобиться для того чтобы возмещать потерю смещенное значение и коэффициент эффекта масштаба для уменьшения удара температуры окружающей среды.
Зоны применения: испытание изоляции измерения и вибрации наклонения бурения нефтяных скважин аппаратур точности.
Режимные характеристики
| Нет. | Параметры | JB1-01 |
| 1 | Ряд | ±50g |
| 2 | Порог | 5μg |
| 3 | Косой k0 /K1 | ≤±3mg1 |
| 4 | Коэффициент эффекта масштаба k1 | 1.05~1.30 Ma/g |
| 5 | Второй коэффициент k2 нелинейности заказа | ≤±10μg /g2 |
| 6 | 0g 4 часа недолгосрочной стабильности | μg ≤10 |
| 7 | 1g 4 часа недолгосрочной стабильности | ≤10 ppm |
| 8 | Косое всестороннее σK0 повторимости (1σ, 1 месяц) | μg ≤10 |
| 9 | ΣK1 /K1 повторимости коэффициента эффекта масштаба всестороннее (1σ, 1 месяц) | ≤15ppm |
| 10 | Повторимость k2 /K1 коэффициента нелинейности всесторонняя (1σ, 1 месяц) | ≤±10 μg /g2 |
| 11 | Косой термальный коэффициент (полный temp. середина) | ≤±10 μg/℃ |
| 12 | Коэффициент коэффициента эффекта масштаба термальный (полный temp. середина) | ≤±10 ppm/℃ |
| 13 | Шум (пробуя сопротивление 840Ω) | ≤5mv |
| 14 | Естественная частота | 400~800 Hz |
| 15 | Ширина полосы частот | 800~2500 Hz |
| 16 | Случайная вибрация | 6g (20-2000Hz) |
| 17 | Удар | 100g, 5ms, 1/2sin |
| 18 | Работая temp. | -55~+85℃ |
| 19 | Temp магазина. | -60~+120℃ |
| 20 | Электропитание | ±12~±15V |
| 21 | Уничтожьте настоящее | ≤±20mA |
| 22 | Термальный датчик | Ориентированный на заказчика |
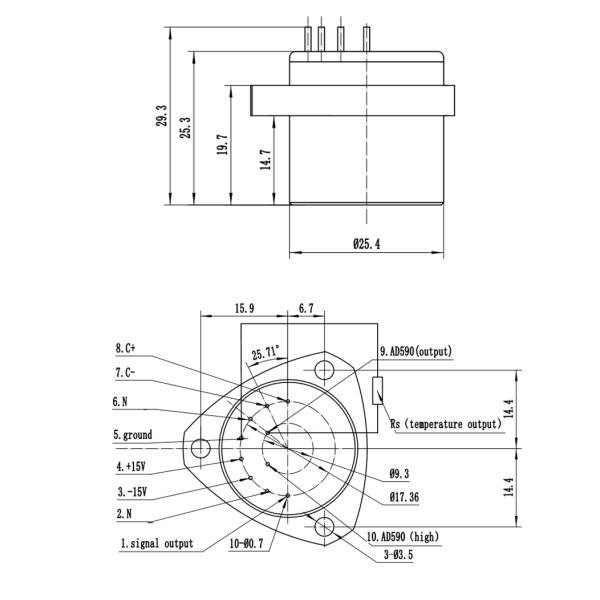
| 23 | Размер | Ф25.4X30mm |
| 24 | Вес | ≤80g |
Характеры
●Низкое запаздывание
●Высокое разрешение
●Высокая стабильность
●Высокая точность
●Низкая мощность
●Превосходная емкость перегрузки
●Небольшой том
●Низкая цена
●Широкий ряд измерения
Размер:

Применения
●Сверлить и измерение наклонения
●Аеронавтика и астронавтика
●Аппаратуры и оборудование