инерциальный акселерометр измерения, высокоточный датчик кварца вибрации, акселерометр инерциальной навигационной системы
Особенности
Течение выхода продукта имеет линейное отношение с силой или ускорение получило, и потребитель может выбрать соотвествующий пробуя резистор через вычисление для того чтобы достигнуть высокоточного выхода. Датчик температуры может быть встроен согласно потребностям пользователя, могущие понадобиться для того чтобы компенсировать смещенное значение и коэффициент эффекта масштаба для уменьшения влияния температуры окружающей среды.
Области применения: инерциальное измерение военных высокоточных инерциальных навигационных систем в воздушно-космическом пространстве, авиации, кораблях, оружиях и других полях и испытании изоляции вибрации аппаратур и оборудования точности.
Акселерометр кварца серии JB2 гибкий продукт высокоточного, больш-ряда (до 100g) военный инерциальной навигации ранга акселерометра с превосходной долгосрочной стабильностью, повторимостью, представлением запуска, экологической приспособляемостьью и высокой надежностью. Его можно использовать для статический испытывать так же, как динамическое испытания, и это также стандартный датчик вибрации.
Применения
Режимные характеристики
| Нет. | Параметры | JB2 |
| 1 | Ряд | ±70g |
| 2 | Порог | 5μg |
| 3 | Косой k0 /K1 | mg ≤±5 |
| 4 | Коэффициент эффекта масштаба k1 | 0.8~1.5 mA/g |
| 5 | Второй коэффициент k2 нелинейности заказа | ≤±20μg /g2 |
| 6 | 0g 4 часа недолгосрочной стабильности | μg ≤20 |
| 7 | 1g 4 часа недолгосрочной стабильности | ≤20 ppm |
| 8 | Косое всестороннее σK0 повторимости (1σ, 1 месяц) | μg ≤30 |
| 9 | ΣK1 /K1 повторимости коэффициента эффекта масштаба всестороннее (1σ, 1 месяц) | ≤50 ppm |
| 10 | Повторимость k2 /K1 коэффициента нелинейности всесторонняя (1σ, 1 месяц) | ≤±30 μg /g2 |
| 11 | Косой термальный коэффициент (полный temp. середина) | ≤±50 μg/℃ |
| 12 | Коэффициент коэффициента эффекта масштаба термальный (полный temp. середина) | ≤±50 ppm/℃ |
| 13 | Шум (пробуя сопротивление 840Ω) | ≤5mv |
| 14 | Естественная частота | 400~800 Hz |
| 15 | Ширина полосы частот | 800~2500 Hz |
| 16 | Случайная вибрация | 6g (20-2000Hz) |
| 17 | Удар | 100g, 5ms, 1/2sin |
| 18 | Работая temp. | -55~+85℃ |
| 19 | Temp магазина. | 60~+120℃ |
| 20 | Электропитание | ±12~±15V |
| 21 | Уничтожьте настоящее | ≤±20mA |
| 22 | Термальный датчик | Ориентированный на заказчика |
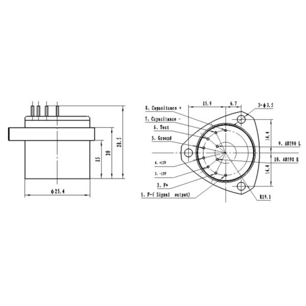
| 23 | Размер | Ф25.4X30mm |
| 24 | Вес | ≤80g |
Шоу продукта

Размеры

Проверка качества
Мы имеем 1 лет гарантии и пожизненное обслуживание
4. Что ваши сроки поставок?
Мы принимаем EXW, ОБМАНЫВАЕМ, CFR, CIF, DDU, DDP, etc. вы можете выбрать одно которое самые удобные или рентабельно для вас.