собрание волчка двойн-оси MEMS оси IMU mems 2 интегрирует высокопроизводительные волчки MEMS в независимом
Волчок двойн-оси MEMS M20a датчик двойн-оси MEMS инерциальный с высокой надежностью и высоким стоить представлением, которую можно широко использовать в полях навигации, контроля и измерения представленных стабилизацией ориентации. Волчки MEMS с высокой шириной полосы частот, низкие задержка и малошумный использованы в системе, и они имеют хорошую механическую приспособляемостьь окружающей среды, которая может обеспечить гарантию для стабилизированного контроля сложных продуктов.
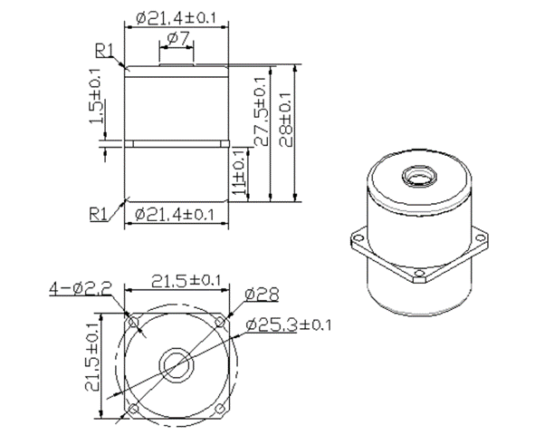
Собрание волчка двойн-оси MEMS M20 a интегрирует высокопроизводительные волчки MEMS в независимой структуре, и волчки выбранные для модуля представляют ведущий уровень инерциальных приборов в технологии MEMS. Все электронные блоки в модуле локализованное 100%. Угловое движение чувствительной несущей волчка двойн-оси MEMS, компенсации нулевого положения, коэффициента эффекта масштаба, не-ортогональной ошибки и других параметров всех параметров температуры унесено в модуле, который может поддерживать высокую точность измерения в течение длительного времени. В то же время, модуль устанавливает структурный герметизируя дизайн и другие правила обеспечить что продукт может точно измерить параметры углового движения несущей в жесткие окружающие среды, таким образом обеспечивающ потребителей с решениями недорогих и высоко-надежности.

| Волчок MEMS | |
| Модель | M20A |
| Пядь ((/s) | 400 |
| Нул ((/s, 1σ) | ≤0.01 |
| стабильность Нул-смещения ((/H, 10s ровные) | ≤3 |
| повторимость Нул-смещения (/H) | ≤3 |
| Нелинейность коэффициента эффекта масштаба (ppm) | ≤100 |
| Ширина полосы частот (Hz) | ≥250 |
| Система | |
| Сила (v) | 5 |
| Сила (w) | 1 |
| Стартовое временя (s) | 2 |
| Интерфейс связи | RS-422 |
| Тариф обновления (Hz) | 200 |
| Размеры (× mm mm) | Φ21.5×30 |
| Вес, g | ≤100 |
| Окружающая среда пользы | |
| Рабочая температура (℃) | -40~60 |
| Температура хранения (℃) | -55~85 |
| Вибрация (g, Rms) | 12 |
| Удар (g) | 10000g |
| Надежность | |
| MTBF (h) | 200000 |