AGV полезной нагрузки 1000kg 8inch катит сверхмощные промышленные колеса Omni резиновые робототехнические

Модульные приводы колеса с емкостью нагрузки до 5000Kg
Мы решения drivetrain и движения доставки мобильные для конструкции, земледелия, погрузо-разгрузочной работы, и очищая индустрии. Wheeldrives ZHLUN конструированы как monoblock включая мотор, редуктор и катят в неразъемное решение для удобной и легкой установки кораблей.
Самое простое решение для того чтобы двинуть ваше AGVs. 2 линейных коробки передач оси совмещают 2 мотора с интегрированными аварийными тормозами. Двойное колесо управляет тракцией позволяет высоким скоростям передачи.

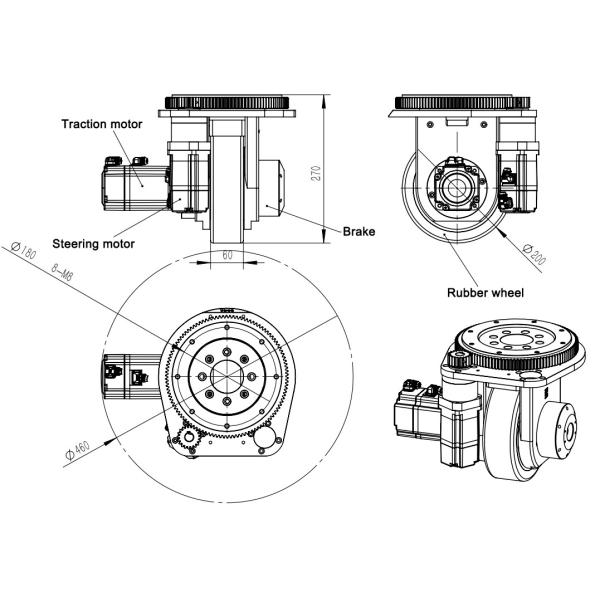
Руль двигатель интегрированной механической структуры интегрируя, мотор управления рулем, планетарный редуктор, etc. он интегрирует продукт, идти, тракция и управляющие функции, и может нагрузить и отбуксировать более тяжелые товары. Он может быстро раскрыть AGVs, мобильные роботы, etc. совершенно для того чтобы соотвествовать прикладным требованиям AGV.
Решение безредукторной передачи с нул отрицательными реакциями. 4 небольших привода колеса позволят вашему AGV двинуть и расположить совершенно где требуется.
оно способное на выпускать до 1200Nm вращающего момента в след-ширине как раз 450mm. Доступный с различными диаметрами колеса и коэффициентами шестерни, ZHLUN Serie стоит как новый стандарт для рынка AGV.

Система принимает двигатель и управляя мотор с электромагнитной функцией тормоза, которая может эффектно предотвратить платформу от двигать должный к отказу источника питания тела автомобиля, которое влияет на разборку и стоянку раздела барабанчика на платформе тела автомобиля, таким образом улучшая стабильность деятельности. и безопасность.
| 1 | Высота установки | дюйм | 10,23 |
| 2 | Ширина проступи | дюйм | 3,14 |
| 3 | Диаметр колеса | дюйм | 8 |
| 4 | Коэффициент скорости колеса | / | 1:30/1:42/1:75/1:90 |
| 5 | Скорость | m/min | 20-200 |
| 6 | Максимальная нагрузка | KG | 1000 |
| 7 | Тракторный двигатель | W | 100-2000 |
| 8 | Управляя мотор | W | 100-400 |
| 9 | Управляя коэффициент скорости | / | 1:20/1:28/1:50 |
| 10 | Напряжение тока мотора | V | DC24/48, AC220 |
| 11 | Датчик угла | / | Опционный |
| 12 | Идя кодировщик | / | Опционный |
| 13 | Управляя датчик предела | / | NPN/PNP |
| 14 | Тормоз | Nm | 6Nm 48V |
| 15 | Вес | KG | 40 |
Технологию Ltd. науки колеса премудрости Гуанчжоу основала 2018, мы конструирует, изготовляет и продает agv, собрание приводного колеса, моторы DC/AC, кодировщик, редуктор шестерни, регулятор, колесо рицинуса, колесо PU, мотор в блоках колеса и во всем мире.
Приводы колеса серии колеса привода мотора ZHLUN отличают интегрированным дизайном который обеспечивает увеличенные представление и надежность на доступной цене сравненной к традиционным комбинациям мотора/коробки передач/колеса. Как со всеми продуктами ZHLUN, приводы колеса серии ZL ориентированный на заказчика для того чтобы соотвествовать специфическим прикладным требованиям.

Каждые высокопрочные эпицентр деятельности колеса и материал больш-качества обеспечивают серии превосходное представление. Колесо Omni серии колеса привода мотора ZHLUN также приспосабливается к различным крытым и на открытом воздухе случаям. Его можно использовать в индустрии. установите на платформу сверхмощного omni двигая для того чтобы сделать платформу вращать к направлениям omni. И оно главным образом используемое в индустрии, мастерской, AGV и так далее. Она может даже использованный на оборудовании шоу этапа.