Широко использованный в индустрии 500W управляя колесом привода Agv для оборудования автоматизации
Спецификация
|
Деталь
|
Данные по мотора
|
|
Модель
|
ZL-170
|
|
Тип мотора
|
Сервопривод/безщеточное
|
|
Данные по тракции
|
|
|
Расклассифицированная сила (w)
|
100-750 w опционный
|
|
Расклассифицированное напряжение тока (v)
|
DC24-48 V, AC220V
|
|
Проектная скорость (rpm)
|
3000 r/min
|
|
Расклассифицированный вращающий момент (N.m)
|
0.32-2.39 Nm
|
|
Коэффициент шестерни (I)
|
34.14i
|
|
Диаметр колеса (mm)
|
125 mm
|
|
Кодировщик
|
Опционный
|
|
Управляя данные
|
|
|
Минута силы S2-60
|
50-90 w опционный
|
|
Расклассифицированное напряжение тока
|
DC24-48 V, AC220V
|
|
Скорость тарифа
|
3000 r/min
|
|
Вращающий момент тарифа
|
0.16-0.29 Nm
|
|
Полный коэффициент уменьшения
|
ориентированный на заказчика
|
|
Кодировщик
|
Опционный |


Описание
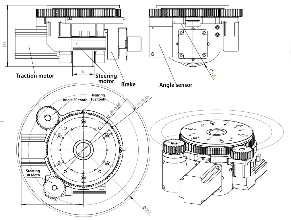
Руль двигатель интегрированной механической структуры интегрируя, мотор управления рулем, планетарный редуктор, etc. он интегрирует продукт, идти, тракция и управляющие функции, и может нагрузить и отбуксировать более тяжелые товары. Он может быстро раскрыть AGVs, мобильные роботы, etc. совершенно для того чтобы соотвествовать прикладным требованиям AGV.
Поэтому, привод руля направление развития применений AGV. Сравненный с методом управления скоростью традиционной вагонетки AGV дифференциальным, руль имеет высокую интеграцию, сильную приспособляемостьь, более высокую точность и более быстрый ответ при использовании с системой сервопривода.

Множества рули были развиты для того чтобы быть применимы к различным промышленным полям. Из-за различных потребностей клиента и окружающих сред пользы, мы также обеспечиваем подгонянные колеса привода.
(Как высота установки, материал поверхности колеса, шестерня, скорость, кодировщик, etc.)
Преимущество
1 серия руля может снести 100KG-10000KG одиночным колесом.
2 выберите высокомощные двигатели и типы согласно требованиям клиента.
3 разнообразие коэффициента скорости можно выбрать, позволяющ небольшой силе сделать большие нагрузки.
4 низких высоты установки, как низко как 130mm

Особенности
Небольшой размер: принимает интегрированный дизайн, небольшой размер и легковес;
Простая деятельность: интегрированная функция автоматический центризовать;
Сильная приспособляемостьь: В ответ на мобильные требования машины, компоненты ядра оборудованы с противоударной системой, которая эффектно предотвращает повреждение к компонентам ядра машины должной к случайным ударам во время транспорта и пользы оборудования;
Различные формы установки: горизонтальный и вертикальный
Разнообразные выборы: Электропитание AC или DC;
Привод и управляя интегрированные продукты колеса привода


Q1. Что ваши термины паковать?
: Вообще, мы пакуем наши товары в нейтральных белых коробках и коричневых коробках. Если вы законно регистрировали патент, то
мы можем упаковать товары в ваших заклеймленных коробках после получать ваши письма утверждения.
Q2. Что ваши условия платежа?
: T/T 30% как депозит, и 70% перед доставкой. Мы покажем вам фото продуктов и пакетов
прежде чем вы оплачиваете баланс.
Q3. Что ваши сроки поставок?
: EXW, ОБМАНЫВАЮТ, CFR, CIF, DDU.
Q4. Как о вашем сроке поставки?
: Вообще, он примет через 10 до 15 дней после получать вашу плату авансом. Специфический срок поставки зависит
на деталях и количестве вашего заказа.
Q5. Можете вы произвести согласно образцам?
: Да, мы можем произвести вашими образцами или техническими чертежами. Мы можем построить прессформы и приспособления.
Q6. Что ваша политика образца?
: Мы можем поставить образец если мы имеем готовые части в запасе, то но клиенты должны оплатить цену образца и
курьер стоил.
Q7. Вы испытываете все ваши товары перед доставкой?
: Да, мы имеем тест 100% перед доставкой
