Наш продукт включает уплотнения толкателя весны, уплотнения резиновой мембраны механические, PTFE ревет механическое уплотнение, уплотнения уплотнений мембраны металла, уплотнений патрона, смесителя & агитатора, сухой газ Seals.Besides, мы может также поставить запасные части с материальными кремниевым карбидом, карбидом вольфрама, углеродом, керамическим, резиновым, колцеобразные уплотнения и части нержавеющей стали.
Механические уплотнения широко использованы в нефти, химии, рафинадном заводе, делать бумаги, еде, фармацевтическом, ткань, сила, морской пехотинец, вода и много индустрий.
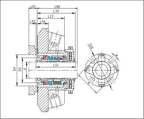
Особенности:
Температура: -30℃-205℃
Скорость: ≤25m/s
Давление: ≤2.1Mpa
Роторная сторона: Углерод/Sic/TC
Кольцо Stat: Sic/TC
Чертеж продукта:

| Размер/дюйм | D2 | D4 | D26 | L12 | L23 | L39 | L56 | L90 | L91 | L92 | M | N | |
| MIN. | Максимальный. | ||||||||||||
| 1,000 | 1,375 | 1,445 | 1,889 | 4,000 | 1,989 | 1,353 | 1,954 | 0,531 | 2,000 | 0,160 | 0,035 | 0,525 | 2,805 |
| 1,125 | 1,500 | - | 2,015 | 4,125 | 2,062 | 1,446 | 2,062 | 0,531 | 2,125 | 0,125 | - | 0,525 | 2,933 |
| 1,250 | 1,625 | - | 2,294 | 4,250 | 2,062 | 1,446 | 2,062 | 0,531 | 2,125 | 0,125 | - | 0,525 | 3,213 |
| 1,375 | 1,750 | - | 2,421 | 4,375 | 2,062 | 1,446 | 2,062 | 0,531 | 1,125 | 0,125 | - | 0,525 | 3,338 |
| 1,500 | 1,937 | 2,007 | 2,680 | 4,875 | 2,156 | 1,487 | 2,125 | 0,593 | 2,187 | 0,156 | 0,031 | 0,525 | 3,599 |
| 1,625 | 2,062 | 2,132 | 2,812 | 5,000 | 2,156 | 1,487 | 2,125 | 0,593 | 2,187 | 0,156 | 0,031 | 0,562 | 3,766 |
| 1,750 | 2,170 | 2,240 | 2,918 | 5,250 | 2,156 | 1,487 | 2,125 | 0,593 | 2,187 | 0,156 | 0,031 | 0,562 | 3,875 |
| 1,875 | 2,312 | 2,382 | 2,918 | 5,250 | 2,156 | 1,487 | 2,125 | 0,593 | 2,187 | 0,156 | 0,031 | 0,562 | 3,875 |
| 2,000 | 2,437 | 2,507 | 3,015 | 5,500 | 2,375 | 1,601 | 2,312 | 1,063 | 2,375 | 0,187 | 0,062 | 0,562 | 4,000 |
| 2,125 | 2,562 | 2,632 | 3,360 | 5,859 | 2,375 | 1,601 | 2,312 | 0,593 | 2,375 | 0,187 | 0,062 | 0,687 | 4,469 |
| 2,250 | 2,687 | 2,757 | 3,485 | 6,500 | 2,375 | 1,601 | 2,312 | 0,593 | 2,375 | 0,187 | 0,062 | 0,687 | 4,566 |
| 2,375 | 2,812 | 2,882 | 3,610 | 6,500 | 2,484 | 1,717 | 2,466 | 0,625 | 2,528 | 0,143 | 0,018 | 0,687 | 4,719 |
| 2,500 | 3,062 | - | 3,891 | 6,750 | 2,484 | 1,717 | 2,562 | 0,625 | 2,625 | 0,125 | - | 0,687 | 5,000 |
| 2,625 | 3,312 | - | 4,062 | 6,750 | 2,500 | 1,625 | 2,500 | 0,625 | 2,562 | 0,125 | - | 0,687 | 5,170 |
| 2,750 | 3,312 | - | 4,062 | 6,750 | 2,500 | 1,625 | 2,500 | 0,625 | 2,562 | 0,125 | - | 0,687 | 5,170 |
| 2,875 | 3,375 | - | 4,186 | 7,000 | 2,500 | 1,725 | 2,500 | 0,625 | 2,562 | 0,125 | - | 0,687 | 5,312 |
| 3,000 | 3,625 | - | 4,469 | 7,750 | 2,500 | 1,787 | 2,562 | 0,685 | 2,625 | 0,125 | - | 0,812 | 5,720 |
| 3,125 | 3,750 | 3,853 | 4,600 | 7,875 | 2,562 | 1,593 | 2,562 | - | 2,687 | 0,125 | - | 0,812 | 5,845 |
| 3,250 | 3,750 | 3,853 | 4,600 | 7,437 | 2,562 | 1,593 | 2,510 | - | 2,635 | 0,177 | 0,052 | 0,812 | 5,845 |
| 3,375 | 4,000 | 4,125 | 4,850 | 8,125 | 2,562 | 1,593 | 2,562 | - | 2,687 | 0,125 | - | 0,812 | 6,095 |
| 3,500 | 4,125 | 4,250 | 4,975 | 8,250 | 2,562 | 1,593 | 2,562 | - | 2,687 | 0,125 | - | 0,812 | 6,220 |
| 3,625 | 4,218 | 4,343 | 5,100 | 8,375 | 2,562 | 1,593 | 2,562 | - | 2,687 | 0,125 | - | 0,687 | 6,250 |
| 3,750 | 4,343 | 4,468 | 5,199 | 8,750 | 2,562 | 1,593 | 2,562 | - | 2,687 | 0,125 | - | 0,687 | 6,770 |
| 3,875 | 4,468 | 4,593 | 5,375 | 8,750 | 2,562 | 1,593 | 2,562 | - | 2,687 | 0,125 | - | 0,812 | 6,636 |
| 4,000 | 4,593 | 4,718 | 5,500 | 9,000 | 2,562 | 1,593 | 2,562 | - | 2,687 | 0,125 | - | 0,812 | 6,761 |
| 4,125 | 4,718 | 4,843 | 5,625 | 9,000 | 2,562 | 1,593 | 2,562 | - | 2,687 | 0,125 | - | 0,812 | 6,886 |
| 4,250 | 4,843 | 4,968 | 5,750 | 9,250 | 2,562 | 1,593 | 2,562 | - | 2,687 | 0,125 | - | 0,812 | 7,011 |
| 4,500 | 5,093 | 5,218 | 6,000 | 9,500 | 2,562 | 1,593 | 2,562 | - | 2,687 | 0,125 | - | 0,812 | 7,261 |
| 4,750 | 5,343 | 5,468 | 6,313 | 10,375 | 2,562 | 1,593 | 2,562 | - | 2,687 | 0,125 | - | 0,812 | 7,574 |
| 5,000 | 5,843 | 5,968 | 7,260 | 12,000 | 2,953 | 1,749 | 3,043 | - | 3,168 | 0,125 | - | 0,812 | 10,000 |
| 5,250 | 6,093 | 6,218 | 7,510 | 12,250 | 2,953 | 1,749 | 3,043 | - | 3,168 | 0,125 | - | 0,812 | 10,250 |
| 5,500 | 6,343 | 6,468 | 8,000 | 12,687 | 2,953 | 1,749 | 3,043 | - | 3,168 | 0,125 | - | 0,937 | 10,500 |
Отладка и направления применяться механических уплотнений
1) Отборное соотвествующее механическое уплотнение для того чтобы соответствовать материалам согласно условиям работы и оборудованию главной машины.
2) радиальное действующее отступление для вала (рукава вала) установленного механического уплотнения будет 0.04mm максимумом
пока значение аксиального перемещения ротора будет не больше чем 0.1mm.
3) крышка уплотнения (или крышка вала) неподвижного кольца установленных механических уплотнений, вертикальной степени уплотнения
сторона должна быть 0.04mm максимумом.
4) при установке механических уплотнений, вала (рукава вала), камеры уплотнения, стороны уплотнения так же, как механического уплотнения
необходимо очистить для того чтобы держать от любого средства к герметизировать части.
5) транспортируя средство сверх высокой или низкой температуры, со средством которое легкий огонь задвижки, легким для взрыва.
Связанные стандарты механического уплотнения необходимо сослаться для того чтобы принять соотвествующие измерения как гасят, полоскать, coolong и
filtrating.
6) смазку Appropricate необходимо выбрать когда механическое уплотнение установлено. Размер рассрочки механического
уплотнение необходимо гарантировать к инструкции рассрочки.
7) перед началами машины бежать, герметичный отсек будет полон среднего и хорошо будет смазан. Сухое трение
что может привести к повреждению герметичности запрещенный строгие.

Доставка:
1. Если продукты, то мы имеем в магазине, мы отправим его вне КАК МОЖНО СКОРЕЕ после получать оплату.
2. Если продукты которые были подгоняны, мы завершат продукцию в пределах определенный период времени, и отправляют его вне в первый раз.
3. Также мы можем отправить вашим счетом доставки если вы хотите.
4. Мы имеем разнообразие пути отправить товары, обычно DHL, Federal Express, TNT, UPS будем нормальными путями. Если вы требуете пользы курьера, то пожалуйста сообщите нас заранее.
