Усилитель мощности L-диапазона 100 2100 МГц P1dB 18 dBm Усилитель мощности Rf
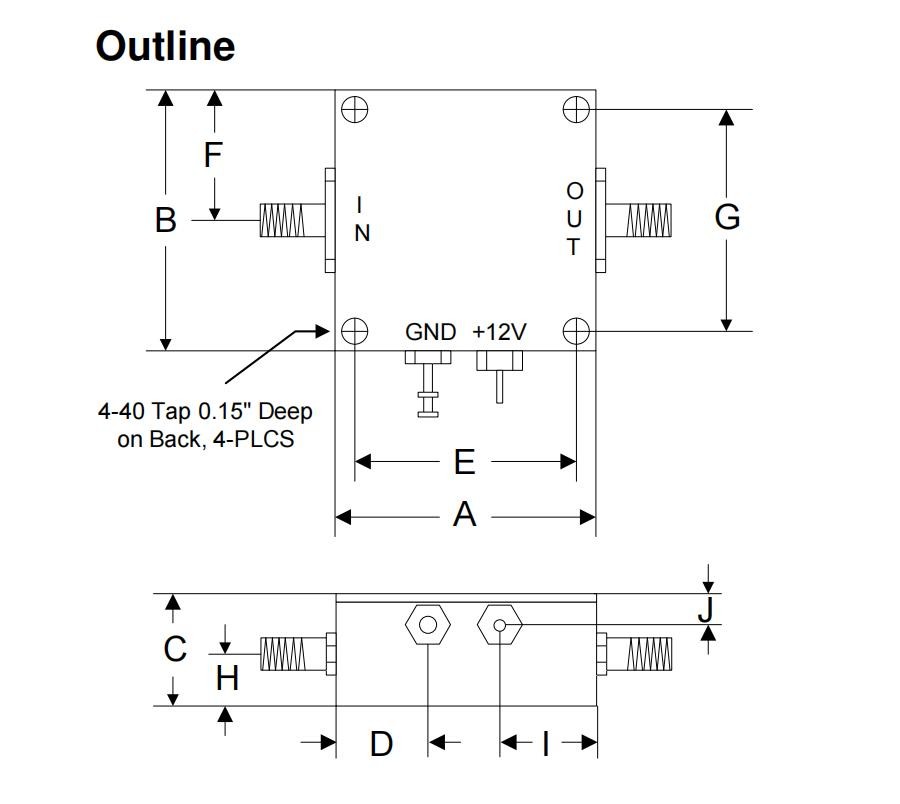
Dвыписка
SWT-2-30 представляет собой широкополосный расширитель RF с стандартным диапазоном частот от 100 МГц до 2100 МГц.
СТРАНИЦЫ
·Диапазон частот: 100 2100 МГц
·Прибыль: 30 дБ
·П1 дБ: +18 дБм
·IP3: +32 дБм
·Число шума: 4,2 дБ
·Защита от обратного напряжения
·Мощность постоянного тока: 12V@130mA
·SMA-женский разъем
Электрические характеристики @ +25 °C, ZS= ZЛ= 50Ω, Vcc=+5V
| Параметр | Единица | Минимальная | Типичный | Максимальная | |
| Диапазон частот | МГц | 100 | 2100 | ||
| Прибыль (S21) | f=100 МГц | ДБ | 30.2 | ||
| f=250 МГц | ДБ | 30.7 | |||
| f=500 МГц | ДБ | 30.9 | |||
| f=1000 МГц | ДБ | 30.5 | |||
| f=1500 МГц | ДБ | 30.5 | |||
| f=2000 МГц | ДБ | 30.0 | |||
| Приобрести плоскость | ДБ | ±0.5 | ±1.0 | ||
| Выходная мощность P1 дБf=1000 МГц | dBm | +18 | |||
| Выход IP3 | f=1000 МГц | dBm | +32 | ||
| Число шума | f=1000 МГц | ДБ | 4.2 | ||
| Обратная изоляция (S12) | ДБ | -50 | |||
| Ввод VSWR (S11) | соотношение:1 | 1.5:1 | |||
| Выход VSWR (S22) | соотношение:1 | 1.2:1 | |||
| Электроснабжение постоянного тока - напряжение | V | 10 | 12 | 15 | |
| Электроснабжение постоянного тока - ток | mA | 130 | |||
Абсолютные максимальные рейтинги
| Параметр | Абсолютный максимум |
| Сила ввода радиочастот | +15 дБм |
| Напряжение питания (выживаемость) | +25В |
| Операционная температура | -40 °C до +85 °C |
| Температура хранения | -55 °C до +125 °C |




Nanjing Shinewave Technology Co., Ltd. является компанией, специализирующейся на исследованиях и разработках, производстве и продаже микроволновых микроволновых активных и пассивных компонентов и подсистем.Продукция компании охватывает различные устройства микроволновой связи, включая микроволновые фильтры, дуплексеры, усилители, частотные источники и связанные с ними подсистемы, широко используемые в мобильной связи и других областях.
С точки зрения микроволновых фильтров, компания имеет всеобъемлющие продукты и сильные возможности проектирования.многочастотный комбинатор, многочастотная комбинирующая платформа POI, диэлектрический фильтр двойного режима, фильтр LC, миниатюрный фильтр гребня, интерцифровый фильтр и т. д.
Чтобы удовлетворить особые потребности и более высокие требования индекса клиентов, в дополнение к стандартным продуктам, мы предоставляем индивидуальные методы разработки продукта,и всем сердцем предоставлять клиентам быстрые и качественные продукты и услуги.


Перевозка:

Частые вопросы
Вопрос 1: Можно заказать образец?
О: Да, мы приветствуем заказ образца для проверки качества.
Вопрос 2: Как насчет сроков?
О: Обычно образцы берут в течение 3 рабочих дней.
Q3. Есть ли у вас MOQ (минимум качества заказа)?
О: Для стандартного продукта, обычно 1 шт. / пункт. Для заказа OEM, MOQ не менее 50 шт. / пункт.
Вопрос 4: Как сделать заказ?
A: После того, как покупатель подтвердит, что продукт и цена в порядке и готовы к покупке, заказ будет, пожалуйста, сообщите нам ваш адрес доставки, номер телефона, иногда нужно электронную почту.Тогда мы сможем составить заказ и он будет иметь платежную ссылку Alibaba.
Вопрос 5: После оплаты, какую информацию о поставщике вы предоставили?
A: номер отслеживания
Q6: Вы предлагаете гарантию и послепродажное обслуживание для продуктов?
Ответ: Да, 6 - 12 месяцев гарантии на наши продукты. Примечание: мы не несем ответственности за повреждения, вызванные человеком или неправильной эксплуатации.