Терминалы реле 5 ПКБ реле СПДТ 5А силы Мироте 5В мини электромагнитные
диаграмма 1.Сиркуйт
  
2.Параметер
- Длинная рабочая жизнь
- Компактная и загерметизированная конструкция
- Максимальное течение переключения: 10А
- Напряжение тока расклассифицированное катушкой: ДК 12В
- Мощность катушки: 0.45В
- Штыри: 5
- Контакты СПДТ
- Номинальная нагрузка: 10А 250ВАК/10А 125ВАК, 10А 30ВДК/10А 28ВДК
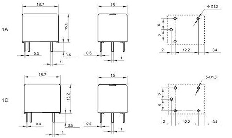
- Размеры: 19 кс 15 кс 15мм
3. особенность
4. Пакет
В наше время, пакет важен, мы имеет различные способы уплотнения прокладками для вашего выбора.
1)100пк в бумажную коробку, 1000пкс в мастерской коробке
Вы можете также подгонять ваш пакет, покуда количество значительно.
5.Гуаранте
Для того чтобы сделать вас отдохнуть уверенное о после-продаже, мы хотел были бы обеспечить одногодичное время жизни качества гуаранте.10000тимес.
6. Срок поставки и доставка 
 Вообще, оно примет работу 15 до 30 через дни после получать вашу плату авансом. Специфический срок поставки зависит от деталей и количества вашего заказа.