Мироте 4 терминала передает реле новой мульти-пользы ОЭМ 12в 40а электрическое
введение 1.Бриеф
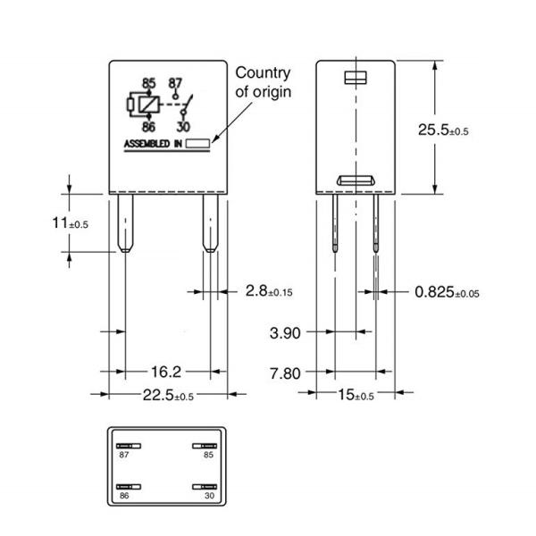
Микро- реле более небольшая версия стандартного реле. По мере того как имя предложило бы, значены, что помещает в мини коробки взрывателя АТМ и сохраняет это микро- реле космос. К тому же, эти микро- реле отличают встроенным резистором для легкой пользы. Резистор в микро- реле защищает оборудование и применения против высоковольтных шипов. Сохранить космос пока все еще хотеть предохранение от применения, микро- реле смогло быть большим для вас. Доступный в 12 вольтах и ДК 24В.

2.Параметер
| Падение напряжения тока между терминалами |
НЕТ 150мВ или меньше 10А НК. 175мВ или меньше 10А |
| Время Оператинг | Макс 10мс на 14В |
| Выпустите время | Макс 10мс на 14В |
| Оценка контакта настоящая |
ОТСУТСТВИЕ 40А 14ВДК НК 30А 14ВДК |
| Сопротивление изоляции |
Между катушкой и терминалом 20МΩ Между одноименнополюсными контактами 20МΩ |
| Механическая выносливость | 1000000 раз |
| Температура | ℃ -40 до 125 |
| Вес | О 19.3г |
| Между открытыми контактами | АК500В, 50/60 Хз 1Мин |
| Между катушкой и контактом | АК500В, 50/60 Хз 1Мин |
| Выносливость (деятельность) | |
| Механический (на 7 200 опс./х) | 10 000 000 |
| Электрический (на 600 опс./х) | 100 000 |
экспортный рынок 3.Майн
Средний восток, Северная Америка, Юго-Восточная Азия, Южная Америка, Африка…
4. Пакет
В наше время, пакет важен, мы имеет различные способы уплотнения прокладками для вашего выбора.
1)25пкс в бумажной коробке, 500пкс в мастерской коробке
2)1пкс в маленькой коробке, 500пкс в мастерской коробке
Вы можете также подгонять ваш пакет, покуда количество значительно.
5.Гуаранте
Для того чтобы сделать вас отдохнуть уверенное о после-продаже, мы хотел были бы обеспечить одногодичное время жизни качества гуаранте.10000тимес.
6, срок поставки и доставка
Вообще, оно примет работу 15 до 30 через дни после получать вашу плату авансом. Специфический срок поставки зависит от деталей и количества вашего заказа.
Путь доставки: Самолетом, мы отправляем в ваш склад товароотправителя.
срочным, дверь к двери деливерлы.
кораблем, отправьте в ваш склад агента или товароотправителя.