Датчик крышки лампы Г5 | «ИДЕТ» датчик для крышки Би-Пин на законченных лампах Г13-7006-46А-3
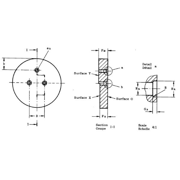
Цель: Цель: проверить размеры е максимальные, ф МИН., ф максимальный, и совмещенные диаметр штыря и смещение штырей (включая боссы) крышек Г5 би-штыря на законченных лампах.
Испытывать: штыри крышек на законченных лампах войдут датчик на поверхность о и, когда полно введенный, поверхности крышки и датчик контактируют. В этом положении конец штырей будет копланарн с или проекты за поверхностью кс, но не запроектирует за поверхностью И. Каждый индивидуальный штырь впишет отверстие е1 на поверхность о до тех пор пока сторона крышки и поверхность датчика не контактируют.

Родственный датчик:
| «ИДЕТ» ДАТЧИК ДЛЯ КРЫШКИ БИ-ПИН НА ЗАКОНЧЕННЫХ ЛАМПАХ Г13, 7006-46-3 |