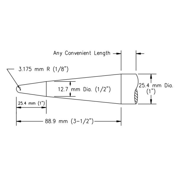
Зонд UL507-figure 8,1 для турбинок портативных приборов, опасные двигающие части зондирует
Параметр:
1, полная длина: 88.9mm (3.5inch)
2, главная длина: 25.4mm (1inch)
3, главный радиус: R3.175mm (1/8inch)
4, диаметр прежнего главы: 12.7mm (1/2inch)
5, диаметр кабеля: 25.4mm (1inch)
Вентиляторы UL 507 электрические
8.2.5 обычные дизайны турбинок соотвествуют быть защищенным когда:
a) Отношение между массой (w) в kg, радиусе (r) в mm, и скорости (n) в революциях в минуту такое которая k в следующем уравнении чем 29264:
K = 6 × 10 −7 (Wr 2 n 2)
b) защищать такой который зонд проиллюстрировал в диаграмме 8,1 не может касаться ведущей кромке лезвия и эпицентра деятельности введенный как описано в 8.2.6. Для реверзибельного вентилятора, оба края лезвия учтены ведущими кромками. Когда k больше чем 29264, зонд не касается никакой части турбинки.
8.2.6 будет защищена часть турбинки которая повлечет риск ушиба к людям так как зонд проиллюстрировал в диаграмме 8,1 не касается части введенный с силой 4,45 n (1 фунт) для максимума 5 секунд через любое отверстие в предохранитель


Упаковка и грузить
1. Алюминиевый пакет коробки и коробки коробки, осторожных и плотных, убеждается что пакет неповрежден


2. Пакет будет погружен линией DHL/Fedex/TNT/EMS/UPS/China post/EF-Express/Special, по мере того как вы имеете выбрали в заказе.
3. Грузя время другое, оно зависит от расстояния между нами. На обычном, исключите подготавливая время, товары отправил в вас в 5days