Соединители Небольш-скважины 80369-7:2017 ISO для жидкостей и газы в применениях здравоохранения - части 7: Соединители для внутрисосудистых или подкожных применений
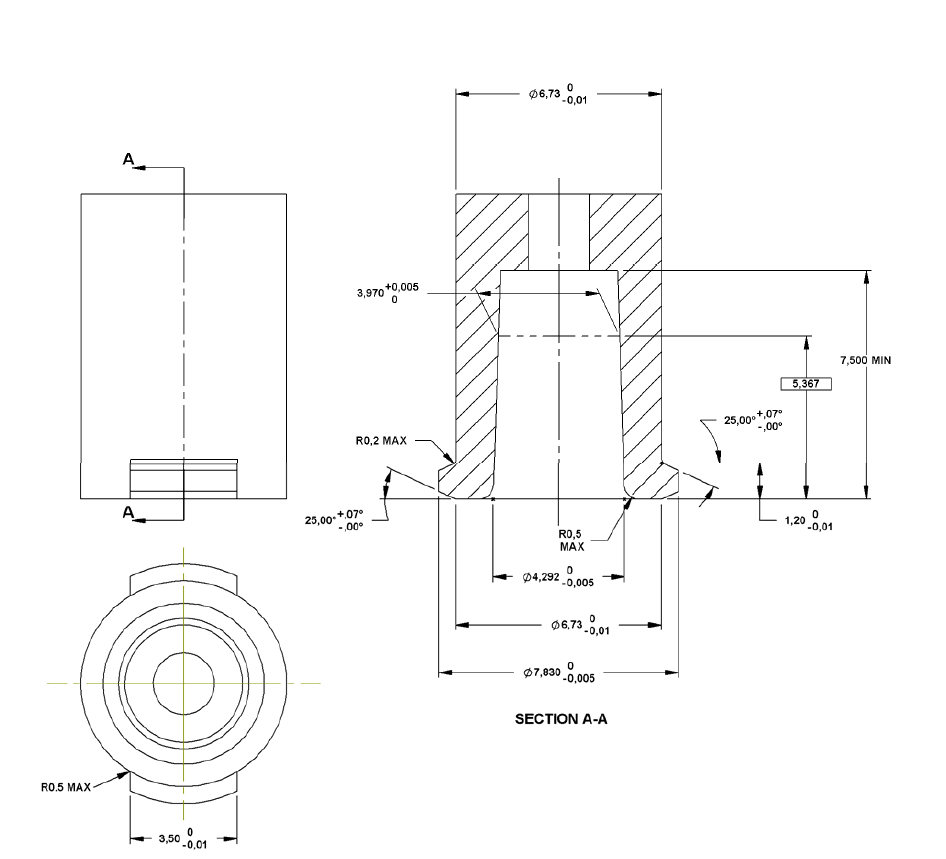
В диаграмме C.1, все внешние края формы волочения или потока будут иметь радиус между 0,15 mm и 0,20 mm (если не указано иное). R может быть × 45° скашивает.
ISO 80369-7-Figure C.1 — Женский соединитель замка luer ссылки для испытывая мужских соединителей luer для утечки, разъединения от вывинчивать, трескать стресса и не-interconnectable характеристик


