
OWM 42 BLS 01
OWM: Мотор OWO
42: Размер рамки мотора: mm
BLS: Безщеточный мотор
◆ОБЩИЕ СПЕЦИФИКАЦИИ
| Обматывая тип | Треугольник | |
| Угол эффекта Холла | угол 120 градусов электрический | |
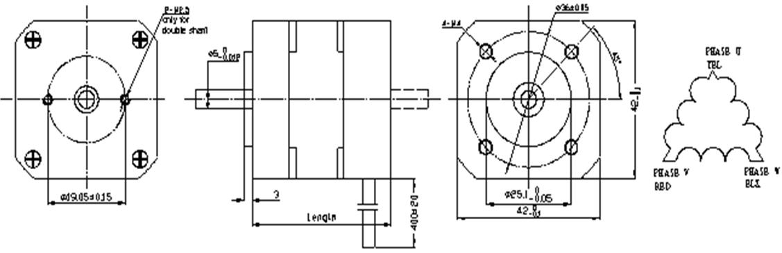
| Вал бежит вне | 0.025mm | |
| Радиальная игра | 0.02mm@450g | |
| Осевой люфт | 0.08mm@450g | |
| Максимальная радиальная сила | 28N @ 10mm от фланца | |
| Максимальная осевая сила | 10N | |
| Класс изоляции | Класс b | |
| Диэлектрическая прочность | 500VDC на одна минута | |
| Сопротивление изоляции | 100MΩMin., 500VDC | |
◆ЭЛЕКТРИЧЕСКОЕ СОЕДИНЕНИЕ
| Руководство нет. | Цвет руководства | Датчик руководства | Функция | Описание |
| 1 | Красный | UL1007 26AWG | Vcc | Подача напряжения для датчиков залы |
| 2 | Синь | Hall a | ||
| 3 | Зеленый цвет | Hall b | ||
| 4 | Белый | Hall c | ||
| 5 | Черный | GND | Смолотый для датчиков залы | |
| 6 | Желтый цвет | UL1007 20AWG | Участок a | |
| 7 | Красный | Участок b | ||
| 8 | Черный | Участок c |
◆ЭЛЕКТРОТЕХНИЧЕСКИЕ УСЛОВИЯ
| Модель | OWM42BLS01 | OWM42BLS02 | OWM42BLS03 | OWM42BLS04 | ||||
| Количество поляков | 8 | 8 | 8 | 8 | ||||
| Номер участка | 3 | 3 | 3 | 3 | ||||
| Расклассифицированное напряжение тока VDC | 24 | 24 | 24 | 24 | ||||
| Проектная скорость RPM | 4000 | 4000 | 4000 | 4000 | ||||
| Непрерывный вращающий момент N.m стойла | 0,075 | 0,15 | 0,22 | 0,3 | ||||
| Расклассифицированный вращающий момент N.m | 0,0625 | 0,125 | 0,185 | 0,25 | ||||
| Расклассифицированная сила w | 26 | 52,5 | 77,5 | 105 | ||||
| Пиковый вращающий момент N.m | 0,19 | 0,38 | 0,56 | 0,75 | ||||
| Пиковое настоящее a | 5,4 | 10,6 | 15,5 | 20 | ||||
| Линия - к - омы сопротивления трубопровода | 1,8 | 0,8 | 0,55 | 0,28 | ||||
| Линия - - линия индуктивность mH | 2,6 | 1,2 | 0,8 | 0,54 | ||||
| Вращающий момент постоянн Nm/A | 0,035 | 0,0355 | 0,036 | 0,0376 | ||||
| Заднее E.M.F V/KRPM | 3,66 | 3,72 | 3,76 | 3,94 | ||||
| Инерция g.cm2 ротора | 24 | 48 | 72 | 96 | ||||
| Длина тела mm | 41 | 61 | 81 | 100 | ||||
| Масса Kg | 0,3 | 0,45 | 0,65 | 0,8 | ||||

Применение:
1. Индустрия промышленной автоматизации: Электронные блоки, автоматические doods.
индустрия прибора 2.Household: Фен для волос, косилка
3. Индустрия корабля: Проектировать воздушный фильтр автомобиля
4. Индустрия научного прибора: детектор газа шахты, аппаратуры угля качественные аналитические, детектор envieronmnet, precisioncomputer врезал приборы.
5. Медицинская промышленность: Биохимический анализатор, анализатор гематологии, центрифуга
6. Другие: Оптически индустрия коррекции, etc.
