мотор 35BYJ-21A торможения постоянного магнита stepper использующ для машины ткани, режима автоматического управления
Мотор постоянного магнита 35BYJ шагая
Мотор торможения постоянного магнита 35BYJ stepper имеет
характеристики простого механизма, малошумные,
изменяемая скорость, длинный срок службы.
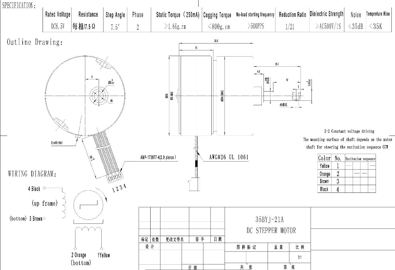
Параметры:
| Модель | угол шага | Расклассифицированное напряжение тока | Коэффициент уменьшения | Сопротивление | Вращающий момент Pullin | Noload начиная частоту | Noload управляя requency | Участок |
| (°) | V DC | I | Ω | g.cm (200pps) | pps | pps | ||
| 35BYJ-21A | 7.5/21 | 6,5 | 1/21 | 7,5 | 1600 | 400 | 500 | 2 |
Чертеж:

Применение:
Этот мотор широко используя в копировальных машинах, факсах, блоках развертки, машинном оборудовании ткани, модулирующих лампах медицинского лечения, режима автоматического управления, построения, стульях массажа и освещении этапа, автомобиле, электрической системе управления