3224 Серия Поверхностный монтаж 4 мм SMD Potentiometer Cermet Trimmer
Быстрая подробность
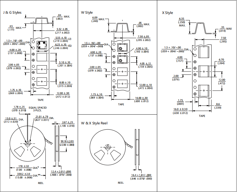
■ Четыре терминальных стиля.
■ Запечатанные для прочности отмывания доски.
■ Дизайн централизации выбора и размещения, с регулировкой сжимания.
■ высокая точность, pрегулируемый по рецессии, rУстойчивая производительность.
■ Эффективное движение 9±2 поворота, tобщий механический ход 10±2 оборотов.
■ Поверхностный монтаж 4 мм Квадрат / Многораздельный / SMD Cermet Trimmer- Промышленный - запечатанный.
Описание
Потенциометр 3224 SMD cermet trimmer - это очень универсальный и компактный компонент, предназначенный для точной регулировки сопротивления в приложениях для поверхностной установки.Этот потенциометр триммера имеет прочный керамический элемент, который обеспечивает стабильную и постоянную производительность с течением времени, что делает его подходящим для широкого спектра электронных устройств и оборудования. Его размер 4 мм делает 3224SMD-серметтреймеридеально подходит для применения в местах с ограниченным пространством, например, в современной потребительской электронике, телекоммуникационном оборудовании, медицинских устройствах и промышленном контроле.Пакет SMD позволяет легко и эффективно интегрироваться в конструкции ПКБ, способствуя оптимизации производственных процессов.
3224 SMD сермет-триммер разработан для высокой точности регулирования сопротивления, что позволяет тонко настраивать электронные схемы для удовлетворения конкретных эксплуатационных требований.Он обычно работает в пределах умеренного диапазона мощностиПодходит для различных напряжений и токов, используемых в электронных системах. Благодаря своей прочной конструкции и надежным характеристикам производительности, 3224 SMD керамический триммер отвечает строгим требованиям современных электронных приложений.Не используемые для калибровки сигнала в телекоммуникациях, регулировки параметров в промышленном управлении, или настройки точности в медицинских изделиях, 3224SMD-серметтреймеробеспечивает надежную и точную работу в различных условиях.
Спецификация
| Электрические характеристики | Диапазон номинального сопротивления | 50Ω-2MΩ |
| Сопротивление Толерантность | ± 10% | |
| Терминальное сопротивление | ≤ ± 1% R или 3Ω | |
| Изменение контактного сопротивления (CRV) | ≤ 3% R или 3Ω | |
| Сопротивление изоляции | 500 Vdc. R1≥1GΩ | |
| Выдерживать напряжение | 1010,3 кПа, 500 ватт; 8,5 кПа, 250 ватт | |
| Диэлектрическая прочность Уровень моря | 500 вак ((1 мин.) | |
| Эффективное путешествие | 9±2 поворота | |
| Характеристики среды | Термостойкость сварки | 250 градусов, 10 секунд. |
| Номинальная мощность | 70°C, 0,25W;125°C, 0W | |
| Температурный диапазон | -55°C ~ + 125°C | |
| Коэффициент температуры | ±250, ±100 ppm /°C | |
| Изменение температуры | ΔR≤±2%R, Δ(Uab/Uac)≤±1% | |
| Столкновение | 10-500 Гц, 0,75 мм, 6 ч ΔR≤±1%R, Δ ((Uab/Uac) ≤ ± 2% |
|
| Вибрация | 100G, ΔR≤±1%R, Δ(Uab/Uac)≤±2% | |
| Электрическая выносливость при 70°C | 1000 часов @ 70°C Номинальная мощность; ΔR≤±3%R | |
| Механическая стойкость | 200 циклов, ΔR≤±3%R | |
| Физические характеристики | Общий механический путь | 10±2 поворота |
| Начальный момент | ≤ 25 мН.м | |
| Крутящий момент сцепления | ≤ 35 мН.м |
Размер

Опаковка
Спецификация упаковки:
J, G: 500 штук/панель ((7") W: 250 штук/панель ((7") X: 200 штук/панель ((7")
J, G: 1500 штук/поднос ((13") W: 1000 штук/поднос ((13") X: 850 штук/поднос ((13")

Применение
Потенциометр тримера 3224 SMD находит применение в различных специальных электронных устройствах и оборудовании из-за его компактных размеров, точных возможностей регулировки,и надежной производительности:
•Потребительская электроника:Используется в таких устройствах, как смартфоны, планшеты и ноутбуки для тонкой настройки аудиосхем, контроля яркости дисплея и других регулируемых параметров, которые требуют точной настройки сопротивления.
•Телекоммуникационное оборудование:Встроенные в модемы, маршрутизаторы и устройства связи для калибровки и регулировки сигнала, обеспечивающие стабильную и оптимальную производительность связи.
•Медицинские изделия:Находится в оборудовании, таких как системы мониторинга пациентов, диагностические устройства и медицинские инструменты, где точные настройки сопротивления имеют решающее значение для надежной работы и точности данных.
•Автомобильная электроника:Используется в электронных блоках управления (ECU), датчиках и приборных панелях управления для калибровки и регулировки уровня напряжения, тока и сигнала в системах электроники транспортных средств.
•Промышленный контроль:Интегрирован в ПЛК, оборудование для промышленной автоматизации и измерительные приборы для точной корректировки параметров, что способствует эффективности и точности работы в промышленных условиях.
3224СМД-сермет-стриммерСпособность потенциометра обеспечивать высокую точность и надежное регулирование сопротивления делает его важным компонентом в различных электронных приложениях, где компактный размер, долговечность,и стабильная производительность - критические требования.
Преимущество
• Прямая поставка из завода, без посредников.
• Заполненные сертификаты, такие как:RoHS, REACH, и т.д. и обеспечение лучшего качества.
• Достаточная производственная мощность, короткие сроки доставки.
• Профессиональная служба послепродажного обслуживания.
• OEM и ODM доступны.
Каталог продукции


