Мулти соединение соединения Макса 3000РПМ прохода пневматическое роторное, алюминиевое роторное соединение.
Быстрые детали:
| Материал: Нержавеющая сталь | Методы: | Тип: Соединять |
| Место происхождения: Шэньчжэнь, Китай |
Номер модели: ДЖСР-ДЖТ-МРК2-М5 |
Фирменное наименование: ДЖАРКХ |
| Соединение: Фланец | Форма: круглый | Главный код: круглый |
| РАЗМЕР: 3/8" | Средство: обжатый воздух | Материал ротора: Алюминий |
| Максимальная скорость: 3000РПМ | Максимальное давление: 1,1Мпа | Максимальная температура: ℃ 80 |
Упаковка & доставка:
| Упаковывая детали: | Стандартный пакет коробки экспорта |
| Детали доставки: |
Срок поставки: через 15 дней после получили оплату |
Описание:
Роторное соединение, также названное роторное соединение или вращая соединение, обеспечивает механическое уплотнение между неподвижным трубопроводом и вращая барабанчиком или цилиндром для того чтобы позволить подачу средств массовой информации передачи тепла в и/или из вращая крен. Средства массовой информации передачи тепла типично используемые с роторными соединениями и вращая инклудестеам соединений, водой, хэрмал маслом, хладоагентом, айрхйдраулик маслом.
Соединение серии МГ роторное состоит из 2 больших подшипников точности и герметизирует принципы дизайна используя ровный, загерметизированный подшипник и носка к минимуму, расширяет срок службы.
Соединения ДЖАРКХ высокоскоростные роторные способны на содержать очень высокое давление пока вращающ на высоких скоростях. Материалы используемые в делать высокоскоростных роторных соединений сталь алюминиевых, углерода, и, по требованию, нержавеющая сталь, которая обеспечивает выдающую коррозийную устойчивость. Мы предлагаем разнообразие размеры как в американском, так и в метрическом. Мы специализируем в нестандартной конструкции которая обеспечивает наших клиентов с точными спецификациями которых они требуют. Поговорите к наше знающему и представительный торговый персонал и они будут счастливы помочь в творении прототипа который отвечает ваши потребностямы.
Типичные промышленные пользы для соединений ДЖАРКХ высокоскоростных роторных включают сушильщиков пара, резиновых мельниц, штрангпрессов, кренов календаря, муфт воздуха, ламинаторов, кренов прессы, изготовлять машин, центров гидротехник, подвергать механической обработке и родственных применений.
Преимущества:
1. Высокая температура, высоконапорное устойчивое вращая соединение трубы
2. соединения соответствующие для высокого давления, высокотемпературное термик масло Изрезанный-конструкции, пар
3. Уплотнение импортировано от Германии, который гарантируют превосходное представление нашего роторного соединения.
4. Дизайн отделяемой структуры опорного плитя удобен для преобразования между одиночным и мульти--пасссагес
5. Польза баланса паллета графита компенсация весны, следовательно он избегает будучи вытравливанным весны и увеличивает срок службы.
6. идеал для термального масла и для значительно более высоких давлений, температур
7. Поливать из шланга сделанный дуктильного литого железа и ковер&ротор сделанных из хромовой стали
8. Имейте высокотемпературную устойчивую весну
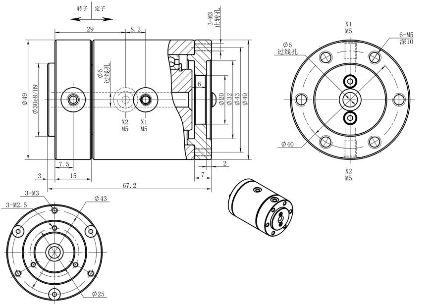
Размеры:


| Средства массовой информации | Проход | Размер прохода | Соединитель | Максимальная пресса | Температура | Скорость |
| Воздух | 2 | 2.5мм | М5 | 0,7 Мпа | -20~+80 | 3000РПМ |
Применения:
• Бумажное машинное оборудование
• сталь, гофрируя, ткани,
• Красящ, резина, пластмассы, химикат, механический инструмент
Инструкции установки:
Ваше соединение роторных систем роторное компонент который, при установке как следует, обеспечит длинное, утечки жизнь точности свободно. Пожалуйста следовать этими генеральными линиями при установке вашего соединения:
Соединения
Роторные соединения систем должны всегда быть установлены используя гибкие соединения. Для избежания повреждения к подшипникам, соединению нужно найти свой центр во время деятельности. Необходимо что или трудно-не пущены по трубам вал или снабжение жилищем.
Снабжение жилищем соединения следует придержать в тисках и гибкое соединение должно быть установлено перед установкой соединения с машиной.
Очистите гаечные резьбы и сторону вала до установки. Используйте ленту трубы тефлона или сеалант трубы на потоках НПТ. Как директива, потоки НПТ должны быть рукой туго плюс 1 до 3 поворота для того чтобы загерметизировать потоки. При установке параллельных потоков, соотвествующие набивки или колцеобразные уплотнения должны быть использованы.
Должно быть небольшая, свободная от зубчик кривая в шланге при установке на оборудование. Необходимо снабжение жилищем или вал позволен плыть для того чтобы возмещать потерю любые ексцентриситеты и/или рассогласование.
Анти--вращение
Во многих случаях, соединения гибкого рукава использованы для анти--вращения. Другие применения требуют внешнего механизма для анти--вращения как вилка вокруг штуцеров, прикалывают, спаривают или ставят в скобки. приборам Анти--вращения нужно «плыть» для предотвращения повреждения к соединению.
Фильтрация
Для предотвращения повреждения к валу или уплотнениям, роторные системы требуют фильтрации к 10 микронам или. Отказ сделать так может инвалидате ваша гарантия и причинить преждевременный отказ.
Смазка
Если ваше соединение имеет штуцеры тавота, то смажьте соединение с не больше чем 2 насосами соотвествующего тавота в штуцер.
Продукты Джарч главные:
1. серия роторного соединения оптического волокна
2. Через серию кольца выскальзывания скважины
3. Электро оптически серия кольца выскальзывания
4. Гибридная серия кольца выскальзывания
5. Пневматическая серия роторного соединения
6. гидравлическая роторная серия соединения
7. Серия кольца выскальзывания капсулы
8. Серия кольца выскальзывания блинчика
9. Сильнотоковые сериельс кольца выскальзывания
10.высокоскоростнаясериякольцавыскальзывания
серия кольца выскальзывания 11.Тхэрмокупле
серия кольца выскальзывания 12.Минятуре
серия кольца выскальзывания турбины 13.Винд
серия кольца выскальзывания 14.Этернет
серия кольца выскальзывания 15.Эксплосионьпрооф
серия кольца выскальзывания 16.Меркуры
Почему выбрать кольцо выскальзывания ДЖАРКХ?
ДЖАРКХ Компания профессиональный изготовитель кольца выскальзывания в Шэньчжэне, Китае. ДЖАРКХ имеет, который стали один из самых знаменитых китайских брендов в мире для высококачественных колец выскальзывания и первосортных обслуживаний. В виду того что мы были основаны в 1998, мы были совершены к кольца выскальзыванию инноватинг, превращаться и изготовлять высококачественные и обеспечивающ идеальные решения вращения для клиентов по всему миру.
С опытом больше чем 19 лет в поле, ДЖАРКХ устанавливало долгосрочные отношения дела с межнациональными корпорациями, научно-исследовательскими институтами, отделами военн-индустрии, известными университетами так же, как много компаниями в различных индустриях в стране и за рубежом.
Мы специализируем в изготовленных на заказ решениях колец выскальзывания портняжничанных для того чтобы соотвествовать вашего проекта для представления, испытания, квалификации и доставки. Наши команды понимают важность всестороннего планирования проекта обеспечивающ успех вашего проекта.
Не смогите найти решение колец выскальзывания права?
На ДЖАРКХ Компании, мы стремимся отвечать потребностямы наших клиентов. Если собрание от нашей типовой модели не приспосабливает ваши требования, то наша проектная группа будет работать с вами для того чтобы конструировать собрание кольца выскальзывания которое отвечает потребностямы вашей компании точные. С над 19 летами опыта ДЖАРКХ амассед над 10 000 чертежами, тысячами изготовленных на заказ дизайнов кольца выскальзывания и опытами поддерживая клиентов всемирно.
вопросы и ответы
| К1: Вы фабрика или торговая компания? | ||||||||||
| А: Мы профессиональный мануфакторы с высокопоставленной командой НИОКР. | ||||||||||
| К2: Сколько типов колец выскальзывания вы имеете? | ||||||||||
| А: Мы можем поставить все виды колец выскальзывания. Как минитары кольцо выскальзывания, подгонянный слиринг, миниатюрное кольцо выскальзывания, кольцо выскальзывания волокна оптически, соединение РФ роторное, ХД типа совмещать, кольцо выскальзывания диска, кольцо выскальзывания энергии ветра, кольцо выскальзывания солнечной энергии, кольцо выскальзывания через-скважины, етк. |
||||||||||
| К3: Можете вы поставить кольца выскальзывания с высокочастотными сигналами и (или) сигналами оптической связи. | ||||||||||
| А: Да, мы можем поставить кольца выскальзывания смешанных сигналов как ваша просьба. | ||||||||||
| К4: что срок пригодности ваших колец выскальзывания. | ||||||||||
| А: революции 30~50 миллионов для стандарта одни, революции 50~80 миллионов для экстренныйого выпуска одни, Мы также можем поставить гораздо выше революции как ваше особенное требование. |
||||||||||
| К5: Вы поставляете ОЭМ и ОДМ? | ||||||||||
| А: Да, мы поставляем ОЭМ и ОДМ. | ||||||||||
| К6: Какие технические данные должны быть обеспечены для нашей подгонянной модели кольца выскальзывания. | ||||||||||
|
А: Если вы хотите костомизе особенная модель кольца выскальзывания, то вам нужно обеспечить детали как ниже: скорость а.оператринг (РПМ) размер к.оутлине д.чаннельс (нет одиночного провода кроме кабеля) тип сигнала ф.те и связанный температура х.ИП г.оператинг (требования к запечатывания) |
||||||||||
| К7: Сколько времени ваша продукция время выполнения? | ||||||||||
| А: Для этого нужны 7 до 15 дней для стандартных продуктов, 10 до 20 дней для простых подгонянных продуктов, 15 до 40 дней для пордукц подгонянных комплексом. |
||||||||||
| К8: Что ваш порт доставки? | ||||||||||
| А: Наш порт доставки Шэньчжэнь | ||||||||||
| К9: Как делаете вы доставка наши товары? | ||||||||||
| А: Обычно небольшие заказы можно деливерид самолетом, большие заказы можно деливерид морским путем. Его можно обсудить перед поставлять. |
||||||||||
| Примечание: | ||||||||||
| Если вы имеете любой другой вопрос, то контак пльс мы без колебаний. |