Кольца выскальзывания высокой точности гибридные для сварочного аппарата/1 соединения воздуха прохода пневматического роторного
Особенность:
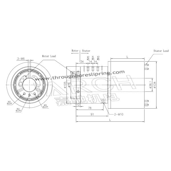
1.ID/OD:38.1/134mm
2,2 охлажденная вода прохода и 1 воздух прохода
размер 3.Пассаге: 8мм, размер трубки: 8-10мм
4,5 цепи, течение 3-90А/2-2А
Быстрые детали:
| Номер модели: | ДЖСР-ХИ038-5Э-2Л-1Г | Размер прохода (мм): | 8мм |
| Средства массовой информации прохода: | Обжатый воздух, вода Коллинг | Электрические цепи: | 5 |
| Вольт АК/ДК (в): | мВ~240Вак/Вдк | Течение (а): | 3-90А, 2-2А |
| Скорость (рпм): | 30РПМ | Размер трубки | 8~10мм |
| Упаковывая детали: | Стандартный пакет коробки экспорта |
| Детали доставки: |
Срок поставки на образец 3 дня/срок поставки для заказа зависят от количества |
Описание:
Кольца выскальзывания можно использовать в любой электро-механической системе которая требует безудержного, непрерывного вращения пока переносящ силу или данные от неподвижного к вращая структуре.
Путь прохода поддержки 2-24 соединения серии ДЖАРКХ ХИ пневматический электрический роторный пневматический/гидравлический, она может совместить с силой, сигналом, локальной сетью, УСБ, Девисенет, сетью контроля, Каньбус по запросу. Она также смогла быть установлена валом или опционной установкой фланца. Типы носителя прохода могут использовать воздух/газ, химикат, ДИ/воду из крана, масло, воду/гликоль.
ДЖСР-ХИ038-5Э-2Л-1Г обеспечивают 1 проход 6 | 8мм обжатый воздух, 2 совершает пассаж коллинг вода, совмещает 3 кольцо выскальзывания синнал силы сирсиуц 90А и 2 цепей 2А электрическое. Кольцо выскальзывания обеспечивает роторный фланец может быть устанавливает на роторную таблицу.
Преимущества:
· Уникальный сигнал регулируя представление с минимальным электрическим линейным шумом
· Туго упаковывающ для приспособления в самые требовательные ограничения по космоса
· Полно - совместимый и с сигналами уровня аналога и управления ТТЛ
· Шарикоподшипники точности на длинная жизнь
· Загерметизированные блоки доступные, ИП67 опционное
· Изрезанная анодированная алюминиевая конструкция
· Низкая цена, льготные цены
· Небольшой размер
· Быстрая доставка
Размеры:

Длина кольца выскальзывания будет посоветована когда кольца и настоящие детали варианты. Пожалуйста контактируйте отдел ДЖАРКХ технический.
Электротехнические условия:
| Кольца | 2 | 24 | Настоящий | 3-90А, 2-2А |
| Напряжение тока | мВ~240 ВДК/ВАК | Максимальная скорость | 30РПМ |
| Через размер скважины | 38,1 | Общий диаметр | 134мм |
| Материал снабжения жилищем | Алюминиевый сплав | Вращающий момент | 0.05Н.м; +0.03Н.м/6рингс |
| Срок пригодности | 50миллион | Материал контакта | Драгоценный металл: Золото-золото |
| Электрический шум | <5 m=""> | Контактное сопротивление | <2m> |
| Диэлектрическая прочность | 1000VDC@50Hz | Подводящий провод | УЛ Тефлон® Авг26, Авг22, Авг16 |
| Сопротивление изоляции | 500МΩ@600ВДК | Длины руководства | 300мм (12") |
| Работая Темп. | -40°К к 80°К | Защита | ИП54 |
| Материалы | Неэтилированный, РОХС | Аттестованный | КЭ, ФКК |
Применения:
• Экспонат/индикаторное оборудование
• Упаковка/создание программы-оболочки машинного оборудования
• Системы управления полупроводника
• Промышленное машинное оборудование
• роторные таблицы индекса
• Оборудование управления производственным процессом
Инструкции установки:
Прифлянцованный:

Продукты Джарч главные:
1. серия роторного соединения оптического волокна
2. Через серию кольца выскальзывания скважины
3. Электро оптически серия кольца выскальзывания
4. Гибридная серия кольца выскальзывания
5. Пневматическая серия роторного соединения
6. гидравлическая роторная серия соединения
7. Серия кольца выскальзывания капсулы
8. Серия кольца выскальзывания блинчика
9. Сильнотоковые сериельс кольца выскальзывания
10.высокоскоростнаясериякольцавыскальзывания
серия кольца выскальзывания 11.Тхэрмокупле
серия кольца выскальзывания 12.Минятуре
серия кольца выскальзывания турбины 13.Винд
серия кольца выскальзывания 14.Этернет
серия кольца выскальзывания 15.Эксплосионьпрооф
серия кольца выскальзывания 16.Меркуры
Почему выбрать кольцо выскальзывания ДЖАРКХ?
ДЖАРКХ Компания профессиональный изготовитель кольца выскальзывания в Шэньчжэне, Китае. ДЖАРКХ имеет, который стали один из самых знаменитых китайских брендов в мире для высококачественных колец выскальзывания и первосортных обслуживаний. В виду того что мы были основаны в 1998, мы были совершены к кольца выскальзыванию инноватинг, превращаться и изготовлять высококачественные и обеспечивающ идеальные решения вращения для клиентов по всему миру.
С опытом больше чем 19 лет в поле, ДЖАРКХ устанавливало долгосрочные отношения дела с межнациональными корпорациями, научно-исследовательскими институтами, отделами военн-индустрии, известными университетами так же, как много компаниями в различных индустриях в стране и за рубежом.
Мы специализируем в изготовленных на заказ решениях колец выскальзывания портняжничанных для того чтобы соотвествовать вашего проекта для представления, испытания, квалификации и доставки. Наши команды понимают важность всестороннего планирования проекта обеспечивающ успех вашего проекта.
Не смогите найти решение колец выскальзывания права?
На ДЖАРКХ Компании, мы стремимся отвечать потребностямы наших клиентов. Если собрание от нашей типовой модели не приспосабливает ваши требования, то наша проектная группа будет работать с вами для того чтобы конструировать собрание кольца выскальзывания которое отвечает потребностямы вашей компании точные. С над 19 летами опыта ДЖАРКХ амассед над 10 000 чертежами, тысячами изготовленных на заказ дизайнов кольца выскальзывания и опытами поддерживая клиентов всемирно.
вопросы и ответы
| К1: Вы фабрика или торговая компания? | ||||||||||
| А: Мы профессиональный мануфакторы с высокопоставленной командой НИОКР. | ||||||||||
| К2: Сколько типов колец выскальзывания вы имеете? | ||||||||||
| А: Мы можем поставить все виды колец выскальзывания. Как минитары кольцо выскальзывания, подгонянный слиринг, миниатюрное кольцо выскальзывания, кольцо выскальзывания волокна оптически, соединение РФ роторное, ХД типа совмещать, кольцо выскальзывания диска, кольцо выскальзывания энергии ветра, кольцо выскальзывания солнечной энергии, кольцо выскальзывания через-скважины, етк. |
||||||||||
| К3: Можете вы поставить кольца выскальзывания с высокочастотными сигналами и (или) сигналами оптической связи. | ||||||||||
| А: Да, мы можем поставить кольца выскальзывания смешанных сигналов как ваша просьба. | ||||||||||
| К4: что срок пригодности ваших колец выскальзывания. | ||||||||||
| А: революции 30~50 миллионов для стандарта одни, революции 50~80 миллионов для экстренныйого выпуска одни, Мы также можем поставить гораздо выше революции как ваше особенное требование. |
||||||||||
| К5: Вы поставляете ОЭМ и ОДМ? | ||||||||||
| А: Да, мы поставляем ОЭМ и ОДМ. | ||||||||||
| К6: Какие технические данные должны быть обеспечены для нашей подгонянной модели кольца выскальзывания. | ||||||||||
|
А: Если вы хотите костомизе особенная модель кольца выскальзывания, то вам нужно обеспечить детали как ниже: скорость а.оператринг (РПМ) размер к.оутлине д.чаннельс (нет одиночного провода кроме кабеля) тип сигнала ф.те и связанный температура х.ИП г.оператинг (требования к запечатывания) |
||||||||||
| К7: Сколько времени ваша продукция время выполнения? | ||||||||||
| А: Для этого нужны 7 до 15 дней для стандартных продуктов, 10 до 20 дней для простых подгонянных продуктов, 15 до 40 дней для пордукц подгонянных комплексом. |
||||||||||
| К8: Что ваш порт доставки? | ||||||||||
| А: Наш порт доставки Шэньчжэнь | ||||||||||
| К9: Как делаете вы доставка наши товары? | ||||||||||
| А: Обычно небольшие заказы можно деливерид самолетом, большие заказы можно деливерид морским путем. Его можно обсудить перед поставлять. |
||||||||||
| Примечание: | ||||||||||
| Если вы имеете любой другой вопрос, то контак пльс мы без колебаний. |