Мотор 35mm stepper может быстро начать и остановить после получать сигналы управления, и имеет хорошую скорость ответа.
Блоки развертки изображения, электронные замки, водяные помпы, небольшие системы автоматизации, и точные располагая приборы
Особенности:
Ангел шага |
° 1,8 |
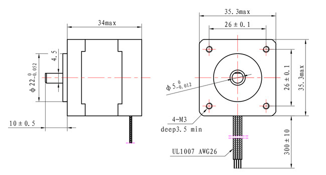
Размер Fram |
35 mm |
Номер участка |
2 - участок |
Расклассифицированное течение |
1,0 a |
Удержание вращающего момента |
155 mN.m |
Сопротивление |
3,8 ома |
Индуктивность |
5,8 mH |
Инерция ротора |
² g-см 14 |
Вес мотора |
0,18 kg |
Количество руководств |
4 |
Соединение |
Двухполярный |
Возникновение

