Несмотря на свой относительно небольшой размер, мотор 35mm stepper может все еще обеспечить относительно выходную мощность наивысшей мощности.
Водяные помпы, электронные замки, блоки развертки изображения, и точные располагая приборы примеры небольших систем автоматизации
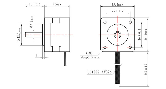
Особенности:
Ангел шага |
° 1,8 |
Размер Fram |
35 mm |
Номер участка |
2 - участок |
Расклассифицированное течение |
0,7 a |
Удержание вращающего момента |
100 mN.m |
Сопротивление |
6,5 ома |
Индуктивность |
6,0 mH |
Инерция ротора |
² g-см 12 |
Вес мотора |
0,15 kg |
Количество руководств |
4 |
Соединение |
Двухполярный |
Возникновение

