paso мотора 42x42x48mm NEMA 17 paso 3.6V зацепило Stepper мотор принтер штрихкода RoHS 2 участков
NEMA 17 зацепил участок 3.6V Stepper мотора 2 27:1 коэффициента Stepper мотора 42x42x48mm
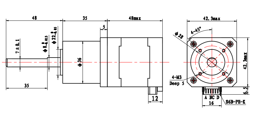
42x42x48mm 1,8 градуса 2 мотор редуктора шестерни Nema 17 27:1 42SHD0423-27G коэффициента участка Stepper
42mm гибридная серия Stepper мотора предлагает сильный держа вращающий момент в разнообразие размерах.
Используйте с microstepping водителем для уменьшения вибрации и для того чтобы достигнуть более высокого разрешения шага.
Выберите версию базиса или спросите вашу собственную подгонянную конфигурацию.
Особенности:

|
Ангел шага
|
° 1,8 |
|
Размер Fram
|
42 mm |
|
Номер участка
|
2 - участок |
|
Расклассифицированное течение
|
1,5 a |
|
Удержание вращающего момента
|
6,4 N.m |
|
Сопротивление
|
hm 5 |
|
Индуктивность
|
2,4 mH |
|
Инерция ротора
|
² g-см 72 |
|
Вес мотора
|
0,7 kg |
|
Коэффициент уменьшения шестерни
|
27:1 |
|
Соединение
|
Двухполярный |
Мотор
Угол шага: 1.8°
Максимальная температура: максимум 80°C
Температура окружающей среды: -20 °C к 50°C
Температура хранения -20: °C к 100°C
Ряд влажности (%): 85% или, не-конденсирующ
Изоляция провода магнита: Класс b 130 ДЕГ C
Сопротивление изоляции: ом 100M на 500 VDC
Диэлектрическая прочность: 500 VDC на 1 минута
Коробка передач
Расквартировывать материал: Металл
Носить на выходе: Шарикоподшипники
Нагрузка Max.Radial (12mm от фланца): ≤80N
Аксиальная нагрузка Max.Shaft: ≤30N
Радиальная игра вала (близко служить фланцем): ≤0.06mm
Осевая игра вала: ≤0.3mm
Отрицательная реакция на нулевой нагрузке: 1.5°
| Длина мотора | Длина коробки передач | Raio | Эффективность | ||
| 34 mm 40 mm 48 mm 60 mm |
27,2 mm | 3,71 | 90% | ||
| 5,18 | |||||
| 35 mm | 13,76 | 80% | |||
| 19,2 | |||||
| 26,8 | |||||
| 42,7 mm | 51 | 70% | |||
| 71 | |||||
| 99,5 | |||||
| 139 | |||||
Загрузка
вопросы и ответы
1. кто мы?
Мы основаны в Гуандуне, Китае, начале от 2011, надувательстве к внутреннему рынку (63,00%), Западная Европа (12,00%), Северная Америка (9,00%), Восточная Азия (8,00%), Северн Северный (2,00%), Восточная Европа (00,00%), Юго-Восточная Азия (00,00%), Океания (00,00%), средний восток (00,00%), Южная Европа (00,00%), Южная Азия (00,00%). Полное около 51-100 человек в нашем офисе.
2. как можем мы гарантировать качество?
Всегда образец подготовки производства перед массовым производством;
Всегда финальная инспекция перед пересылкой;
3.what может вы купить от нас?
Stepper мотор, мотор BLDC
4. почему должны вы купить от нас не от других поставщиков?
Мы специализированы в произведении и продаже stepper моторов на больше чем 11 лет.
5. какие обслуживания можем мы обеспечить?
Принятые условия доставки: ОБМАНЫВАЙТЕ, CFR, CIF, EXW, срочная поставка;
Принятая валюта оплаты: USD, CNY;
Принятый тип оплаты: T/T, L/C, D/P D/A, PayPal;
Поговоренный язык: Английский язык, китайский, японский
