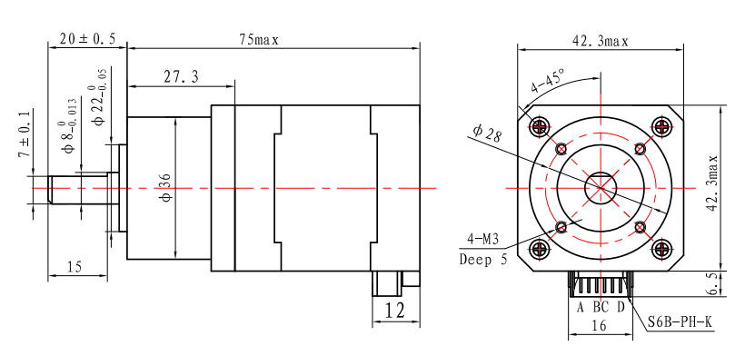
Нема 17 редуктор передач шаговой двигатель, 42x42x48 мм, 1,8 степени 2 фазы, 1,2 Н.М.
42-миллиметровый шаговый двигатель с замедлением сочетает в себе характеристики шаговых двигателей и редукторов,позволяет осуществлять точный контроль позиционирования и подходит для применений, требующих высокоточного позиционирования.
Открытое управление исключает необходимость обратной связи позиции, тем самым снижая расход энергии.
Особенности:

|
Степь Ангел
|
1.8 ° |
|
Размер рамы
|
42 мм |
|
Количество фаз
|
Фаза 2 |
|
Номинальный ток
|
1.5 А |
|
Поддерживающий момент
|
1.2 Н.м. |
|
Сопротивление
|
2 Омм |
|
Индуктивность
|
20,8 мГ |
|
Инерция ротора
|
38 г/см2 |
|
Масса двигателя
|
00,86 кг |
|
Соотношение уменьшения скорости передач
|
5:1 |
|
Соединение
|
Биполярный |
Двигатель
Угол шага: 1,8°
Максимальная температура: 80°C максимум
Температура окружающей среды: от -20 до 50 °C
Температура хранения -20 °C-100 °C
Диапазон влажности воздуха (%): 85% или менее, неконденсирующий
Изоляция из магнитных проводов:класс B 130°C
Сопротивление изоляции: 100 МОм при 500 ВДК
Диэлектрическая прочность: 500 VDC в течение 1 мин.
Коробка передач
Материал корпуса:Металл
Подшипник на выходе:Круглое подшипники
Максимальная радиальная нагрузка ((12 мм от фланца): ≤ 80 Н
Максимальная осевая нагрузка вала: ≤ 30N
Радиальная разметка вала (вблизи фланца): ≤ 0,06 мм
Осевое разложение вала: ≤ 0,3 мм
Противодействие при отсутствии нагрузки:10,5°
| Длина двигателя | Длина коробки передач | Райо | Эффективность | ||
| 34 мм 40 мм 48 мм 60 мм |
27.2 мм | 3.71 | 90% | ||
| 5.18 | |||||
| 35 мм | 13.76 | 80% | |||
| 19.2 | |||||
| 26.8 | |||||
| 42.7 мм | 51 | 70% | |||
| 71 | |||||
| 99.5 | |||||
| 139 | |||||
Скачать
