NEMA17 E42 Серьезный мультиспортивный мотор 200mN.M Многослойное моторное оборудование для автоматизации
Нема11Гибридный шаговый двигатель 28X28X50мм 55mN.m ЛинейныйМногоспортивный двигатель
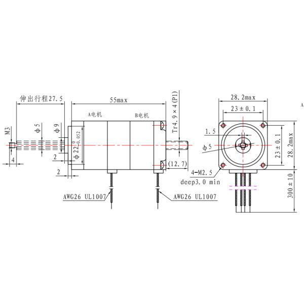
Вы описываете шаговый двигатель Nema17 с следующими характеристиками:
Угол шага: 1,8 градуса на шаг
Размер: 28 x 28 x 50 мм
Сдерживающий крутящий момент: 55 mN.m (млньютон)
Тип: линейный мультиспортивный двигатель
Шаговый мотор - это тип электродвигателя, который преобразует цифровые импульсы в точные механические движения.Гибридные шаговые двигатели - это тип шагового двигателя, который объединяет в себе лучшие характеристики как постоянного магнита, так и двигателей с переменным отказомОни обладают высоким крутящим моментом, точностью и обычно используются в приложениях, требующих точного позиционирования, таких как робототехника, 3D-печать и CNC-машины.
Поддерживающий крутящий момент шагового двигателя - это количество крутящего момента, необходимое, чтобы остановить вращение двигателя при включении энергии.гибридный шаговый двигатель NEMA 11 имеет крутящий момент 55 mN.m, что указывает на то, что он может генерировать значительное количество силы для противодействия внешним нагрузкам.
Спецификации двигателя
Степь Ангел |
1.8 ° |
Размер рамы |
28 мм |
Количество фаз |
Фаза 2 |
Номинальный ток |
0.67А |
Поддерживающий момент |
55mN.m |
Сопротивление |
30 ом |
Индуктивность |
45 мч |
Инерция ротора |
20 г-см2 |
Масса двигателя |
00,3 кг |
Количество потенциальных клиентов |
4 |
Соединение |
Биполярный |
Внешний вид

