Мультиспортивный двигатель NEMA 14 Многослойный шаговый двигатель 150m.N для промышленного робота
Нема14 гибридный шаговый двигатель 39x39x35мм 150mN.m Мультиспортивный двигатель
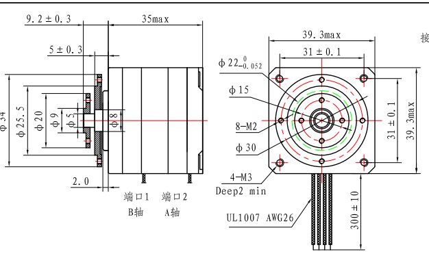
Степной мотор Nema14, который вы описали, имеет следующие характеристики:
Угол шага: 1,8 градуса на шаг
Размер двигателя: 39 x 39 мм
Номинальный ток: 0,8A
Стойкий крутящий момент: 150mN.m
Вес: 0,22 кг
Это двигатель, разработанный и запатентованный нашей компанией.
Многодвигательный шаговый двигатель серии E39 является новым типом запатентованного шагового двигателя (патентный номер: ZL2013 2 0370752.8).
Не вмешивающийся, точная структура, расход вала меньше 0.025Подходит для промышленных роботов, сценических фонарей и других областей управления автоматизацией.
Спецификации двигателя
Степь Ангел |
1.8 ° |
Размер рамы |
39 мм |
Количество фаз |
Фаза 2 |
Номинальный ток |
0.4А |
Поддерживающий момент |
150mN.m |
Сопротивление |
30 ом |
Индуктивность |
45 мч |
Инерция ротора |
20 г-см2 |
Масса двигателя |
0.12 кг |
Количество потенциальных клиентов |
4 |
Соединение |
Биполярный |
Внешний вид

