Благодаря конструкции спирального угла винта, он может обеспечивать большую тягу при меньшем объеме двигателя, что делает его подходящим для ситуаций, требующих больших нагрузок.
Проницаемая конструкция винта может эффективно уменьшить вибрацию и шум, генерируемые двигателем во время работы.
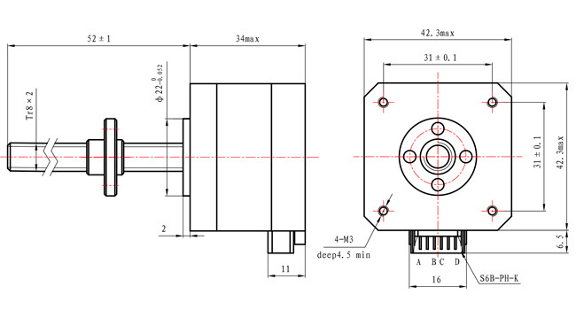
Особенности:

|
Степь Ангел
|
1.8 ° |
|
Размер рамы
|
42 мм |
|
Количество фаз
|
Фаза 2 |
|
Номинальный ток
|
1.28А |
|
Поддерживающий момент
|
300 мН.м |
|
Сопротивление
|
50,0 ом |
|
Индуктивность
|
6.2 мГ |
|
Инерция ротора
|
38 г/см2 |
|
Масса двигателя
|
0.22 кг |
|
Свинцовый винт
|
Tr8X2 |
|
Соединение
|
Биполярный |
Угол шага: 1,8°
Максимальная температура: 80°C максимум
Температура окружающей среды: от -20 до 50 °C
Температура хранения -20 °C-100 °C
Диапазон влажности воздуха (%): 85% или менее, неконденсирующий
Изоляция из магнитных проводов:класс B 130°C
Сопротивление изоляции: 100 МОм при 500 ВДК
Диэлектрическая прочность: 500 VDC в течение 1 мин.
Радиальная игра вала:0.02 Максимальная (450 г нагрузки)
Аксиальная игра вала:0.08 Максимальная (450 г нагрузки)
Максимальная радиальная сила:28N (20 мм от фланца)
Максимальная осевая сила):10N
| Модель | Поддерживающий момент | Угол шага | Длина двигателя | Тип вала | Номинальный ток |
| 42SHD4950 | 0.13 Н.м. | 10,8° | 20 мм | D вал 20 мм | 1.0A |
| 42SHD4003 | 0.26 Н.м. | 10,8° | 34 мм | D вал 20 мм | 0.4А |
| 42SHD0261 | 0.45 Н.м. | 10,8° | 40 мм | D вал 20 мм | 1.68А |
| 42SHD4425 | 0.59 Н.м. | 10,8° | 48 мм | D вал - 24 мм | 2.0A |
| 42SHD4813 | 00,8 Н.м. | 10,8° | 60 мм | D вал - 24 мм | 2.1А |
| Длина тела | Диаметр винта | Стрелка | Длина винта | ||
| 20 мм 34 мм 40 мм 48 мм 60 мм |
5 | 2 | 20-1000 мм | ||
| 8 | |||||
| 6.35 | 1.27 | ||||
| 3.175 | |||||
| 6.35 | |||||
| 6.5 | 3 | ||||
| 6.35 | |||||
| 8 | 1 | ||||
| 2 | |||||
| 4 | |||||
| 8 | |||||
| 12 | |||||
Скачать
