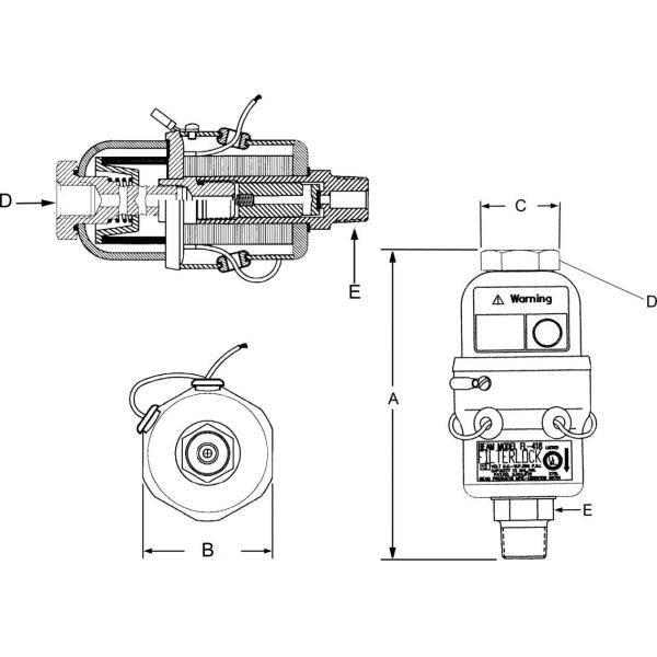
Модель IMPCO FL-418-12V, электрический клапан соленоида выключения, объединенный фильтр, 12 вольта работала
ОПИСАНИЕ
Клапан соленоида выключения модели FL-418-12V сверхмощный электрический с объединенным фильтром. Соленоид 12 вольта управляемый, нормально закрытый и соответствующий для применений природного газа LPG и низкого давления бортовых. Внутренний меняемый фильтр учитывает встроенную фильтрацию и может быть использован совместно с любой системой энергитического управления IMPCO.
| СПЕЦИФИКАЦИИ |
| Тип топлива |
Жидкость LPG/пар или природный газ низкого давления |
| Входное давление (максимум) |
250 psi (17,24 Адвокатуры) |
| Температурная амплитуда рабочей температуры |
-40ºF к +250ºF (- 40ºC к 121ºC) |
| Электрическое требование |
12 VDC |
| Фильтрация топлива требовала |
40 микронов (1,6 mil) |
| Положение установки |
Вертикальный или горизонтальный |
| Аттестация |
UL (AU1502) |

