IMPCO VFF30, lockoff топлива, польза с жидкостью LPG
ОПИСАНИЕ
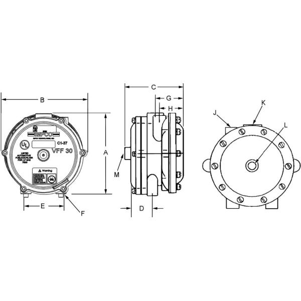
Модельное VFF30 lockoff и фильтр топлива комбинации, проектированные для пользы с жидкостью LPG/паром или паром природного газа. Оно доступен с диафрагмами Hydrin, силикона и Fluorosilicone. Необходимо, что раскрывает давление 0,5" w.c lockoff. VFF30 соответствующее для двигателей до 325 лошадиных сил на максимальном давлении работы 312 psi. Дополнительн-большой патрон фильтра емкости полно пригоден к эксплуатации.
| СПЕЦИФИКАЦИИ |
| Тип топлива |
Жидкость LPG |
| Входное давление (максимум) |
312 psi |
| Расход потока |
26,7 CFM |
| Температурная амплитуда рабочей температуры |
40°F к +250°F |
| Активация вакуума |
| Минимальное отверстие |
0,5" w.c. |
| Полно раскрытый |
11,5» w.c. |
| Минимальн Operating Отверстие |
2,0" w.c. |
| Положение установки |
Вертикаль |
| Аттестация |
UL, запрашивает для специфического утверждения ECE |


