1.Описание продукции
Этот вилочный погрузчик, известный своей экологической устойчивостью, превосходным качеством, надежностью и высокой инвестиционной стоимостью, сравнимой с бриллиантами, воплощает эти качества.Операторы будут оценивать его минимальный уровень шума и вибрации, приятная рабочая среда, и последние достижения в Ergo Centric рулевого управления, гидравлики, и управления.Для обеспечения безопасности оператора интегрированы такие элементы безопасности, как интегрированная система присутствия IPS2 и передовые тормозные системы.Кроме того, каждая система и компонент продуманно спроектированы и выбраны для минимизации времени простоя и затрат на обслуживание.
2Спецификация
| Спецификация | FD20 | 
| Нормальная масса нагрузки | 2000 кг | 
| Мастовая ступень | 2 Нормальные /2 Полностью свободные /3 Полностью свободные | 
| Высота подъема | 3000/4000/4500/5000/6000/6500 мм | 
| Модель двигателя | XinChai 490 BPG/Mitsubishi S4S/Isuzu C240 | 
| Учетная мощность | 36.8/35.3/35.4 кВт | 
| Передача | Ручная/гидравлическая автоматическая 1R,0,1F | 
| Длина вилки | 920/1070/1220/1500 мм | 
| Тип шины | Воздух / твердое вещество | 
| Передняя шина | 7.00-12-12PR | 
| Задняя шина | 6.00-9-10PR | 
| Высота надводной охраны | 2140 мм | 
| Общая длина ((с/без вилки) | 3523/2453 мм | 
| Общая ширина | 1160 мм | 
| Общий рост (Подъем мачты/снижение мачты) | 3000 мм: 4220/2060 мм | 
| Общая масса | 2660 кг | 
| Передняя надвигаемость | 448 мм | 
| Высота свободной вилки | 100 мм | 
| Угол наклона мачты (вперед / назад) | 6°/12° | 
| Центр нагрузки | 500 мм | 
| Освобождение от земли | 120 мм | 
| Основа колеса | 1600 мм | 
| Колесная дорожка | 970/970 мм | 
| Минимальный радиус поворота | 2220 мм | 
| Максимальная скорость движения (полной загрузкой) | 19 км/ч | 
| Максимальная скорость подъема (полное нагрузка) | 550 мм/с | 
| Максимальная тяговая сила ((полное нагрузка) | 12.3 KN | 
| Максимально допустимый градиент | 20 ° | 
| Аккумулятор | 12В/80Ач | 
| Рабочее давление | 18.5 | 
3Подробности и преимущества
Педали автомобильного типа с оптимальным углом педали обеспечивают простоту использования и точное управление, не вызывая напряжения ног.
Ведущий в отрасли эргономический дизайн облегчает легкий доступ к включению и выключению, удобные для пользователя элементы управления, практичный дизайн и отличная видимость вокруг.содействие максимальной точности и производительности.
Такие особенности, как наклонная рулевая колонна, регулируемое сиденье и большое пространство для ног и ног, обеспечивают комфортное положение вождения для всех операторов.наклонная колонна, и полная гидростатическая система управления, вилочный погрузчик позволяет точно и быстро маневрировать.
Регулируемая рулевая колонна с уникальной функцией памяти экономит время и гарантирует идеальное положение вождения.Легкий доступ в отделение оператора облегчается стратегически расположенными стойками и шагами.
4. Факультативные конфигурации
| 1 | Прочные шины (бренд Advanced или эквивалент) | |||
| 2 | Автоматическая коробка передач ((1-4,5Тн) | |||
| 3 | Сдвиг в сторону | |||
| 4 | Толстое сиденье Toyota (без амортизатора) | |||
| 5 | Сиденье Toyota (с амортизатором) | |||
| 6 | Установщик форки | |||
| 7 | Закрытый кабинет | |||
| 8 | Двойные передние шины ((1-5 т) | |||
| 9 | Обычная двойная мачта: 3300-4000 мм. | |||
| 10 | Полная свободная двойная мачта: 3000-4000 мм. | |||
| 11 | Полная свободная тройная мачта: 4500-7500 мм. | |||
| 12 | Длина вилки:920/1370/1550 мм | |||
| 13 | Вилка для расширения | |||
5Привязанность.
Разнообразный выбор высококачественных мачт и приспособлений обеспечивает точную совместимость и оптимальную конфигурацию для различных применений.
Дизайн карета имеет одну центральную полосу, обеспечивающую большой диапазон регулировки вилки, который повышает функциональность.
Диапазон доступных приспособлений включает в себя бумажный ролик зажиматель, вращающийся зажиматель балы, стабилизатор нагрузки, мульти-бальный зажиматель, зажиматель балы, барабанный зажиматель, зажиматель для сброса, руку крана, струнный столб, боковой смещатель,вилки вращающиеся, вилка удлинитель, устройство для освобождения от нагрузки, картонный зажим, устройство для толкания и тяги, ведро, крюк и удлиненная вилка.
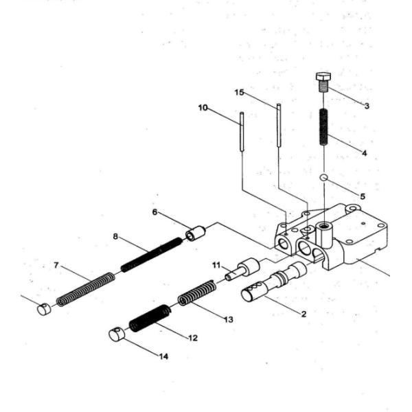
6Взрывное изображение основных частей
| Нет, нет. | Часть No | Описание | Какой? | Примечание | 
| А. | FD20-35-C1052 | Контрольная подгруппа | 1 | |
| 1 | FD20-35-C1172 | Корпус, клапан | 1 | |
| 2 | FD20-35-C1173 | Выборщик | 1 | |
| 3 | FD20-35-C1174 | Включатель | 1 | |
| 4 | FD20-35-C1175 | Весна | 1 | |
| 5 | FD20-35-C1176 | Мяч | 1 | |
| 6 | FD20-35-C1177 | Пистоны | 1 | |
| 7 | FD20-35-C1178 | Весна | 1 | |
| 8 | FD20-35-C1179 | Весна | 1 | |
| 9 | FD20-35-C1180 | вставка | 1 | |
| 10 | FD20-35-C1181 | Иголка, замок. | 1 | |
| 11 | FD20-35-C1182 | Спуль | 1 | |
| 12 | FD20-35-C1183 | Весна | 1 | |
| 13 | FD20-35-C1184 | Весна | 1 | |
| 14 | FD20-35-C1185 | Включатель | 1 | |
| 15 | FD20-35-C1186 | Иголка, замок. | 1 | 



