1.Описание продукции
MCLLROY устанавливает самые высокие стандарты для грузовиков с противовесом двигателя внутреннего сгорания с акцентом на максимизацию производительности оператора и минимизацию эксплуатационных затрат.
Эта модель вилочного погрузчика превосходит другие по экономичности топлива, долговечности и низкой технической устойчивости, что делает ее разумной инвестицией для предприятий.
Оснащенный стандартными расширенными функциями, MCLLROY предлагает исключительную ценность за деньги.
Эти погрузчики обеспечивают скорость, стабильность и мощность, что приводит к высокой эффективности, снижению выбросов и низкому уровню шума.
Кроме того, вилочные погрузчики MCLLROY интегрируют эргономические элементы для улучшения комфорта, контроля и точности, обеспечивая оптимальную производительность в различных приложениях и средах.
2Спецификация
| Спецификация | FD20 |
| Нормальная масса нагрузки | 2000 кг |
| Мастовая ступень | 2 Нормальные /2 Полностью свободные /3 Полностью свободные |
| Высота подъема | 3000/4000/4500/5000/6000/6500 мм |
| Модель двигателя | XinChai 490 BPG/Mitsubishi S4S/Isuzu C240 |
| Учетная мощность | 36.8/35.3/35.4 кВт |
| Передача | Ручная/гидравлическая автоматическая 1R,0,1F |
| Длина вилки | 920/1070/1220/1500 мм |
| Тип шины | Воздух / твердое вещество |
| Передняя шина | 7.00-12-12PR |
| Задняя шина | 6.00-9-10PR |
| Высота надводной охраны | 2140 мм |
| Общая длина ((с/без вилки) | 3523/2453 мм |
| Общая ширина | 1160 мм |
| Общий рост (Подъем мачты/снижение мачты) |
3000 мм: 4220/2060 мм |
| Общая масса | 2660 кг |
| Передняя надвигаемость | 448 мм |
| Высота свободной вилки | 100 мм |
| Угол наклона мачты (вперед / назад) |
6°/12° |
3Подробности и преимущества
Низкий уровень шума в ухе оператора всего 78 дБА и низкая вибрация от силовой установки повышают комфорт и уменьшают усталость.
Низкий уровень шума воздуха подключается непосредственно к фильтру для легкого потока и тихой работы.
Полностью гидростатическое рулевое управление быстро реагирует, точно и без усилий для оператора и требует мало технического обслуживания.
Полностью гидростатическое рулевое управление с небольшим и быстро реагирующим рулевым колесом обеспечивает точное и легкое маневрирование.
Мощная гидравлическая система обеспечивает высокую остаточную емкость для комфортной обработки более тяжелых грузов.
4. Факультативные конфигурации
| 1 | Прочные шины (бренд Advanced или эквивалент) |
|||
| 2 | Автоматическая коробка передач ((1-4,5Тн) | |||
| 3 | Сдвиг в сторону | |||
| 4 | Толстое сиденье Toyota (без амортизатора) | |||
| 5 | Сиденье Toyota (с амортизатором) | |||
| 6 | Установщик форки | |||
| 7 | Закрытый кабинет | |||
| 8 | Двойные передние шины ((1-5 т) | |||
| 9 | Обычная двойная мачта: 3300-4000 мм. | |||
| 10 | Полная свободная двойная мачта: 3000-4000 мм. | |||
| 11 | Полная свободная тройная мачта: 4500-7500 мм. | |||
| 12 | Длина вилки:920/1370/1550 мм | |||
| 13 | Вилка для расширения | |||
5Привязанность.
Разнообразный выбор высококачественных мачт и приспособлений обеспечивает точную совместимость и оптимальную конфигурацию для различных применений.
Дизайн карета имеет одну центральную полосу, обеспечивающую большой диапазон регулировки вилки, который повышает функциональность.
Диапазон доступных приспособлений включает в себя бумажный ролик зажиматель, вращающийся зажиматель балы, стабилизатор нагрузки, мульти-бальный зажиматель, зажиматель балы, барабанный зажиматель, зажиматель для сброса, руку крана, струнный столб, боковой смещатель,вилки вращающиеся, вилка удлинитель, устройство для освобождения от нагрузки, картонный зажим, устройство для толкания и тяги, ведро, крюк и удлиненная вилка.
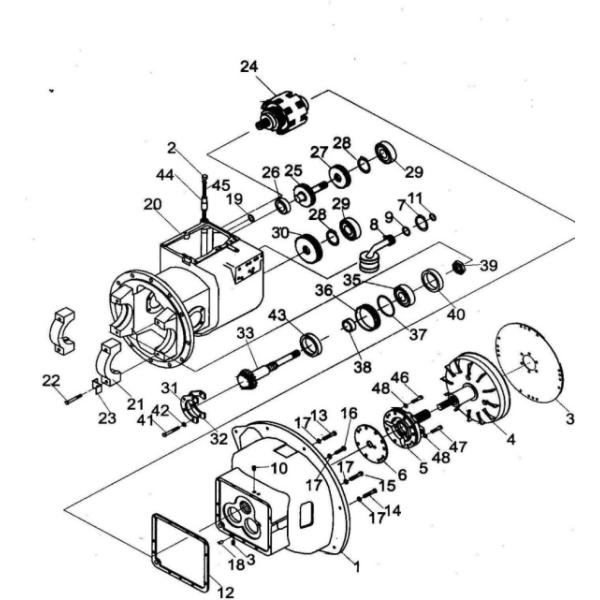
6Взрывное изображение основных частей
| Нет, нет. | Часть No | Описание | Какой? | Примечание |
| 1 | FD20-35-C1002 | Кейс, Тор-Кон | 1 | |
| 2 | FD20-35-C1003 | Чашка | 1 | |
| 3 | FD20-35-C1004 | Включатель | 1 | |
| 4 | FD20-35-C1005 | Комплекты тор-кон | 1 | |
| 5 | FD20-35-C1006 | Комплекты зарядных насосов | 1 | |
| 6 | FD20-35-C1007 | Прокладка | 1 | |
| 7 | FD20-35-C1008 | Ключевое кольцо | 1 | |
| 8 | FD20-35-C1009 | Стиральщик | ||
| 9 | FD20-35-C1010 | О-кольцо | 1 | |
| 10 | FD20-35-C1011 | Включатель | 2 | |
| 11 | FD20-35-C1012 | О-кольцо | 1 | |
| 12 | FD20-35-C1013 | Прокладка | 1 | |
| 13 | FD20-35-C1014 | Шнур | 1 | |
| 14 | FD20-35-C1015 | Шнур | 3 | |
| 15 | FD20-35-C1016 | Шнур | 1 | |
| 16 | FD20-35-C1017 | Шнур | 4 | |
| 17 | GB/T93-1987 | Стиральная машина | 15 | |
| 18 | FD20-35-C1019 | Пин | 2 | |
| 19 | FD20-35-C1020 | О-кольцо | 1 | |
| 20 | FD20-35-C1021 | Дело, миссия. | 1 | |
| 21 | FD20-35-C1022 | Покрытие | 2 | |
| 22 | FD20-35-C1023 | Шнур | 4 | |
| 23 | FD20-35-C1024 | Пластина, замок. | 4 | |
| 24 | FD20-35-C1025 | Сцепление, гидравлическое. | 1 | |
| 25 | FD20-35-C1026 | Шафт, Идлер. | 1 | |
| 26 | FD20-35-C1027 | Подшипник | 1 | |
| 27 | FD20-35-C1028 | Подготовка, Кдлер. | 1 |



