Клапан G1/8 серии ДВИЖЕНИЙ двух позиционный трехсторонний пневматический механический»
Модулирующая лампа серии ДВИЖЕНИЙ механическая с размером G1/8 тела алюминиевого сплава материальным двух позиционным трехсторонним гаван с типом ручки привода, одним типом ролика пути, типом моделью кнопки отсутствие MOV-02
Быстрая деталь:
* клапан серии ДВИЖЕНИЙ механический
* тело клапана алюминиевого сплава
* двух позиционное трехстороннее
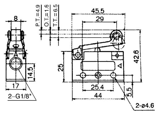
* гаван размер G1/8»
*Various привод для варианта
тип рычага ролика пути *One доступный
* компактный дизайн, гибкое применение
* конюшня с длинным сроком службы
Применения:
Деятельность клапана серии ДВИЖЕНИЙ механическая внешней механической силой для того чтобы контролировать дирекционный переключатель, когда внешняя сила исчезнет, возвращение привода в первоначальную ситуацию. Механическая модулирующая лампа имеет функцию памяти
Спецификации:
| ПРИКАЗЫВАЯ КОД | |
| ДВИЖЕНИЯ | 01 |
| Тип | Тип привода |
| ДВИЖЕНИЯ: Клапан серии ДВИЖЕНИЙ двух позиционный трехсторонний механический | 01: Выборочная ручка |
| 02: Тип ролика | |
| 02A: Один тип ролика пути | |
| 03: Mashroom формирует тип кнопки с замком | |
| 04: Плоский круглый тип кнопки | |
| СПЕЦИФИКАЦИЯ | |||||
| Модель нет | MOV-01 | MOV-02 | MOV-02A | MOV-03 | MOV-04 |
| Средство деятельности | Обжатый 40 микронов фильтровал воздух | ||||
| Материал тела | Алюминиевый сплав | ||||
| Номера положения и пути | Путь 2 положений-3 | ||||
| Гаван размер | G1/8» | ||||
| Давление деятельности | 0~0.8MPa | ||||
| Рабочая температура | 0~70℃ | ||||




Пневматический клапан, механический клапан, модулирующая лампа машины