Цилиндр 40mm до 100mm воздуха двойника CA1 действующий пневматический, баллон растягиваемого элемента
Тип размер высверливания валка 40mm-100mm воздуха двойника CA1 действующий пневматический например CA1BN-40-100 растягиваемого элемента SMC стандартный с магнитом и буфером воздуха
Быстрая деталь:
* SMC взаимообменивают стандартный пневматический цилиндр воздуха CA1
* с дизайном растягиваемого элемента стабилизированным для сверхмощного применения
* трудный анодированный бочонок, ударопрочное сопротивление
* покрытый хром плунжерного штока #45 (ASTM-1045) стальной
* длинный срок службы, высокая эффективность
* размер скважины (mm) 40,50,63,80,100
* наборы, комплекты для ремонта и аксессуары цилиндра доступные

Спецификации:
| CA1 | 20 | 50 |
| CA1BN: Стандартный тип без магнита | Размер скважины | Ход |
| 40:40 mm | ||
| 50:50 mm | ||
| CDA1BN: С магнитом | 63:63 mm | |
| 80:80 mm | ||
| 100:100mm |
| СПЕЦИФИКАЦИЯ | |||||
| Размер скважины (mm) | 40 | 50 | 63 | 80 | 100 |
| средство деятельности | Фильтрованный обжатый воздух | ||||
| Картина движения | Двойное действие | ||||
| Выносливость давления | 1.5MPa | ||||
| Ряд рабочего давения | 0.05~1.0MPa | ||||
| Температура окружающей среды | 5~60ºC | ||||
| Амортизируйте снабжать подкладкой | Буфер воздуха | ||||
| Скорость обработки | 50~500mm/s | ||||
| Гаван размер | G1/4 | G3/8 | G3/8 | G1/2 | G1/2 |

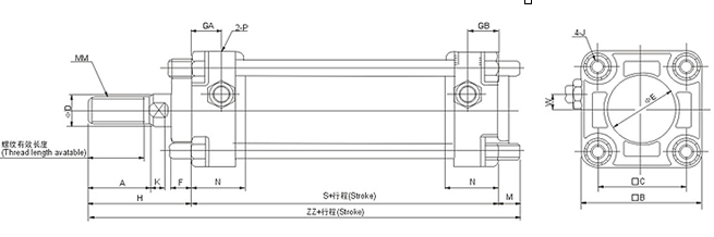
| Размер скважины | Ряд хода | Длина потока доступная |
| □B | □C | φD | φE | F | GA | GB | J | K | M | MM | N | P | S | W | H | ZZ |
| 40 | ~500 | 27 | 30 | 60 | 44 | 16 | 32 | 10 | 15 | 15 | M8×1.25 | 6 | 11 | M14×1.5 | 27 | 1/4 | 84 | 8 | 51 | 146 |
| 50 | ~600 | 32 | 35 | 70 | 52 | 20 | 40 | 10 | 17 | 17 | M8×1.25 | 7 | 11 | M18×1.5 | 30 | 3/8 | 90 | 0 | 58 | 159 |
| 63 | ~600 | 32 | 35 | 85 | 64 | 20 | 40 | 10 | 17 | 17 | M10×1.25 | 7 | 14 | M18×1.5 | 31 | 3/8 | 98 | 0 | 58 | 170 |
| 80 | ~750 | 37 | 40 | 102 | 78 | 25 | 52 | 14 | 21 | 21 | M12×1.75 | 11 | 17 | M22×1.5 | 37 | 1/2 | 116 | 0 | 71 | 204 |
| 100 | ~750 | 37 | 40 | 116 | 92 | 30 | 52 | 14 | 21 | 21 | M12×1.75 | 11 | 17 | M26×1.5 | 40 | 1/2 | 126 | 0 | 72 | 215 |