Цилиндр воздуха стандарта ADN ISO21287 двойной действующий компактный пневматический с буфером магнита и резиновых
Размер высверливания валка 12mm-125mm воздуха ADN стандарта ISO21287 компактный двойной действующий пневматический например ADN20-50-P-A-F с кроссовером магнита и резиновых буфера Festo со слотом на цилиндре для устанавливать датчики
Быстрая деталь:
* стандартный компактный цилиндр воздуха ISO21287, эквивалент Festo
* одиночное действующее и двойное действующее доступное, двойное действующее стандартное
* со слотом на цилиндре для устанавливать датчики
* с валиком магнита и резиновых
* покрытый хром плунжерного штока #45 (ASTM-1045) стальной
* плунжерный шток нержавеющей стали доступен
* размер скважины 12mm 16mm, 20mm, 25mm, 32mm, 40mm, 50mm, 63mm, 80mm, 100mm, 125mm
* наборы, комплекты для ремонта и аксессуары цилиндра доступные
Спецификации:
| ПРИКАЗЫВАЯ КОД | |||||
| ADN | 20 | 50 | P |
| F |
| Стандарт ISO21287 | Размер скважины | Ход | Резиновый стандарт буфера | Со стандартом магнита | F: Гаечная резьба конца прута поршеня |
| ADN: Стандартный действовать двойника | 12:12 mm | ||||
| 16:16 mm | |||||
| 20:20 mm | |||||
| 20:20 mm | |||||
| 25:25 mm | |||||
| 32:32 mm | |||||
| AEN: Одиночный действовать | 40:40 mm | ||||
| 50:50 mm | M: Внешняя нарезка конца прута поршеня | ||||
| 63:63 mm | |||||
| 80:80 MM | |||||
| 100:100MM | |||||
| 125:125MM | |||||
| СПЕЦИФИКАЦИЯ | |||||||||||
| Размер скважины (mm) | 12 | 16 | 20 | 25 | 32 | 40 | 50 | 63 | 80 | 100 | 125 |
| средство деятельности | Фильтрованный обжатый воздух | ||||||||||
| Картина движения | Двойное действие/одиночное действие | ||||||||||
| Выносливость давления | 1.5MPa | ||||||||||
| Ряд рабочего давения | 0.1~1.0MPa | ||||||||||
| Температура окружающей среды | -5~70ºC | ||||||||||
| Амортизируйте снабжать подкладкой | Резиновый буфер | ||||||||||
| Приведитесь в действие скорость (двойное действие) | 30~500mm/s | 30~350mm/s | 30~250mm/s | ||||||||
| Приведитесь в действие скорость (одиночное действие) | 100~500mm/s | ||||||||||
| Гаван размер | M5 | M5 | M5 | M5 | G1/8 | G1/8 | G1/8 | G1/8 | G1/8 | G1/8 | G1/4 |

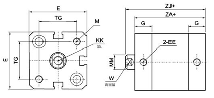
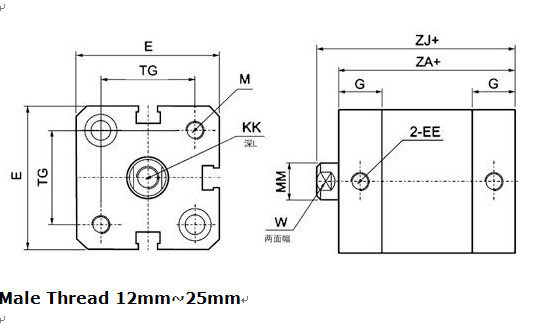
Гаечная резьба 12mm~25mm

Гаечная резьба 32mm~125mm
| РАЗМЕР СКВАЖИНЫ | E | G | EE | MM | M | KK | L | TG | W | ZA | ZJ |
| 12 | 27,5 | 10,5 | M5 | 6 | M4 | M3 | 8 | 16 | 5 | 35 | 40 |
| 16 | 29 | 11 | M5 | 8 | M4 | M4 | 10 | 18 | 7 | 35 | 40 |
| 20 | 35,5 | 12 | M5 | 10 | M5 | M6 | 14 | 22 | 8 | 37 | 43 |
| 25 | 39,5 | 12 | M5 | 10 | M5 | M6 | 14 | 26 | 8 | 39 | 45 |
| 32 | 47,5 | 15 | G1/8 | 12 | M6 | M8 | 16 | 32,5 | 10 | 45 | 50 |
| 40 | 56,5 | 14,5 | G1/8 | 12 | M6 | M8 | 16 | 38 | 10 | 45 | 51 |
| 50 | 66,5 | 14,5 | G1/8 | 16 | M8 | M10 | 20 | 46,5 | 14 | 45 | 53 |
| 63 | 79,5 | 14,5 | G1/8 | 16 | M8 | M10 | 20 | 56,5 | 14 | 50 | 57 |
| 80 | 100 | 16 | G1/8 | 20 | M10 | M12 | 20 | 72 | 17 | 55 | 63 |
| 100 | 120 | 19,5 | G1/8 | 20 | M10 | M12 | 20 | 89 | 17 | 67 | 76 |
| 125 | 134,5 | 20 | G1/4 | 25 | M12 | M16 | 25 | 110 | 22 | 81 | 92 |


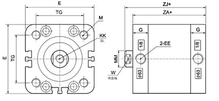
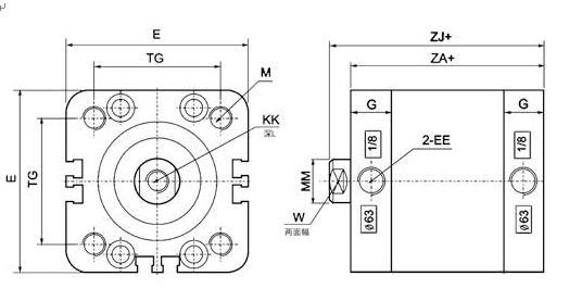
Внешняя нарезка 32~125mm
| Размер скважины | До полудня | E | G | EE | MM | M | KK | TG | W | ZA | ZJ |
| 12 | 10 | 27,5 | 10,5 | M5 | 6 | M4 | M5 | 16 | 5 | 35 | 50 |
| 16 | 12 | 29 | 11 | M5 | 8 | M4 | M6 | 18 | 7 | 35 | 52 |
| 20 | 16 | 35,5 | 12 | M5 | 10 | M5 | M8 | 22 | 8 | 37 | 59 |
| 25 | 16 | 39,5 | 12 | M5 | 10 | M5 | M8 | 26 | 8 | 39 | 61 |
| 32 | 19 | 47,5 | 15 | G1/8 | 12 | M6 | M10x1.25 | 32,5 | 10 | 45 | 69 |
| 40 | 19 | 56,5 | 14,5 | G1/8 | 12 | M6 | M10x1.25 | 38 | 10 | 45 | 70 |
| 50 | 22 | 66,5 | 14,5 | G1/8 | 16 | M8 | M12x1.25 | 46,5 | 14 | 45 | 75 |
| 63 | 22 | 79,5 | 14,5 | G1/8 | 16 | M8 | M12x1.25 | 56,5 | 14 | 50 | 79 |
| 80 | 28 | 100 | 16 | G1/8 | 20 | M10 | M16x1.5 | 72 | 17 | 55 | 91 |
| 100 | 28 | 120 | 19,5 | G1/8 | 20 | M10 | M16x1.5 | 89 | 17 | 67 | 104 |
| 125 | 40 | 134,6 | 20 | G1/4 | 25 | M12 | M20x1.5 | 110 | 22 | 81 | 132 |
Пневматический цилиндр, цилиндр воздуха, линейный привод, баллон, цилиндр ISO, компактный пневматический цилиндр