CXSM направило цилиндр воздуха размера скважины 6~32mm вала штанги двойной пневматический с буфером магнита/резиновых
Хорошая работа в искажени-сопротивлении, типе CXSM переплетать-сопротивления SMC направила размер высверливания валка 6mm-32mm воздуха двойного вала штанги двойной действующий пневматический например CXSM-20-50 с буфером магнита и резиновых
Быстрая деталь:
* цилиндр воздуха штанги двойника CXSM с взаимообменом плиты SMC направленной штанги
* высокая точность убеждаться линейный двигать превосходно
* хорошая работа в искажени-сопротивлении, переплетать-сопротивлении
* со слотом на цилиндре для устанавливать датчики
* дизайн для того чтобы принести бортовое представление нагрузки
* отверстие установки Мульти-положения легко для установки.
* с валиком магнита и резиновых оба конца
* сползая подшипник и ведущий подшипник шарика доступный для варианта
* покрытый хром плунжерного штока #45 (ASTM-1045) стальной
* плунжерный шток нержавеющей стали доступен
* с самосмазочным подшипником, смазкой свободной
* размер скважины 6mm 10mm, 16mm, 20mm, 25mm, 32mm
Спецификации:
| ПРИКАЗЫВАЯ КОД | |||
| CXS | M | 20 | 50 |
| CXS: Стандартный двойной вал с типом магнита | Носить тип | Размер скважины | Ход: 0~100mm |
| M: Тип сползая подшипника | 6:6mm | ||
| 10:10 mm | |||
| 16:16 mm | |||
| L: Тип ведущего подшипника шарика | 20:20 mm | ||
| 25:25 mm | |||
| 32:32 mm | |||
| СПЕЦИФИКАЦИЯ | ||||||
| Размер скважины (mm) | 6 | 10 | 16 | 20 | 25 | 32 |
| средство деятельности | Фильтрованный обжатый воздух | |||||
| Картина движения | Двойное действие | |||||
| Выносливость давления | 1.05MPa | |||||
| Ряд рабочего давения | 0.15~7MPa | 0.1~7MPa | 0.05~0.7MPa | |||
| Температура окружающей среды | 5~60ºC | |||||
| Амортизируйте снабжать подкладкой | Буфер обоих концов резиновый | |||||
| Носить тип | Сползая подшипник или ведущий подшипник шарика для варианта | |||||
| Регулируемый ход | 0~5mm | |||||
| Точность Никак-вращения (подшипник скольжения) | ±0.1° | ±0.15° | ±0.13° | ±0.11° | ±0.1° | ±0.08° |
| Точность Никак-вращения (ведущий подшипник шарика) | ±0.1° | ±0.1° | ±0.07° | ±0.06° | ±0.05° | ±0.04° |
| Гаван размер | M5X0.8 | M5X0.8 | M5X0.8 | M5X0.8 | M5X0.8 | G1/8 |




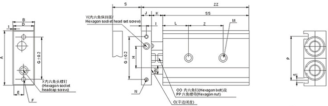
| Модель |
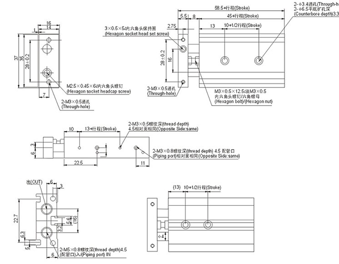
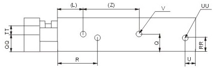
| B | C | D | E | F | G | H | Я | J | K | L | M | N | NN | O | OO | P |
| CXS10□ | 46 | 17 | 44 | 15 | 7,5 | 2-M4×0.7 | 35 | 20 | 4 | 8 | 9 | 20 | 2-Φ3.4through | 2-M3×0.5 | Φ6 | 5 | M4×0.7×14.5L | 33,6 |
| 2-Φ6.5 | глубина 5 потока | |||||||||||||||||
| Counterbore depth3.3 |
| |||||||||||||||||
| CXS15□ | 58 | 20 | 56 | 18 | 9 | 2-M5×0.8 | 45 | 25 | 5 | 10 | 9 | 30 | 2-Φ4.3through | 2-M4×0.7 | Φ8 | 6 | M4×0.7×14.5L | 48 |
| 2-Φ8 | глубина 6 потока | |||||||||||||||||
| Counterbore depth4.4 |
| |||||||||||||||||
| CXS20□ | 64 | 25 | 62 | 23 | 11,5 | 2-M5×0.8 | 50 | 28 | 6 | 12 | 12 | 30 | 2-Φ5.5through | 2-M4×0.7 | Φ10 | 8 | M6×1.0×18.5L | 53 |
| 2-Φ9.5 | глубина 6 потока | |||||||||||||||||
| Counterbore depth5.3 |
| |||||||||||||||||
| CXS25□ | 80 | 30 | 78 | 28 | 14 | 2-M6×1.0 | 60 | 35 | 6 | 12 | 12 | 30 | 2-Φ6.9through | 2-M5×0.8 | Φ12 | 10 | M6×1.0×18.5L | 64 |
| 2-Φ11 | глубина 7,5 потока | |||||||||||||||||
| Counterbore depth6.3 |
| |||||||||||||||||
| CXS32□ | 98 | 38 | 96 | 36 | 18 | 2-M6×1.0 | 75 | 44 | 8 | 16 | 14 | 30 | 2-Φ6.9through | 2-M5×0.8 | Φ16 | 13 | M8×12.5×23L | 76 |
| 2-Φ11 | глубина 8 потока | |||||||||||||||||
| Counterbore depth6.3 |
|
| Модель | PP | Q | | R | RR | T | TT | U | UU | V | W | X | Y |
| CXS10□ | M4×0.7 | 8,5 | 7 | 30 | 7 | - | 5 | 8 | 4-M5×0.8 | 4-M3×0.5 | 2-M4×0.7 | M3×0.5×10L | M3×0.5×5L |
| глубина 4,5 потока | глубина 4,5 потока | глубина 7 потока | |||||||||||
| CXS15□ | M4×0.7 | 10 | 10 | 38,5 | 10 | - | 5 | 8 | 4-M5×0.8 | 4-M4×0.7 | 2-M5×0.8 | M5×0.8×10L | M4×0.7×4L |
| глубина 4,5 потока | глубина 5 потока | глубина 8 потока | |||||||||||
| CXS20□ | M6×1.0 | 7,75 | 12,5 | 45 | 7,75 | 9,5 | 6,5 | 8 | 4-M5×0.8 | 8-M4×0.7 | 2-M6×1.0 | M6×1.0×12L | M5×0.8×5L |
| глубина 4,5 потока | глубина 6 потока | глубина 10 потока | |||||||||||
| CXS25□ | M6×1.0 | 8,5 | 15 | 46 | 15 | 13 | 9 | 9 | 2004-1-8 | 8-M5×0.8 | 2-M8×1.25 | M6×1.0×14L | M6×1.0×5L |
| глубина 6,5 потока | глубина 7,5 потока | глубина 12 потока | |||||||||||
| CXS32□ | M8×1.25 | 9 | 19 | 56 | 19 | 20 | 11,5 | 10 | 2004-1-8 | 8-M5×0.8 | 2-M8×1.25 | M8×1.25×16L | M8×1.25×8L |
| глубина 6,5 потока | глубина 7,5 потока | глубина 12 потока |
| Модель | S | SS | Z | ZZ | Модель | S | SS | Z | ZZ |
| CXS10-10□ | 10 | 65 | 30 | 82 | CXS15-10□ | 10 | 70 | 25 | 89 |
| CXS10-20□ | 20 | 75 | 92 | CXS15-20□ | 20 | 80 | 99 | ||
| CXS10-30□ | 30 | 85 | 40 | 102 | CXS15-30□ | 30 | 90 | 35 | 109 |
| CXS10-40□ | 40 | 95 | 112 | CXS15-40□ | 40 | 100 | 119 | ||
| CXS10-50□ | 50 | 105 | 122 | CXS15-50□ | 50 | 110 | 129 | ||
| Модель | S | SS | Z | ZZ | CXS20-40□ | 40 | 110 | 40 | 134 |
| CXS20-10□ | 10 | 80 | 30 | 104 | CXS20-50□ | 50 | 120 | 144 | |
| CXS20-20□ | 20 | 90 | 114 | CXS20-75□ | 75 | 145 | 60 | 169 | |
| CXS20-30□ | 30 | 100 | 40 | 124 | CXS20-100□ | 100 | 170 | 194 | |
| Модель | S | SS | Z | ZZ | Модель | S | SS | Z | ZZ |
| CXS25-10□ | 10 | 82 | 30 | 106 | CXS32-10□ | 10 | 92 | 40 | 122 |
| CXS25-20□ | 20 | 95 | 116 | CXS32-20□ | 20 | 102 | 132 | ||
| CXS25-30□ | 30 | 102 | 40 | 126 | CXS32-30□ | 30 | 112 | 50 | 142 |
| CXS25-40□ | 40 | 112 | 136 | CXS32-40□ | 40 | 122 | 152 | ||
| CXS25-50□ | 50 | 122 | 146 | CXS32-50□ | 50 | 132 | 162 | ||
| CXS25-75□ | 75 | 147 | 60 | 171 | CXS32-75□ | 75 | 157 | 70 | 187 |
| CXS25-100□ | 100 | 172 | 196 | CXS32-100□ | 0 | 182 | 212 |
Пневматический цилиндр, двойной цилиндр воздуха вала, цилиндр двойной штанги пневматический