Клапан регулирования потока отсоса воздуха G1/4» пневматический, тело клапана алюминиевого сплава
Размер G1/8~G1 например QE-02 порта выпускного клапана серии QE быстрый
Быстрая деталь:
* выпускной клапан серии QE быстрый
* сплав тела материальный алюминиевый
* гаван размер G1/8», G1/4», G3/8, G1/2», G3/8», G1»
* компактный дизайн, небольшой том, облегченный
* легкая деятельность, чувствительная Respond
* быстро выматывающся, деятельность безопасности
* сразу установка соединения трубы, легкий и удобный
* стабилизированный дизайн, длинная serive жизнь
Пневматический клапан, быстрый выпускной клапан, клапан регулирования потока
Применения:
Выпускной клапан серии QE быстрый широко использует в месте пневматической системы самом высоком, поворачивая месте или везде эти воздух закрывать-в, оно могут быстро выматывающся закрывать-в воздухе для того чтобы держать трубу системы до конца и держать движение компонентов ровно, и безопасно.
Например, QE установило между цилиндром и модулирующая лампа около цилиндра, консервная банка направления цилиндра воздуха exhuasting сразу путем выпускной клапан не через модулирующую лампу направления, может улучшить скорость цилиндра работая эффектно
Спецификации:
| ПРИКАЗЫВАЯ КОД | |
| QE | 02 |
| Тип | Гаван размер |
| QE: Выпускной клапан серии QE быстрый | 01: G1/8» |
| 02: G1/4» | |
| 03: G3/8» | |
| 04: G1/2» | |
| 06: G3/4» | |
| 08: G1» | |
| СПЕЦИФИКАЦИЯ | ||||||
| Модель нет | QE-01 | QE-02 | QE-03 | QE-04 | QE-06 | QE-08 |
| Средство деятельности | Обжатый 40 микронов фильтровал воздух | |||||
| Материал тела | Алюминиевый сплав | |||||
| Гаван размер | G1/8» | G1/4» | G3/8» | G1/2» | G3/4» | G1» |
| Давление деятельности | 0.05~1.2MPa | |||||
| Рабочая температура | – 5~60℃ | |||||


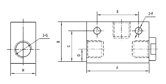
| Модель никакая |
| B | C | D | E | F | G | H |
| QE-01 | 40 | 32 | 27 | 11 | 30 | Ф4.3 | G1/8 | 22 |
| QE-02 | 55 | 40 | 32 | 16 | 39 | Ф5.5 | G1/4 | 26 |
| QE-03 | 55 | 40 | 32 | 16 | 39 | Ф5.5 | G3/8 | 26 |
| QE-04 | 90 | 60 | 50 | 20 | 60 | Ф8.5 | G1/2 | 40 |
| QE-06 | 90 | 60 | 50 | 20 | 60 | Ф8.5 | G3/4 | 40 |
| QE-08 | 113 | 75 | 63 | 26 | 80 | Ф8.5 | G1 | 50 |