цилиндр воздуха 16-40mm алюминиевый двойной действующий пневматический с резиновым валиком
Тип двойника MAL сплава алюминия размер высверливания валка 16mm-40mm например MAL-CA-25-50-S Airtac воздуха мини действующий пневматический с магнитом и регулируемым буфером воздуха
Быстрая деталь:
*Airtac взаимообменивает цилиндр воздуха алюминиевого сплава мини пневматический
*Compact тонкое, простой дизайн стоило effictive
магнит *With, резиновый валик держать от удара, длинного срока службы, более малошумного
покрытый хром штанги #45 *Piston (ASTM-1045) стальной
*Stainless стальной плунжерный шток доступен
подшипник *With самосмазочный, смазка свободная
размер 16mm *Bore, 20mm, 25mm, 32mm, 40mm
наборы и аксессуары *Cylinder доступные
Спецификации:
| ПРИКАЗЫВАЯ КОД | ||||||
| MAL | CA | 25 | 100 | S | LB | |
| MAL: Двойное действующее стандартное | Модель задней крышки | Размер скважины | Ход | : С магнитом | Устанавливать аксессуары | |
| Пробел: Тип Finshtail | 16:16 mm | Пробел: Основной тип | ||||
| MSAL: Одиночный действовать | LB: Крепление на кронштейне спереди и сзади | |||||
| 20:20 mm | FA: Передний фланец | |||||
| MALD: Двойной плунжерный шток | U: Горизонтальный тип | 25:25 mm | U: Тип clevis u | |||
| Пробел: Без магнита | SDB: Тип задней крышки отбрасывая | |||||
| MALJ: Регулируемый ход | 32:32 mm |
| ||||
| СМ: Круглый тип | 40:40 mm | |||||
| СПЕЦИФИКАЦИЯ | |||||
| Размер скважины (mm) | 16 | 20 | 25 | 32 | 40 |
| средство деятельности | Фильтрованный обжатый воздух | ||||
| Картина движения | Двойное действие/одиночный действовать | ||||
| Выносливость давления | 1.5MPa | ||||
| Ряд рабочего давения | 0.1~1.0MPa | ||||
| Температура окружающей среды | -5~70ºC | ||||
| Амортизируйте снабжать подкладкой | Резиновый буфер, опционное буфера воздуха регулируемое | ||||
| Скорость обработки | 50~800mm/s | ||||
| Гаван размер | M5X0.8 | G1/8 | G1/8 | G1/8 | G1/8 |


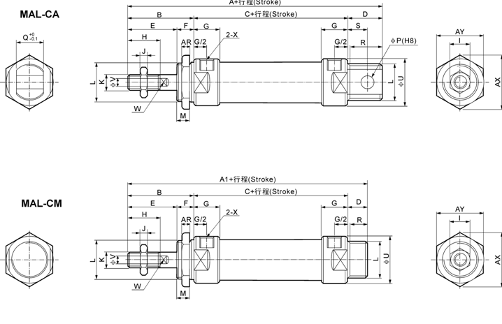
| Размер скважины |
| A1 | A2 | B | C | D | D1 | E | F | G | H | Я | J | K | |
| 16 | 104 | 104 | 90 | 38 | 52 | 15 | 15 | 24 | 14 | 11 | 16 | 10 | 5 | M6×1 | |
| 20 | 131 | 122 | 110 | 40 | 70 | 21 | 12 | 28 | 12 | 16 | 20 | 12 | 6 | M8×1.25 | |
| 25 | 135 | 128 | 114 | 44 | 70 | 21 | 14 | 30 | 14 | 16 | 22 | 17 | 6 | M10×1.25 | |
| 32 | 141 | 128 | 114 | 44 | 70 | 27 | 14 | 30 | 14 | 16 | 22 | 17 | 6 | M10×1.25 | |
| 40 | 165 | 152 | 138 | 46 | 92 | 27 | 14 | 32 | 14 | 22 | 24 | 17 | 7 | M12×1.25 | |
| Размер скважины | L | M | P | Q | R | R1 | S | U | V | W | X | AR | ОСЬ | AY | |
| 16 | M16×1.5 | 8 | 6 | 12 | 13 | 13 | 6 | 20 | 6 | / | M5 | 7 | 24 | 27,5 | |
| 20 | M22×1.5 | 10 | 8 | 16 | 19 | 12 | 12 | 29 | 8 | 6 | G1/8 | 7 | 33 | 29 | |
| 25 | M22×1.5 | 12 | 8 | 16 | 19 | 14 | 12 | 34 | 10 | 8 | G1/8 | 7 | 33 | 29 | |
| 32 | M24×2.0 | 12 | 10 | 16 | 25 | 14 | 15 | 39,5 | 12 | 10 | G1/8 | 8 | 37 | 32 | |
| 40 | M30×2.0 | 12 | 12 | 20 | 25 | 14 | 15 | 49,5 | 16 | 14 | G1/4 | 9 | 47 | 41 | |