Компактируйте цилиндра воздуха 3 валов тип двойного действующего пневматического сползая нося с плитой направленной штанги
Тип компакт MGPM SMC, размер высверливания валка 12mm-100mm воздуха вала MGPL 3 двойной действующий пневматический например MGPM25-50-S с плитой магнита и направленной штанги
Быстрая деталь:
цилиндр воздуха три-штанги взаимообмена *SMC компактный пневматический с плитой ведущей штанга
guardance куста *Brass держать от качания эффективный
представление *Good в искажени-сопротивлении и извив-сопротивлении
представление нагрузки *Side конструированное к емкости
*Sliding подшипник, ведущий подшипник шарика обеспечить цилиндр в ровном движении
слот *With на цилиндре для устанавливать датчики
валик магнита *With и резиновых
покрытый хром штанги #45 *Piston (ASTM-1045) стальной
*Stainless стальной плунжерный шток доступен
подшипник *With самосмазочный, смазка свободная
размер 12mm *Bore, 16mm, 20mm, 25mm, 32mm, 40mm, 50mm.63mm, 80mm, 100mm
Спецификации:
| ПРИКАЗЫВАЯ КОД | ||||
| MGP | M | 20 | 50 | S |
| MGP: Три-штанга с плитой ведущей штанга | Тип подшипника | Размер скважины | Ход | S: Со стандартом магнита |
| M: Сползая подшипник | 12:12 mm | |||
| 16:16 mm | ||||
| 20:20 mm | ||||
| 25:25 mm | ||||
| 32:32 mm | ||||
| L: Подшипник Guid шарика | 40:40 mm | |||
| 50:50 mm | ||||
| 63:63 mm | ||||
| 80:80 mm | ||||
| 100:100mm | ||||
| СПЕЦИФИКАЦИЯ | ||||||||||
| Размер скважины (mm) | 12 | 16 | 20 | 25 | 32 | 40 | 50 | 63 | 80 | 100 |
| средство деятельности | Фильтрованный обжатый воздух | |||||||||
| Картина движения | Двойное действие | |||||||||
| Выносливость давления | 1.5MPa | |||||||||
| Ряд рабочего давения | 0.12~1.0MPa | |||||||||
| Температура окружающей среды | -10~60ºC | |||||||||
| Амортизируйте снабжать подкладкой | Резиновый буфер | |||||||||
| Скорость обработки | 50~500mm/s | 50~400mm/s | ||||||||
| Носить модель | Сползая подшипник/подшипник Guid шарика | |||||||||
| Точность Никак-вращения (сползая подшипник) | ±0.08° | ±0.07° | ±0.06° | ±0.05° | ±0.04° | |||||
| Точность Никак-вращения (ведущий подшипник шарика) | ±0.1° | ±0.09° | ±0.08° | ±0.06° | ±0.05° | |||||
| Гаван размер | M5X0.8 | G1/8 | G1/8 | G1/8 | G1/8 | G1/4 | G1/4 | G3/8 | G3/8 | |

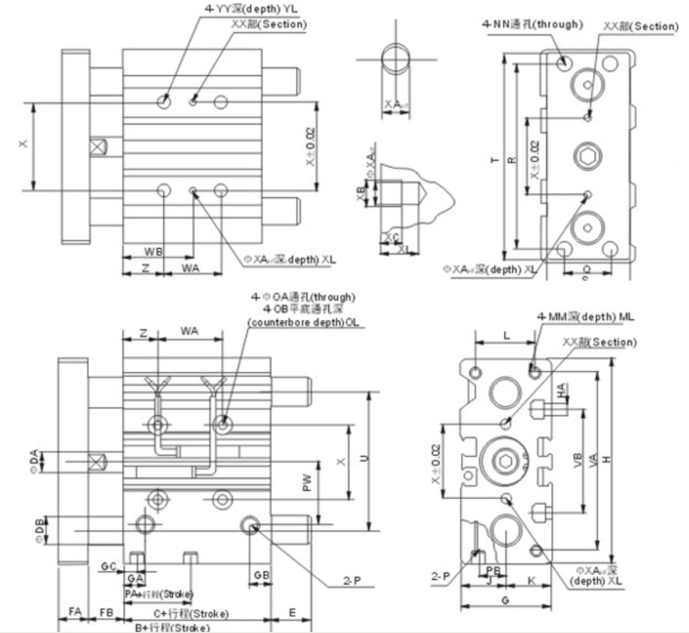
| B | C | DA | FA | FB | G | GA | GB | ОБЩЕЕ РУКОВОДСТВО | H | HA | J | K | L | MM | ML | NN | OA | OB | OL | P | PA | PB | ||
| 32 | 59,5 | 37,5 | 16 | 12 | 10 | 48 | 12,5 | 9 | 12,5 | 112 | M6 | 24 | 24 | 34 | M8×1.25 | 20 | M8× 1,25 | 6,6 | 11 | 7,5 | RC1/8 | 7 | 15 | |
| 40 | 66 | 44 | 16 | 12 | 10 | 54 | 14 | 10 | 14 | 120 | M6 | 27 | 27 | 40 | M8×1.25 | 20 | M8× 1,25 | 6,6 | 11 | 7,5 | RC1/8 | 13 | 18 | |
| 50 | 72 | 44 | 20 | 16 | 12 | 64 | 14 | 11 | 12 | 148 | M8 | 32 | 32 | 46 | M10×1.5 | 22 | M10× 1,5 | 8,6 | 14 | 9 | RC1/4 | 9 | 21,5 | |
| 63 | 77 | 49 | 20 | 16 | 12 | 78 | 16,5 | 13,5 | 16,5 | 162 | M10 | 39 | 39 | 58 | M10×1.5 | 22 | M10× 1,5 | 8,6 | 14 | 9 | RC1/4 | 14 | 28 | |
| Размер скважины | R | S | T | U | VA | VB | С a | WB | X | XA | XB | XC | XL | YY | YL | Z | PW | Q |
| |||||
| 25 st | 50, 75, 100st | 100st или выше | 25st | 50, 75, 100st | 100st или выше | |||||||||||||||||||
| 32 | 96 | 44 | 110 | 78 | 98 | 63 | 24 | 48 | 124 | 33 | 45 | 83 | 42 | 4 | 4,5 | 3 | 6 | M8×1.25 | 16 | 21 | 34 | 30 | ||
| 40 | 104 | 44 | 118 | 85 | 106 | 72 | 24 | 48 | 124 | 34 | 46 | 84 | 50 | 4 | 4,5 | 3 | 6 | M8×1.25 | 16 | 22 | 38 | 30 | ||
| 50 | 130 | 60 | 146 | 110 | 130 | 92 | 24 | 48 | 124 | 36 | 48 | 86 | 66 | 5 | 6 | 4 | 8 | M10×1.5 | 20 | 24 | 47 | 40 | ||
| 63 | 130 | 70 | 158 | 124 | 142 | 110 | 28 | 52 | 128 | 38 | 50 | 88 | 80 | 5 | 6 | 4 | 8 | M10×1.5 | 20 | 24 | 55 | 50 | ||
Подшипник MGPM сползая Шарикоподшипник MGPL
|
| DB | E |
| Размер скважины |
| DB | E | ||||||||||||
| 50 st ≥ | 50st< 200st ≥ | 200st < | 50s t≥ | 50st< 200st ≥ | 200 st < | 50 st ≥ | 50st<100st ≥ | 100st< 200st ≥ | 200 st < | 50st ≥ | 50st< 100st ≥ | 100st< 200st ≥ | 200st < | ||||||
| 32 | 97 | 102 | 140 | 20 | 37,5 | 42,5 | 80,5 | 32 | 81 | 98 | 118 | 140 | 16 | 21,5 | 38,5 | 58,5 | 80 | ||
| 40 | 97 | 102 | 140 | 20 | 31 | 36 | 74 | 40 | 81 | 98 | 118 | 140 | 16 | 15 | 32 | 52 | 74 | ||
| 50 | 107 | 118 | 161 | 25 | 34,5 | 46 | 89 | 50 | 93 | 114 | 134 | 161 | 20 | 21 | 42 | 62 | 89 | ||
| 63 | 107 | 118 | 161 | 25 | 29,5 | 41 | 84 | 63 | 93 | 114 | 134 | 161 | |||||||
Пневматический цилиндр, цилиндр воздуха, линейный привод, баллон, цилиндр воздуха 3 валов,