1А 10В многоканальный потенциостат CS310X 8-канальный 8 eis
1A 10В многоканальный потенциостат CS310X 8-канальный 8 eis - это универсальный прибор, предлагающий 8 слотов.Это равно, что у вас есть 8 наборов независимых потенциостатов / гальваностатов интегрированных в одно шассиМодуль EIS (10μHz~1MHz) оснащен всеми 8 каналами. Каждый канал потенциального диапазона управления составляет ±10V, диапазон управления током ±1A. Напряжение соответствия: ±21V.Многоканальный потенциостат CS310X ((Опция D) 8-канальный 8 eis приносит удобство тем, у кого много образцов, и является идеальным устройством для исследования энергетических материалов, испытаний батарей и т. д. Для 1A 10V многоканального потенциостата CS310X 8-канального 8 eis,каналы могут быть выделены и управлены несколькими компьютерами.
Применение многоканального потенциостата CS310X 8-канальный 8 eis:
● Исследование энергетических материалов (литий-ионные батареи, солнечные батареи, топливные батареи, суперконденсаторы), передовые функциональные материалы
● Электрокатализ (HER, OER, ORR, CO2RR, NRR)
● Исследование коррозии и оценка коррозионной устойчивости металлов; быстрая оценка ингибиторов коррозии, покрытий и эффективности катодной защиты
● Электросинтез, электропластировка/электродепозиция, анодное окисление, электролиз
Полный плавучий модуль и конструкция электрической изоляции гарантируют, что каждый канал полностью независим, что обеспечивает точные данные и эффективные одновременные измерения.

Стандартное снабжениемногоканальный потенциостат CS310X 8-канальный 8 eis:
8-канальный потенциостат хост -1 набор,
Программное обеспечение CS studio*1,
Электродный кабель *16 шт.,
Фальшивый телефон * 8 штук,
Кабель питания * 1 шт.,
Кабель Ethernet *1 шт., Ручной
Преимуществаизмногоканальный потенциостат CS310X 8-канальный 8 eis:
Высокий ток/напряжение: диапазон применяемого потенциала ±10 В, ток ±1 А. Поток может быть увеличен усилителем тока 20 А/40 А.
Комплексные методы: в каждом канале есть комплексные методы.
Встроенная EIS (10μHz~1MHz) оснащена во всех 8 каналах.
Низкая стоимость: цена включает в себя хост прибора, программное обеспечение (контроль эксперимента и обработка данных), необходимые кабели, фиктивную ячейку.По сравнению с одноканальным потенциостатом Один канал многоканального потенциостата равен одноканальному потенциостату.
Гарантия: 5 лет гарантии. Мы производитель, и наши инженеры будут предоставлять техническую поддержку в любое время, когда вам нужно. Все послепродажное обучение, техническая поддержка, включая ремонт, бесплатны.Надежность и качество: Мы были на рынке в течение 20 лет, и теперь является No1 бренд потенциостат продукта в Китае
Применение многоканального потенциостата CS310X 8-канальный 8 eis
Енервный
С помощью методов LSV, CV, гальваностатического заряда и разряда (GCD), постоянного потенциала / тока EIS и точной IR-компенсационной схемы,многоканальный потенциостат CS310X 8-канальный 8 eis широко используются в суперконденсаторе, литий-ионные батареи, натриево-ионные батареи, топливные элементы, литий-S батареи, солнечные батареи, твердотельные батареи, потоковые батареи, металлические воздушные батареи и т.д.Он является отличным научным инструментом для исследователей в области энергетики и материалов., особенно когда вы хотите сделать испытание батареи одновременно для нескольких образцов.

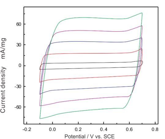
Кривая CV суперконденсатора PPy в растворе 0,5 mol/L H2SO4
ВилиРозион:в каждом канале многоканального потенциостата CS310X 8-канальный 8 eis включает все электрохимические методы измерения коррозии, такие как OCP,кривая поляризации (потенциодинамическая), EIS, циклическая поляризация CPP (кривая пассивации), электрохимическая потенциокинетическая реактивация (EPR), диффузионное испытание водорода, ZRA, электрохимический шум и т. д.Он может быть использован для изучения механизма коррозии металлов и коррозионной устойчивостиОн также может быть использован для быстрой проверки ингибиторов коррозии, фунгицидов и т. д.Он выбирается клиентами, у которых одновременно тестируется несколько образцов..


Слева: кривые поляризации Ti-сплава и нержавеющей стали в 3%-м растворе NaCl Право: EN низкоуглеродной стали в 0,05mol/LCl+0,1mol/LNaHCO3
Он использует алгоритм корреляционного интеграла и двухканальный метод переборки, и имеет сильную антиинтерференционную способность.13Ω. Подходит для измерений EIS высокоимпедантной системы (такой как покрытие, бетон и т.д.)


Испытание старения высокоимпедантного покрытия соляным спреемСтрипинг вольтметрических кривых в растворе различной концентрации Pb2+, Cd 2+, Zn2+
Электроанализ
многоканальный потенциостат CS310X 8-канальный 8 eis включает все вольтметрические методы, такие как NPV, DNPV, SWV, ACV, и может использоваться для быстрого анализа микроэлементов в растворе.Методы снятия вольтаметрии могут сделать количественный анализ в соответствии с снятием пиковый ток.

Электрокатализ
● Кортестный многоканальный потенциостат CS310X 8-канальный 8 eis может измерять потенциал полуволны (ORR), сверхпотенциал (HER, OER) катализатора,и имеет функцию расчета плотности пиковой мощности и плотности энергии.
● длительное циклическое измерение ORR, OER, HER,
CO2RR с помощью таких методов, как циклическая вольтметрия,
Эффективность Фарадея может быть
измеряется бипотенциостатом.
Кривая LSV катализаторов в щелочном растворе

● Максимальный ток может составлять 20 А, а напряжение соответствия может составлять 30 В, и с техникой инфракрасной компенсации,
Потенциостат Corrtest может точно измерить сверхпотенциал электрода, что является большим преимуществом в области электрокатализа.
Технические преимущества многоканального потенциостата CS310X 8-канального 8 eis
Полное плавание
Все потенциостаты / гальваностаты Corrtest предназначены для полного плавания и могут использоваться для электрохимического изучения рабочего электрода, соединяющегося с землей, например, автоклава, металлической части в мосту,бетон
Хранение данных в реальном времени
Данные эксперимента могут храниться в режиме реального времени. Даже если тест прерывается сбоем питания, данные будут автоматически сохранены. Данные совместимы с Excel, Origin,и может быть открыт непосредственно.
ЭИС
● Corrtest потенциостат использует алгоритм корреляционного интеграла и двухканальный метод переборки, и имеет сильную антиинтерференцию.13Он подходит для измерений EIS высокоимпедантной системы (такой как покрытие, бетон и т.д.)
● С помощью постоянного носителя тока и технологии предвзятости постоянного тока, потенциостат Corrtest может использоваться для измерения импеданса батареи в состоянии заряда и разряда,подходящий для системы с очень низким сопротивлением (например, батарея 18650, аккумулятор мягкого пакета, ядро аккумулятора...)
Многоэлектродная система
● Поддержка 2-, 3-, 4-электродного системы, может быть использована для проверки внутреннего сопротивления батареи или 4-электродного измерения импеданса тонкой пленки
● С амперметром с нулевым сопротивлением для измерения гальванического тока
Комплект разработки программного обеспечения (SDK)
Мы можем предоставить вторичные интерфейсы разработки, общие интерфейсы API и примеры разработки, и мы можем реализовать вызов данных для Labview, C, C++, C#, VC и других программ,который удобен для вторичной разработки и настройки методов испытаний.
Высокий ток, высокий уровень соответствия
● С помощью усилителя CS2020B/CS2040B ток может быть увеличен до 20A/40A, что отвечает требованиям топливных элементов, батарей, электропластировки и т.д.
●Может настроить прибор на 30В высокое напряжение соответствия, которое отвечает требованиям испытаний в решениях с низкой проводимостью (органическая система, бетонная система и т.д.),особенно подходит для исследования углеродного и азотного сокращения.
Универсальный анализ данных
CS Studio - это программное обеспечение для Corrtest potentiostat для управления экспериментами и анализа данных.анализ интеграции и пиковой высоты вольтметрической кривой, настройка эквивалентной схемы EIS и установка импедантного спектра и т.д.
● Многопараметрическая кривая поляризации
● Установка EIS
● Электрохимический анализ шума
● Вычисление псевдоемкости
● Специфическая емкость GCD, эффективность
● Анализ графика Мотт-Шоттки
● анализ резюме
Смешанное испытание
Программное обеспечение CS studio поддерживает комбинированное тестирование для различных экспериментов для достижения гибких и эффективных результатов.
Вы можете установить параметры для каждого эксперимента заранее, и установить интервалы, время ожидания и т.д. между каждым экспериментом.

Комбинационное испытание: испытания коррозии

Комбинированное испытание: испытания псевдоконденсаторов
Техники в каждом канале-многоканальном потенциостате CS310X 8-канальный 8 eis
| Стабильно поляризация |
Потенциал открытой цепи (OCP) |
| Потенциостатический (кривая i-t) | |
| Гальваностатическая ((E-t кривая) | |
| Потенциально-динамическая (Таблица) | |
| Гальванодинамические | |
| Прохожий поляризация |
Многоцелевые шаги |
| Многотекущие шаги | |
| Потенциальный шаг по лестнице (VSTEP) | |
| Гальваническая лестница-ступень (ISTEP) | |
| Хроно методы |
Хронопотенциометрия (CP) |
| Хроноамперометрия (CA) | |
| Хронокулометрия (CC) | |
| Вольтметрия | Циклическая вольтметрия (CV) |
| Линейная вольтметрия считывания (LSV) ((I-V кривая) | |
| Вольтметрия лестницы (SCV) # | |
| Вольтметрия квадратных волн (SWV) # | |
| Дифференциальная импульсная вольтметрия (DPV) # | |
| Нормальная пульсовольтметрия (НПВ) # | |
| Дифференциальная нормальная импульсная вольтметрия (DNPV) | |
| Вольтметрия переменного тока (ACV) # | |
| 2-я гармоническая А.С.Волтамметрия (SHACV) | |
| Испытание батареи | Зарядка и разрядка батареи |
| Гальваностатический заряд и разряд (GCD) | |
| Потенциальное заряжение и разряжение (PCD) | |
| Техника потенциостатического интермитантного титрования (PITT) | |
| Техника гальваностатической интермитантной титрации (GITT) | |
| ЭИС /Импеданс |
Потенциостатическая ЭИС (Nyquist, Bode) |
| Гальваностатическая ЭИС | |
| Потенциостатическая EIS (необязательная частота) | |
| Гальваностатическая EIS ((Необязательная частота) | |
| Мотт-Шоттки | |
| Потенциально-статическая EIS против времени (одиночная частота) | |
| Гальваностатический EIS против времени (одинкочастота) | |
| Коррозия измерение |
Кривая циклической поляризации (CPP) |
| потенциодинамический (Таблица) | |
| Линейная кривая поляризации (LPR) | |
| Электрохимическая потенциокинетическая реактивация | |
| Электрохимический шум (ECN) | |
| Амперметр с нулевым сопротивлением (ZRA) | |
| Амперометрия | Дифференциальная импульсная амперометрия (DPA) |
| Двойная дифференциальная импульсная амперометрия (DDPA) | |
| Трехпальсовая амперометрия (TPA) | |
| Интегрированное амперометрическое обнаружение импульса (IPAD) |