UC-H-B Номинальная нагрузка 3000 кг на веревке лифта
Описание:
Датчики UC-H для грузовых ячеек в кабине лифта SUMMIT поставляются с собственной интегральной резиновой установкой, специально разработанной для установки под лифтом и подъемным вагоном.Они легко устанавливаются под кабиной и чрезвычайно точны, датчики UC-H нагрузочных элементов предназначены для использования с новыми пассажирскими подъемниками до 3000 кг нагрузки,и эта компрессия кабины над нагрузкой UC-H приходит с антивибрационной резиновой подложки монтажа & это обеспечивает эффект заглушения. И если антивибрационная резина ((глава сжатия) удалена, это хороший способ установить на прикреплении проволоки или между проволокой прицеп пластин, и это более гибкое,и может выполнять запросы на различные места установки.
Примечание: датчики под кабиной UC-H серии не рекомендуются для модернизации или модернизации лифта.
.
Особенности:

Параметры UC-H кабинной грузовой ячейки:
| Модель: Клетка грузоподъемности на полу автомобиля UC-H-B ((без сжатия головки по сравнению с преобразователем UC-H | |||
| Номинальная нагрузка | 3000 кг | Ошибка " ползучий " | +/- 0,02% F.S. |
| Чувствительность | 20,0+-0,02% мв/в | Сопротивление ввода | 760+/-10 ом |
| Общая ошибка | +/- 0,5% F.S. | Сопротивление выхода | 700+/-2 ом |
| Возбуждение. | 5-12В постоянного тока | Безопасная перегрузка | 150% Ф.С. |
| Импеданс изоляции | ≥ 5000 Ом | Окончательная перегрузка | 200% Ф.С. |
| Класс защиты | IP68 | Строительный материал | Сплавленная сталь |
| Операционная температура | -30 до 70 градусов Цельсия. | Длина кабеля | 8м |
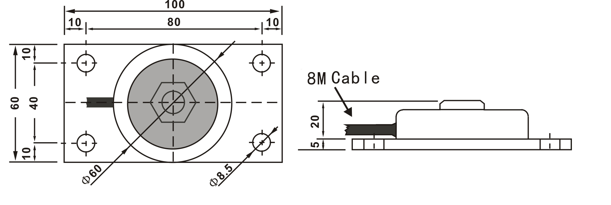
Нагрузочный элемент кабины лифта UC-H-B Размер:

Диаграмма установки и проводки:

Положение установки: при креплении веревки


Для тяговых лифтов мы предоставляем широкий ассортимент весовых устройств для лифтов и элементов нагрузки на напряжение, которые могут соответствовать различным требованиям к установке.и обычно есть 4 способа установить его:
Широкий выбор,Мы предлагаем вам гибкие, модульные решения для обоих требований, и большой опыт в проектах модернизации.
1Под кабиной лифта (кабины UC-AP, UC-H)
2. Закрепленные на проволоке (волоконные элементы нагрузки RH-SM,RH-A100)
3.Между проволочной веревкой зацепки пластинки, таких как RHP-E, RHP-F, RHP-G и так далее. настройки грузовых ячеек доступны по запросу (( веревкой зацепки сжатия грузовых ячеек)
4.Установлен на раме лифтового автомобиля для обнаружения деформации луча (элемент нагрузки на напряжение, элемент нагрузки на перекрестную голову RHP-X)
Ваш надежный партнер-СУМИТ
С более чем 20-летним опытом работы в лифтовой и подъемной промышленности и с нашим высококвалифицированным и преданным персоналом,Мы можем предоставить вам наилучшие возможности для измерения датчиков и веса для всех типов установок.SUMMIT обеспечивает безопасность и качество на всех этапах лифта и подъема.Консультирование и поддержка квалифицированными экспертами в качестве высокопрофессионального обслуживания клиентов - мы доверяем SUMMIT является вашим надежным партнером, на которого вы можете положиться.
