ANT точная номинальная нагрузка RHP-F 1000g 3000kg лифт подъемная нагрузка взвешивание сжатия преобразователь установка на веревках
Описание:
Датчик сжатия нагрузки RHP-F изготовлен из высоко никелевой стали и предназначен специально для измерения нагрузки лифтового вагона, независимо от того, перегружен ли вес лифтового вагона или нет.тем самым обеспечить безопасную работу лифта , и обычно размещается в положении крепления веревки и между прицепными пластинами проволочной веревки и обеспечивает более точное измерение.
Особенности:
| Модель:Компрессионный грузовой элемент лифта RHP-F-3T | |||
| Номинальная нагрузка | 3000 кг | Строительный материал | Сплавленная сталь |
| Чувствительность | 20,0+-0,02% мв/в | Диапазон температуры работы | -30 до 70 градусов Цельсия. |
| Общая ошибка | +/- 0,5% F.S. | Сопротивление ввода | 760+/-10 ом |
| Возбуждение. | 5-12В постоянного тока | Сопротивление выхода | 700+/-2 ом |
| Максимальное возбуждение | DC15V | Безопасная перегрузка | 150% Ф.С. |
| Импеданс изоляции | ≥ 5000 Ом | Окончательная перегрузка | 200% Ф.С. |
| T C СПАН | +/- 0,02% F.S./10 градусов по Цельсию | Ошибка подъема напряжения | +/- 0,02% F.S. |
| Класс защиты | IP67 | Длина кабеля | 8м |
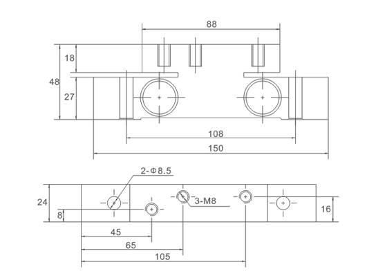
| Размер: | 150х24х48 мм | ||
Сжиматель нагрузки RHP-E Размер:

Диаграмма установки и проводки:

Положение установки: под крепкой пластиной



Для тяговых лифтов мы предоставляем широкий ассортимент весовых устройств для лифтов и элементов нагрузки на напряжение, которые могут соответствовать различным требованиям к установке.и обычно есть 4 способа установить его:
Широкий выбор,Мы предлагаем вам гибкие, модульные решения для обоих требований, и большой опыт в проектах модернизации.
1Под кабиной лифта (кабины UC-AP, UC-H)
2. Закрепленные на проволоке (волоконные элементы нагрузки RH-SM,RH-A100)
3.Между проволочной веревкой зацепки пластинки, таких как RHP-E, RHP-F, RHP-G и так далее. настройки грузовых ячеек доступны по запросу (( веревкой зацепки сжатия грузовых ячеек)
4.Установлен на раме лифтового автомобиля для обнаружения деформации луча (элемент нагрузки на напряжение, элемент нагрузки на перекрестную голову RHP-X)
Ваш надежный партнер-СУМИТ
С более чем 20-летним опытом работы в лифтовой и подъемной промышленности и с нашим высококвалифицированным и преданным персоналом,Мы можем предоставить вам наилучшие возможности для измерения датчиков и веса для всех типов установок.SUMMIT обеспечивает безопасность и качество на всех этапах лифта и подъема.Консультирование и поддержка квалифицированными экспертами в качестве высокопрофессионального обслуживания клиентов - мы доверяем SUMMIT является вашим надежным партнером, на которого вы можете положиться.
