модуль оптически переключателя 1x16 MEMS
Со своим основанным на MEMS дизайном, представление модуля оптически переключателя GEZHI Photonics 1x16 MEMS прочное в компактном пакете. Быстрое переключая время и больше чем 10 миллиардов ожидания продолжительности жизни сделать им идеальный оптически переключатель для требуя изготовляя применений. Переключатель MEMS оптически доступен для однорежимных волокон с выбором 1x2, 1x4,1x8, 1x12, модулей 1x16.
Особенности
Компактная текстура
Быстрое переключая время
Низкая вносимая потеря
Высокая надежность
Применения
Сеть PON
Защита
Инструментирование
Контроль сети
Спецификация
| Параметры | Блок | MFSW-1×N (N≤16) |
| Работая длина волны | nm | 1260~1620 для SM, 850/1310 для MM |
| Вносимая потеря | dB | ≤ 1,0 (типичное: 0,8) |
| WDL | dB | ≤ 0,3 |
| TDL | dB | ≤ 0,3 |
| PDL | dB | ≤ 0,1 |
| Потеря возвращения | dB | ≥ 50 SM, MM ≥ 30 |
| Помеха | dB | ≥ 50 SM, MM ≥ 30 |
| Повторимость | dB | ≤ ±0.02 |
| Переключая время | госпожа | ≤ 8 |
| Стойкость | времена | ≥ 10 миллиардов |
| Электропитание | V | ± 5% DC 5V |
| Переключая режим | Не-запирать на задвижку | |
| Оптически сила | mW | ≤ 500 |
| Рабочая температура | °C | -5 | +70 |
| Температура хранения | °C | -40 | +85 |
| Работая влажность | % | 5 | 95 |
| Размер | mm | 34×24×11 или 60×24×11 |
Примечание: 1. В пределах рабочей температуры и всего SOP.
2. Исключая соединителя, и добавить 0.3dB IL для пары соединителей.
Штыри
Спецификации
| Нет. | Деталь | Спецификация |
| 1 | Электропитание | ± 5% DC 5V |
| 2 | Расход энергии | <500mw> |
| 3 | Контроль | UART или параллельный режим (уровень TTL) |
Штыревая идентификация
| Pin | Имя сигнала | Описание |
| 1 | NC | Отсутствие физического внутреннего соединения |
| 2 | VCC | Электропитание (5V) |
| 3 | СТРОБ | Падая край активный (входной сигнал) |
| 4 | GND | Земля сигнала |
| 5 | D0 | Данные 0 (входной сигнал) |
| 6 | D1 | Данные 1 (входной сигнал) |
| 7 | D2 | Данные 2 (входной сигнал) |
| 8 | D3 | Данные 3 (входной сигнал) |
| 9 | UART TX | UART передает (выход) |
| 10 | UART RX | UART получает (входной сигнал) |
| 11 |
GND
|
Земля случая |
| 12 | RDY | Подготавливайте (выход), польза для внутренней отладки |
| 13 | РЕЖИМ | 0=TTL, 1=UART (входной сигнал) |
| 14 | ВОЗВРАТ | 0=Reset (входной сигнал) |
Оптически маршрут

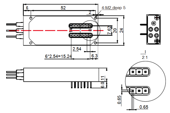
Размер

Данные по заказа
GZ-MFSW-1xN-x-x-xx-xx-x
| Тип | Канал | Длина волны | Тип волокна | Диаметр волокна | Длина волокна | Соединитель |
| GZ-MFSW |
01=1x1 02=1x2 ..... 16=1x16 ...... |
Диапазон C=C Диапазон L=L Диапазон O=O Диапазон D=C+L X= другие |
5=50/125 6=62.5/125 9=9/125 X=Others |
25=250um 90=900um 20=2.0mm 30=3.0mm X=Others |
1=1m 2=1.5m X=Others |
0=None FP=FC/PC FA=FC/APC SP=SC/PC SA=SC/APC LP=LC/PC LA=LC/APC X=Other |