Особенности и функции:
Для испытания напряжения и выхода
Чтобы проверить и показать радиоволну
Для измерения сопротивления
Чтобы судить о полярности диодов
Для обеспечения 3 режима питания
Для испытания 0-5 вольт общего напряжения выхода
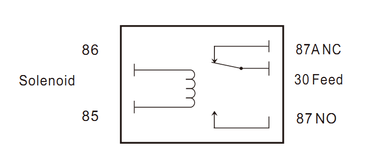
Для обнаружения реле
Чтобы отобразить частоту в цифровом виде
Чтобы помочь проверить положительный и отрицательный от батареи/линии
2.Детектировать 12-24в напряжение и выход в качестве источника питания
3. Противодействие испытания, с оптимизацией алгоритма, защитой от помех и высокой точностью
4. обнаруживает полярность диодов, когда ЭСУ автомобиля находится под обслуживанием
Помощь в устранении неполадок электронных деталей (не доступны в аналогичных продуктах на рынке)
5Существуют два режима отображения частоты, в виде устройства или цифры, подходящих для двух различных сред обнаружения сигналов датчиков.
Некоторые из них сосредоточены на изменениях формы волны, а некоторые - на точных значениях частоты.

6. Есть 3 режима для подачи электроэнергии в удобстве различных ситуаций, для проверки тока (не доступны в аналогичных продуктов на рынке)

Три режима:
Режим 1 (традиционный): нажмите на подачу питания и отпустите на выключение питания
Режим 2: нажмите один раз для включения и не выключайте, пока не нажмете его снова (удобно на большом расстоянии от источника питания и рабочего устройства)
Режим 3: нажмите один раз для периодического питания (удобный для проверки эффекта мерцания типа лампочки и возможно обнаружение тока одновременно)
7Он может поддерживать максимальный ток 18A и устанавливать поток (2-18A необязательный порог) для различных контурных условий.
8- опциональный выход малого напряжения 0-5 В, легко используемый при ремонте электроники ЭКУ и обнаружении автомобильных кислородных датчиков (не доступен в аналогичных продуктах на рынке)
Доступная опциональная выходная напряжение: 0-5V доступно и 0,5V интервал каждый раз
9. Функция испытания реле интуитивна и удобна, просто подключите линию в соответствии с цветом диаграммы; то есть вы можете напрямую проверить рабочее состояние реле.
Это очень удобно ((не доступно в аналогичных продуктах на рынке)

Пакет включает:
1pc x Руководство пользователя
1 шт. x адаптер от зажигалки
1pc x клинки для подключения к батарее
1 шт. х наконечника зонды
1 шт. х 20 футов.
1 шт. х чемоданчик