Полупроводник взрывателей защиты сети телекоммуникаций сплавляет автомобильный взрыватель
|
Расклассифицированное напряжение тока 额定电压 |
80VDC |
Характеристика 特性 |
快断 f |
| Расклассифицированное настоящее 额定电流 | 20A-60A |
Разрывная мощность 分断能力 |
DC1000A |
|
Соотвествуйте 符合要求 |
UL248-13, ISO8820, 指令 RoHS 欧盟和 |
Примечания 备注 |
UL |
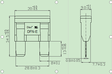
размеры 产品外形尺寸 (mm) /Overall продукта (mm)

电流特性曲线图 /Currentcharacteristiccurve

тип 产品型号 /Product
|
Модель 型号 |
Код продукта 产品代码 |
Расклассифицированное течение 额定电流 a |
² t I (Sec ² a) |
Падение напряжения тока 电压降 mV |
Пигмент 颜色 |
| DFN-E | DFN-E-20 | 20 | 3500 | 100 | 黄色 (желтый цвет) |
| DFN-E-30 | 30 | 8200 | 97 | 绿色 (зеленый цвет) | |
| DFN-E-40 | 40 | 14200 | 93 | 橙色 (апельсин) | |
| DFN-E-50 | 50 | 22500 | 90 | 红色 (красное) | |
| DFN-E-60 | 60 | 23000 | 95 | 蓝色 (синь) |
критеря по 性能标准 /Performance
|
测试电流项目 Деталь теста настоящий (a) |
电流 Настоящий |
最小时间 Минимальный замер |
最大时间 Максимальные времена |
| 110% | 20A-60A | 360000s | - |
| 150% | 20A-60A | - | 1800s |
| 200% | 20A-60A | 2s | 60s |
| 350% | 20A-60A | 0.20s | 7s |
| 600% | 20A-60A | 0.040s | 1s |
Сертификат UL




Анатомия продукта

Применения продукта

Наши сертификаты

Горячие бирки: взрыватель приборов защиты сети телекоммуникаций, Китай, изготовители, поставщики, фабрика, взрыватель лезвия, распределение индустрии взрывателя NH, тип соединения взрыватель болта, Быстро-действуя автомобильный взрыватель, автомобильный взрыватель батареи, встроенный держатель электрических взрывателей патрона, низкоточный взрыватель автомобиля 1A-50A