
Взрыватель HEV для электротранспорта

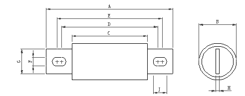
| Код размера | A±2 | B±1.5 | C±1 | D±1.5 | E±1.5 | F±1 | G±0.5 | H±0.2 | J±1 |
| HT1 | 73,5 | 14,3 | 48 | 60,5 | 63,5 | 6,5 | 10,3 | 1,6 | 8 |
| HT2 | 110 | 22 | 69 | 84 | 95,5 | 9 | 15 | 3,3 | 14,75 |
| HT3 | 129 | 36,5 | 72 | 88 | 109 | 10,5 | 25 | 6 | 20,7 |
| HT4 | 129 | 50 | 72 | 88,6 | 109 | 10,5 | 38 | 6 | 20,7 |
| HT5 | 180 | 63 | 72 | 106 | 145 | 13,5 | 50 | 10 | 33 |


|
Модель
|
Расклассифицированное течение
|
I2 t (a2 s) |
Диссипация силы W |
Код размера |
Установите |
|
| пре-дуга | итог | |||||
| HEV-P-Q-5 | 5A | 1,6 | 10 | 1,5 | HT1 |
Болт установки M6 порекомендовал вращающий момент 4N·m |
| HEV-P-Q-10 | 10A | 3,5 | 19 | 3,8 | ||
| HEV-P-Q-15 | 15A | 9,5 | 73 | 5,4 | ||
| HEV-P-Q-20 | 20A | 25,5 | 176 | 6,0 | ||
| HEV-P-Q-25 | 25A | 42 | 330 | 7,0 | ||
| HEV-P-Q-30 | 30A | 55 | 420 | 9,0 | ||
| HEV-P-Q-35 | 35A | 33 | 160 | 11,0 |
HT2 |
Болт установки M8 порекомендовал вращающий момент 11N·m |
| HEV-P-Q-40 | 40A | 75 | 315 | 12,0 | ||
| HEV-P-Q-45 | 45A | 95 | 430 | 12,0 | ||
| HEV-P-Q-50 | 50A | 135 | 590 | 12,5 | ||
| HEV-P-Q-60 | 60A | 205 | 940 | 14,8 | ||
| HEV-P-Q-70 | 70A | 300 | 1980 | 17,5 | ||
| HEV-P-Q-80 | 80A | 350 | 2350 | 20,5 | ||
| HEV-P-Q-90 | 90A | 410 | 2630 | 24,0 | ||
| HEV-P-Q-100 | 100A | 530 | 3450 | 26,5 | ||
| HEV-P-Q-125 | 125A | 1700 | 7200 | 27 |
HT3 |
Болт установки M10 порекомендовал вращающий момент 20N·m |
| HEV-P-Q-150 | 150A | 2750 | 11000 | 34 | ||
| HEV-P-Q-175 | 175A | 4100 | 16000 | 35 | ||
| HEV-P-Q-200 | 200A | 5400 | 21000 | 42 | ||
| HEV-P-Q-225 | 225A | 7500 | 30000 | 45 | ||
| HEV-P-Q-250 | 250A | 9700 | 41000 | 47 | ||
| HEV-P-Q-275 | 275A | 12000 | 58000 | 51 | ||
| HEV-P-Q-M300 | 300A | 16500 | 70000 | 56 |
HT4
|
|
| HEV-P-Q-M325 | 325A | 20000 | 82000 | 61 | ||
| HEV-P-Q-M350 | 350A | 23000 | 94000 | 63 | ||
| HEV-P-Q-M400 | 400A | 30000 | 123000 | 76 | ||
| HEV-P-Q-300 | 300A | 16500 | 70000 | 56 | ||
| HEV-P-Q-325 | 325A | 20000 | 82000 | 61 | ||
| HEV-P-Q-350 | 350A | 23000 | 94000 | 63 | ||
| HEV-P-Q-400 | 400A | 30000 | 123000 | 76 | ||
| HEV-P-Q-450 | 450A | 35000 | 135000 | 95 | ||
| HEV-P-Q-500 | 500A | 44000 | 165000 | 108 | ||
| HEV-P-Q-600 | 600A | 48000 | 210000 | 115 |
HT5 |
Болт установки M12 порекомендовал вращающий момент 28N·m |
| HEV-P-Q-700 | 700A | 53000 | 298000 | 125 | ||
| HEV-P-Q-800 | 800A | 75000 | 445000 | 140 | ||
Показано на список продуктов как ниже:
1. высоковольтный автоматический взрыватель (серия EV, серия HEV, КУРИЦА, серия BS88, серии MEV)
2. взрыватель низшего напряжения автоматический (серия DNN, серия DFN, серии DKN)
3. взрыватель батареи накопления энергии (серии MEV)
4. взрыватель силы (серия HEV, серия BS88, серии HH)
5. солнечный взрыватель PV (10*38,14*51,10*85,10*38 держатель, 14*51 держатель, 10*85Holder)
6. поручая взрыватель кучи (серия HEV, серия EV, серии HDP)
7. взрыватель телекоммуникаций 5G (серии HR70/HRP70)
8. серия взрывателя английского стандарта (BS1362/BS646)
9. серии HD501/HDP501, HD601-619/HDP601-619 высоковольтного взрывателя (, серий 10*38)
10. плавкие части предохранителя и держатели

Аттестации мы получаем:
UL, TUV, VDE, ASTA, PSB, CCC, CQC, IATF16949, ISO9001-2015, ROHS и аттестации достигаемости.

Почему выберите взрыватель Dissmann?
1. Dissmann поставщик BYD.
2. получил UL, UR, ASTA, VDE, TUV, PSB, CCC, CQC, ROHS и патенты.
3. собственное полное IATF16949, ISO9001, ISO14001.
4. Мы UL и TUV утвердил лабораторию заверителя 3rd-party.
5. провод материал-взрывателя ядра изготовленный нами.
6. взрыватели Автоматизировать-продукция. 300K BS сплавляет/день.
7. оборудование Полно-автоматизации произведенное нами.
8. команда старших инженеров приведенная от известной компании.
9. полный автомобильный взрыватель ранга.
10. национальные высокотехнологичные предприятия.
